Запчасти Case 660 (8-016) - BASIC HYDRAULIC CIRCUIT, RETURN FILTER AND LINES (08) - HYDRAULICS

Схема запчастей Case 660 - (8-016) - BASIC HYDRAULIC CIRCUIT, RETURN FILTER AND LINES (08) - HYDRAULICS
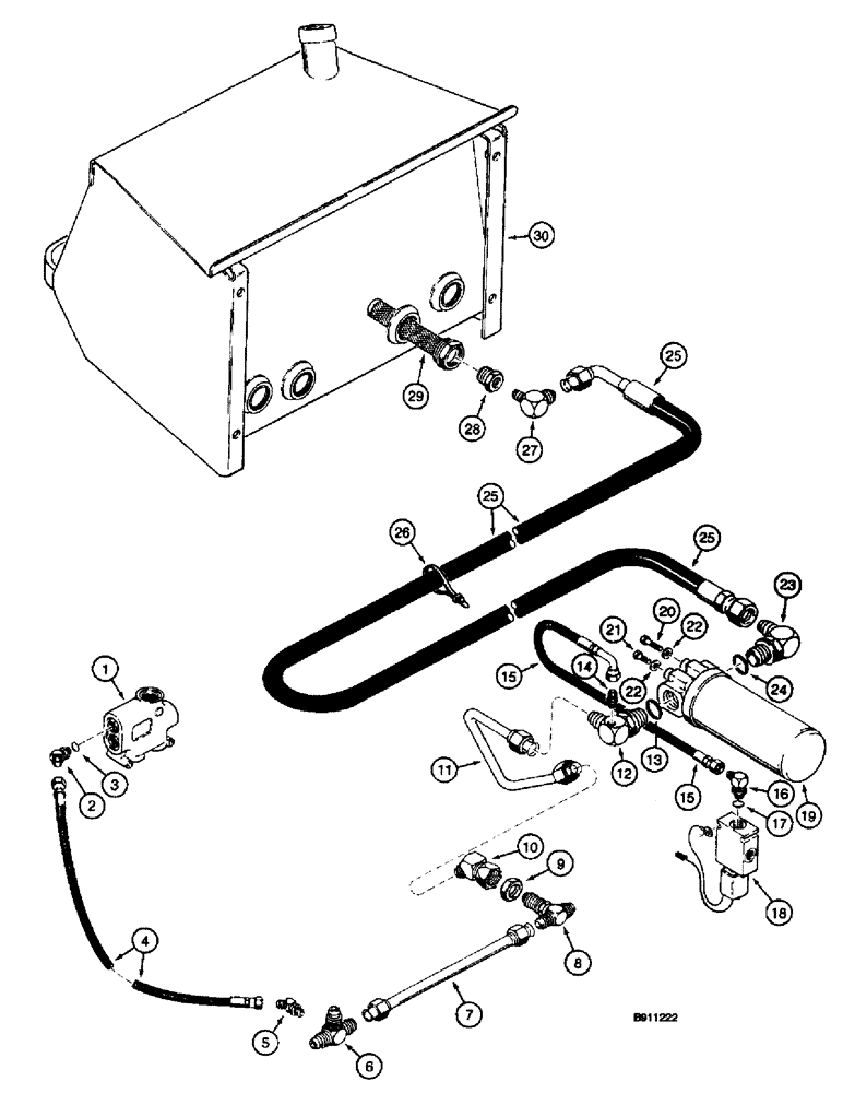
1
21
19
11
22
30
9
8
22
6
15
25
13
4
28
16
18
10
27
3
7
29
20
15
25
5
26
2
25
12
23
24
14
17
FIT
1:1
100%

Артикул

Название

Примечание

Количество

1

H672904

VALVE

ASSEMBLY - priority flow divider, parts list Fig. 5-14, see Fig. 5-6 for mounting

1шт.

2

218-5133

ELBOW,45 Degree Elbow, 7/16" - 20 Male JIC x 7/16" - 20 Male ORB

- 45 degree, 7/16-20 inch flare x adj O-ring boss, Includes: Ref. 3

1шт.

3

237-6004

O-RING,0.072" Thk x 0.351" ID, -904, Cl 6, 90 Duro

4-1, 90 Duro, .351" ID x .072" Thk

1шт.

4

H437990

HOSE ASSY.

HOSE - 686 mm (27 inch) long, priority flow control valve to return tube

1шт.

5

218-1092

ELBOW,45 Degree, 7/16-20" NPTF x 1/4"-18 37 Degree

- 45 degree, 7/16-20 flare x 1/4 inch PT

1шт.

6

H438131

ADAPTER

TEE - special

1шт.

7

H675128

TUBE,19.1 mm OD x 371 mm L

- return, tee to tee at hydraulic oil return filter

1шт.

8

218-807

TEE,1 1/16"-12, 37 Degree, Blkhd

- 1-1/16-12 inch bulkhead flare branch x flare x flare

1шт.

9

218-1256

BHD LOCK NUT,Blkhd, 1 1/16"-12

NUT - hex, lock, bulkhead, 1-1/16 inch NF

1шт.

10

218-5175

ELBOW,45 Degree Elbow, 1-1/16" - 12 Male JIC x 1-1/16" - 12 Female JIC

- 45 degree, 1-1/16-12 inch flare x swivel

1шт.

11

H675132

TUBE,19.1 mm OD

- elbow to return filter inlet

1шт.

12

H439361

ADAPTER

ELBOW - 90 degree, special, Includes: Ref. 13

1шт.

13

237-6016

O-RING,0.116" Thk x 1.171" ID, -916, Cl 6, 90 Duro

16-1, 90 Duro, 1.171" ID x .118" Thk

1шт.

14

218-453

HYD CONNECTOR,9/16" - 18 Male JIC x 1/8" - 27 Male NPTF

CONNECTOR, HYD., , Adapter, Straight 9/16"-18, 37º x 1/8"-27, NPTF

1шт.

15

H438001

HOSE ASSY.

HOSE - 532 mm (21 inch) long, solenoid valve to return filter

1шт.

16

218-5105

ELBOW,90 Degree Elbow, 9/16" - 18 Male JIC x 9/16" - 18 Male ORB

- 90 degree, 9/16-18 inch flare x adj O-ring boss, Includes: Ref. 17

1шт.

17

237-6006

O-RING,0.078" Thk x 0.468" ID, -906, Cl 6, 90 Duro

6-1, 90 Duro, .468" ID x .078" Thk

1шт.

18

187505C91

VALVE

ASSEMBLY - solenoid, parts list Fig. 6-34, see Fig. 6-6 for mounting

1шт.

19

D125507

FILTER

ASSEMBLY - hydraulic oil, parts list Fig. 8-62

1шт.

20

413-620

BOLT,Hex, 3/8" - 16 x 1-1/4", Gr 5

2шт.

21

413-616

BOLT,Hex, 3/8" - 16 x 1", Gr 5

2шт.

22

496-21041

WASHER,13/32" x 13/16" x .089", HDN

- flat, 13/32 x 13/16 x 3/32", hardened

4шт.

23

218-5118

ELBOW,90 Degree Elbow, 1-1/16" - 12 Male JIC x 1-5/16" - 12 Male ORB

- 90 degree, 1-1/16-12 flare x 1-5/16-12 inch adj O-ring boss, Includes: Ref. 24

1шт.

24

237-6012

O-RING,0.116" Thk x 0.924" ID, -912, Cl 6, 90 Duro

12-1, 90 Duro, .924 ID x .116" Thk

1шт.

25

H439181

HOSE

- 1300 mm (51-3/16 inch) long, return filter to hydraulic oil reservoir

1шт.

26

L18337

CABLE TIE,9.95"-12.1" lg

STRAP - tie, 15 inch, nylon

1шт.

27

218-486

ELBOW,90 Degree Elbow, 1-1/16" - 12 Male JIC x 3/4" - 14 Male NPTF

- 90 degree, 1-1/16-12 flare x 3/4 inch PT

1шт.

28

221-65

REDUCER,Hex, 1" x 3/4" NPT

- pipe, 1 male x 3/4 inch female

1шт.

29

H151399

FILTER STRAINER

SCREEN - filter, hydraulic oil return

1шт.

30

H675125

RESERVOIR ASSY.

RESERVOIR - hydraulic oil, see Fig. 8-2 for mounting

1шт.

Выбрано товаров: 30