Запчасти Case 660 (8-043A) - BACKHOE SWING CYLINDER HYDRAULIC CIRCUIT - D125 BACKHOE, BACKHOE SERIAL NUMBER JAF0218189 AND AFTER (08) - HYDRAULICS

Схема запчастей Case 660 - (8-043A) - BACKHOE SWING CYLINDER HYDRAULIC CIRCUIT - D125 BACKHOE, BACKHOE SERIAL NUMBER JAF0218189 AND AFTER (08) - HYDRAULICS
6
3
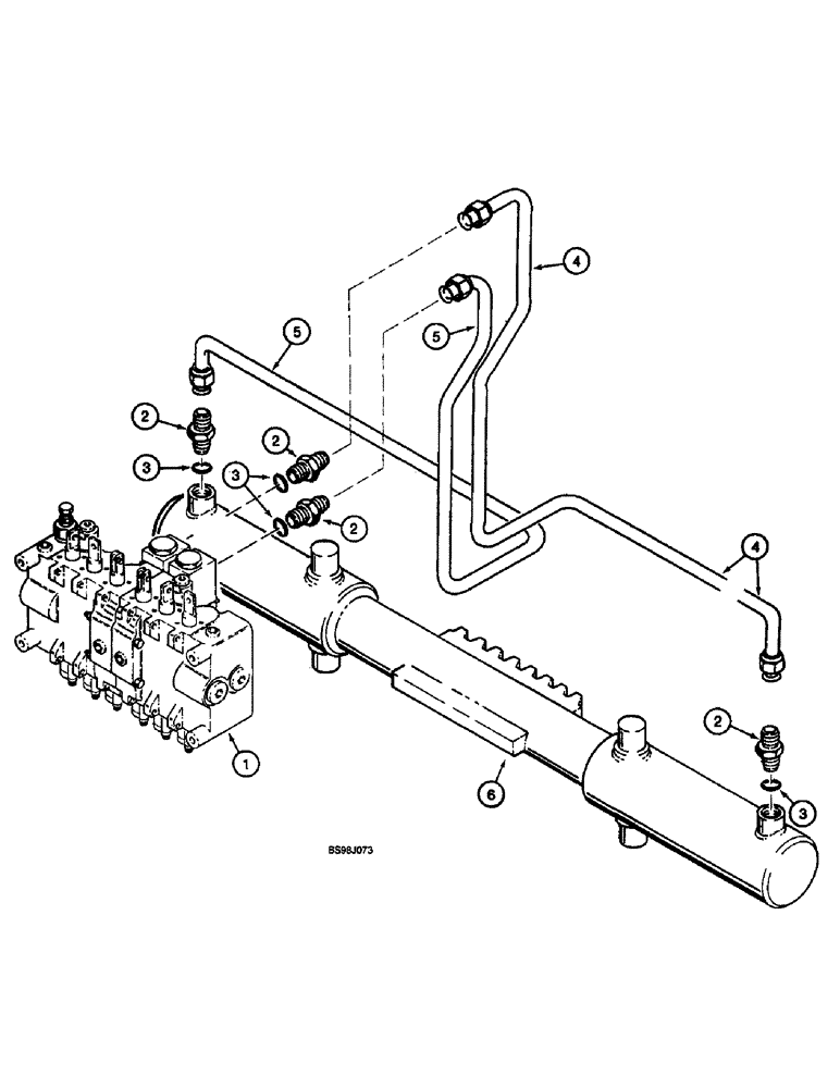
1
5
2
2
5
3
2
4
4
3
2
FIT
1:1
100%

Артикул

Название

Примечание

Количество

1

H674500

VALVE

ASSEMBLY - control, backhoe, parts list Figs. 8-52 - 8-58, see Fig. 9-22 for mounting

1шт.

2

218-5059

HYD CONNECTOR,3/4"-16, 37 Degree x 3/4"-16, O-Ring

ADAPTER - straight, 3/4-16 inch flare x O-ring boss, Incl. Ref 3

4шт.

3

237-6008

O-RING,0.087" Thk x 0.644" ID, -908, Cl 6, 90 Duro

8-1, 90 Duro, .644" ID x .087" Thk

1шт.

4

256126A1

TUBE,590, 493 mm Length

- to right-hand side of swing cylinder

1шт.

5

256128A1

TUBE,480, 413 mm Length

- to left-hand side of swing cylinder

1шт.

6

H673149

CYLINDER ASSY.

CYLINDER ASSEMBLY - 70 (2-3/4) ID x 254 mm (10 inch) stroke, swing, parts list Fig. 8-64

1шт.

Выбрано товаров: 0