Запчасти Case 660 (8-052) - BACKHOE CONTROL VALVE - H674500, CONTROL LEVERS (08) - HYDRAULICS

Схема запчастей Case 660 - (8-052) - BACKHOE CONTROL VALVE - H674500, CONTROL LEVERS (08) - HYDRAULICS
16
13
15
11
18
2
17
3
a
14
2
10
12
1
17
4
6
1
12
16
21
6
7
11
14
19
3
15
b
21
4
16
21
8
11
21
13
b
a
7
9
10
16
2
20
11
18
5
9
19
5
FIT
1:1
100%

Артикул

Название

Примечание

Количество

H674500

VALVE

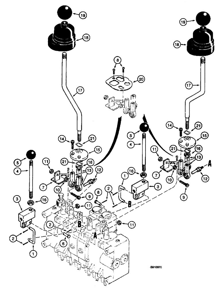
ASSEMBLY - control, backhoe, parts list Figs. 8-52 - 8-58, see Fig. 9-22 for mounting, Includes: Ref. 1 - 21

1шт.

1

H438042

ARM

LINK - C-type

2шт.

2

432-412

COTTER PIN,1/16" x 3/4"

PIN, SPLIT (COTTER), 1/16" x 3/4"

6шт.

3

H438043

BLOCK ASSY.

BLOCK - pivot

2шт.

4

100406A1

LEVER

- 5-1/4 inch long, stabilization section

2шт.

5

H152207

BALL KNOB

KNOB - lever

2шт.

6

427-4077

CLEVIS PIN,1/4" x .770"

PIN, CLEVIS, , Hardened 1/4" x .770"

2шт.

7

H438950

LARGE PLATE

BRACKET - dual control lever

2шт.

8

62-31010

SCREW,Hex Soc Hd, #10-32 x 5/8"

BOLT - hex socket, No. 10 NF x 5/8 inch

4шт.

9

62-32516

HEX SOC SCREW,1/4"-28 x 1"

BOLT - hex socket, 1/4 NF x 1 inch

4шт.

10

H438035

SPACER

- bracket

4шт.

11

H438943

JAM NUT

- hex, special

6шт.

12

H438038

STUD

- special

2шт.

13

H438025

ROD

END - rod, dual control lever plate

6шт.

14

62-32512

HEX SOC SCREW,1/4"-28 x 3/4"

BOLT - hex socket, 1/4 NF x 3/4 inch

6шт.

15

H438944

ADAPTER

PLATE - dual control lever

2шт.

16

425-146

JAM NUT,3/8" - 16, Gr 5

- hex, jam, 3/8 inch NC

4шт.

17

H438022

LEVER

- dual control

2шт.

18

H438946

PROTECTOR

BOOT - dual control lever

2шт.

19

A23885

KNOB

- ball

2шт.

20

H438951

LARGE PLATE

PLATE - boot retaining

2шт.

21

H438956

WASHER

- spring, special

4шт.

Выбрано товаров: 22