Запчасти Case 660 (8-085I) - AUXILIARY CONTROL VALVE (08) - HYDRAULICS

Схема запчастей Case 660 - (8-085I) - AUXILIARY CONTROL VALVE (08) - HYDRAULICS
14
6
4
10
5
9
15
12
11
7
8
1
16
3
13
16
2
FIT
1:1
100%

Артикул

Название

Примечание

Количество

H674465

VALVE

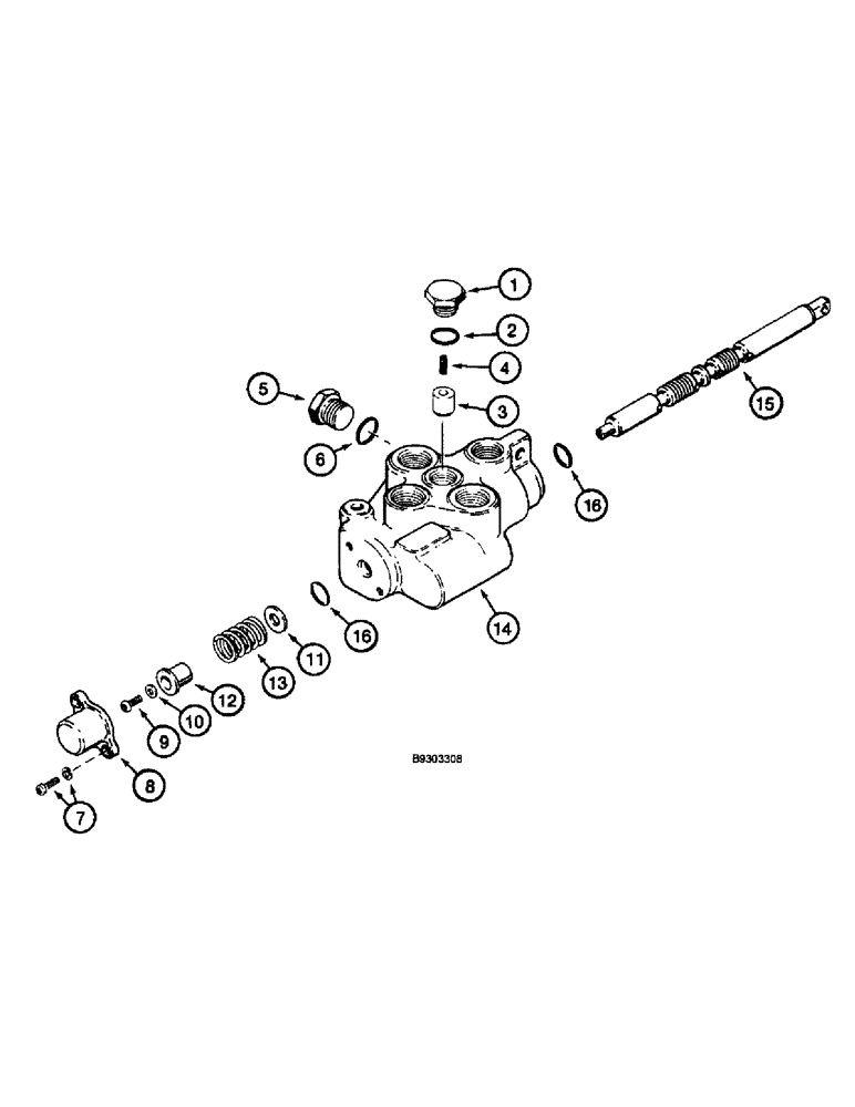
ASSEMBLY - auxiliary control, see Fig. 8-85E for mounting parts, Includes: Ref. 1 - 16

1шт.

H673572

KIT

- load check, Includes: Ref. 1 - 4

1шт.

1

NSS

NOT SOLD SEPARAT

PLUG - load check, Includes: Ref. 2

1шт.

2

237-6012

O-RING,0.116" Thk x 0.924" ID, -912, Cl 6, 90 Duro

12-1, 90 Duro, .924 ID x .116" Thk, Power beyond plug

1шт.

3

NSS

NOT SOLD SEPARAT

POPPET - load check

1шт.

4

NSS

NOT SOLD SEPARAT

SPRING - load check

1шт.

5

H436435

PLUG

- power beyond, Includes: Ref 6

1шт.

6

237-6012

O-RING,0.116" Thk x 0.924" ID, -912, Cl 6, 90 Duro

12-1, 90 Duro, .924 ID x .116" Thk

1шт.

H674816

KIT

- centering spring, Includes: Ref. 7 - 13

1шт.

7

NSS

NOT SOLD SEPARAT

BOLT - includes lock washer

2шт.

8

N9528

CAP

- bucket spool end

1шт.

9

62-7108

HEX SOC SCREW,Btn Hd, #10 - 32 x 1/2"

BOLT - hex socket, No. 10 NF x 1/2 inch

1шт.

10

495-11034

WASHER,5/16", SAE

5/16" SAE (flat, 11/32 x 11/16 x 1/16")

1шт.

11

NSS

NOT SOLD SEPARAT

WASHER - spring seat, spool

1шт.

12

N9529

SEAT

- spring, spool

1шт.

13

N9539

TENSION SPRING

SPRING - centering, spool

1шт.

14

NSS

NOT SOLD SEPARAT

BODY - valve

1шт.

15

NSS

NOT SOLD SEPARAT

SPOOL - valve

1шт.

16

H438030

O-RING

- 5/8 ID x 13/16 inch

2шт.

Выбрано товаров: 19