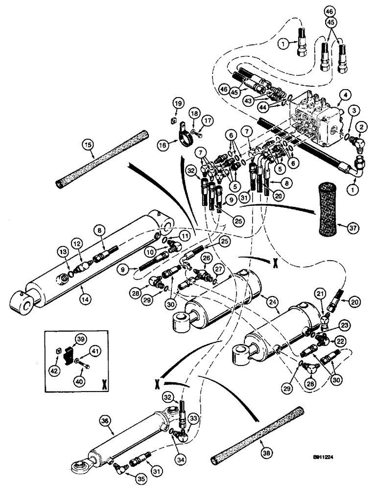
Запчасти Case 660 (8-086) - PLOW HYDRAULIC CIRCUIT, PLOW SUPPLY AND RETURN LINES, FROM REAR BULKHEAD PLATE (08) - HYDRAULICS

Схема запчастей Case 660 - (8-086) - PLOW HYDRAULIC CIRCUIT, PLOW SUPPLY AND RETURN LINES, FROM REAR BULKHEAD PLATE (08) - HYDRAULICS
2
10
25
12
34
9
26
17
45
7
5
42
1
40
1
6
32
45
43
6
44
31
21
8
46
15
13
19
7
22
x
33
1
46
18
35
41
23
20
8
29
25
36
39
27
4
31
20
x
14
28
5
30
3
24
28
30
18
29
37
9
38
x
32
FIT
1:1
100%

Артикул

Название

Примечание

Количество

1

H438246

HOSE ASSY.

HOSE - 660 mm (26 inch) long, rear bulkhead plate to plow control valve

1шт.

2

218-5123

ELBOW,90 Degree Elbow, 1-1/16" - 12 Male JIC x 7/8" - 14 Male ORB

- 90 degree, 1-1/16-12 flare x 7/8-14 inch adj O-ring boss, Includes: Ref. 3

1шт.

3

237-6012

O-RING,0.116" Thk x 0.924" ID, -912, Cl 6, 90 Duro

12-1, 90 Duro, .924 ID x .116" Thk

1шт.

4

REF

INSTRUCTION

VALVE ASSEMBLY - control, plow, see Figs. 8-92 - 8-98 for correct valve, see Fig. 9-106 for mounting

1шт.

5

218-5058

HYD CONNECTOR,9/16" - 18 Male JIC x 3/4" - 18 Male ORB

ADAPTER - straight, 9/16-18 flare x 3/4-16 inch O-ring boss, Includes: Ref. 6

6шт.

7

218-980

ELBOW,90 Degree, 9/16"-18, 37 Degree x 9/16"-18, 37 Degree Fem Sw

- 90 degree, 9/16-18 inch flare x swivel

4шт.

8

H438089

HOSE ASSY.

HOSE - 1310 mm (51-1/2 inch) long, plow control valve to plow lift cylinder, rod end

1шт.

9

H438081

HOSE ASSY.

HOSE - 1110 mm (43-3/4 inch) long, plow control valve to plow lift cylinder, closed end

1шт.

10

218-5105

ELBOW,90 Degree Elbow, 9/16" - 18 Male JIC x 9/16" - 18 Male ORB

- 90 degree, 9/16-18 inch flare x adj O-ring boss, Includes: Ref. 11

1шт.

12

218-5281

ELBOW,90 Degree, 9/16"-18, 37 Degree x 9/16"-18, O-Ring

- 90 degree, 9/16-18 flare x 7/8-14 inch adj O-ring boss, Includes: Ref. 13

1шт.

14

H673790

CYLINDER

ASSEMBLY - 89 (3-1/2) ID x 461 mm (16-3/8 inch) stroke, parts list Fig. 8-100, see Fig. 9-108 for mounting

1шт.

15

H438137

LINING

SLEEVE - nylon, lift hoses

1шт.

16

D120561

CLAMP

- P-type

1шт.

17

413-68

BOLT,Hex, 3/8" - 16 x 1/2", Gr 5

1шт.

18

496-21041

WASHER,13/32" x 13/16" x .089", HDN

- flat, 13/32 x 13/16 x 3/32", hardened

1шт.

19

84899

SQUARE NUT,Sq, 3/8"-16, G2

- square, 3/8 inch NC

1шт.

20

H438000

HOSE ASSY.

HOSE - 597 mm (23-1/2 inch) long, plow control valve to right-hand plow swing cylinder, closed end

1шт.

21

218-5172

ELBOW,45 Degree Elbow, 9/16" - 18 Male JIC x 9/16" - 18 Female JIC

- 45 degree, 9/16-18 inch flare x swivel

1шт.

22

H428623

TEE

- special, Includes: Ref. 23

1шт.

23

237-6008

O-RING,0.087" Thk x 0.644" ID, -908, Cl 6, 90 Duro

8-1, 90 Duro, .644" ID x .087" Thk

1шт.

24

H673704

CYLINDER,101.6 mm ID x 327 mm L

ASSEMBLY - 102 (4) ID x 152 mm (6 inch) stroke, plow swing, parts list Fig. 8-36, see Fig. 9-106 for mounting

2шт.

25

H438201

HOSE ASSY.

HOSE - 1136 mm (44-3/4 inch) long, plow control valve to left-hand plow swing cylinder, closed end

1шт.

26

218-5581

TEE,9/16"-18, 37 Degree, 3/4"-16, O-Ring Run, 9/16"-18, 37 Degree

- 9/16-18 flare branch x flare x 3/4-16 inch adj O-ring, Includes: Ref. 27

1шт.

27

237-6008

O-RING,0.087" Thk x 0.644" ID, -908, Cl 6, 90 Duro

8-1, 90 Duro, .644" ID x .087" Thk

1шт.

28

218-5128

ELBOW,90° Elbow, 9/16" - 18 Male JIC x 3/4" - 16 Male ORB

- 90 degree, 9/16-18 flare x 3/4-16 inch adj O-ring boss, Incl. Ref. 29

2шт.

29

237-6008

O-RING,0.087" Thk x 0.644" ID, -908, Cl 6, 90 Duro

8-1, 90 Duro, .644" ID x .087" Thk

1шт.

30

H435080

HOSE ASSY.

HOSE - 762 mm (30 inch) long, swing cylinder to swing cylinder

2шт.

31

H438198

HOSE ASSY.

HOSE - 2620 mm (103-5/32 inch) long, plow control valve to plow steering cylinder, rod end

1шт.

32

H438199

HOSE ASSY.

HOSE - 2490 mm (98 inch) long, plow control valve to plow blade steering cylinder, closed end

1шт.

33

218-5105

ELBOW,90 Degree Elbow, 9/16" - 18 Male JIC x 9/16" - 18 Male ORB

- 90 degree, 9/16-18 inch flare x adj O-ring boss, Includes: Ref. 34

1шт.

35

218-1053

ELBOW,90 Degree, 9/16"-18, 37 Degree x 3/8"-18, NPTF

- 90 degree, 9/16-18 flare x 3/8 inch PT

1шт.

36

H674932

STEERING CYLINDER

CYLINDER ASSEMBLY - 64 (2-1/2) ID x 203 mm (8 inch) stroke, parts list Fig. 8-102, see Fig. 9-110 for mounting

1шт.

37

H438203

SLEEVE

- nylon, plow cylinder hoses

1шт.

38

H438200

LOOM

SLEEVE - nylon, plow blade steering cylinder hoses

1шт.

39

D120679

CLAMP,Tube, 1/2"

- hose

3шт.

40

413-620

BOLT,Hex, 3/8" - 16 x 1-1/4", Gr 5

- hex, 3/8 NC x 1-1/4 inch

3шт.

42

84899

SQUARE NUT,Sq, 3/8"-16, G2

- square, 3/8 inch NC

3шт.

43

218-5062

HYD CONNECTOR,7/8"-14, 37 Degree x 7/8"-14, O-Ring

ADAPTER - straight, 7/8-14 inch flare x O-ring boss, Includes: Ref. 43

2шт.

44

237-6010

O-RING,0.097" Thk x 0.755" ID, -910, Cl 6, 90 Duro

10-1, 90 Duro, .755" ID x .097" Thk

1шт.

45

H438087

HOSE ASSY.

HOSE - 1270 mm (50 inch) long, plow control valve to rear bulkhead plate, used on plow only units

2шт.

46

106519A1

HOSE

- 660 mm (26 inch) long, plow control valve to rear bulkhead plate, used on quad units

2шт.

6

237-6006

O-RING,0.078" Thk x 0.468" ID, -906, Cl 6, 90 Duro

6-1, 90 Duro, .468" ID x .078" Thk

1шт.

11

237-6006

O-RING,0.078" Thk x 0.468" ID, -906, Cl 6, 90 Duro

6-1, 90 Duro, .468" ID x .078" Thk

1шт.

13

237-6006

O-RING,0.078" Thk x 0.468" ID, -906, Cl 6, 90 Duro

6-1, 90 Duro, .468" ID x .078" Thk

1шт.

34

237-6006

O-RING,0.078" Thk x 0.468" ID, -906, Cl 6, 90 Duro

6-1, 90 Duro, .468" ID x .078" Thk

1шт.

Выбрано товаров: 45