Запчасти Case 660 (9-016) - BACKHOE TO CHASSIS MOUNTING BRACKETS AND MUFFLER SHIELD (09) - CHASSIS/ATTACHMENTS

Схема запчастей Case 660 - (9-016) - BACKHOE TO CHASSIS MOUNTING BRACKETS AND MUFFLER SHIELD (09) - CHASSIS/ATTACHMENTS
5
13
2
9
3
4
16
a
4
1
12
3
8
14
6
15
a
10
4a
FIT
1:1
100%

Артикул

Название

Примечание

Количество

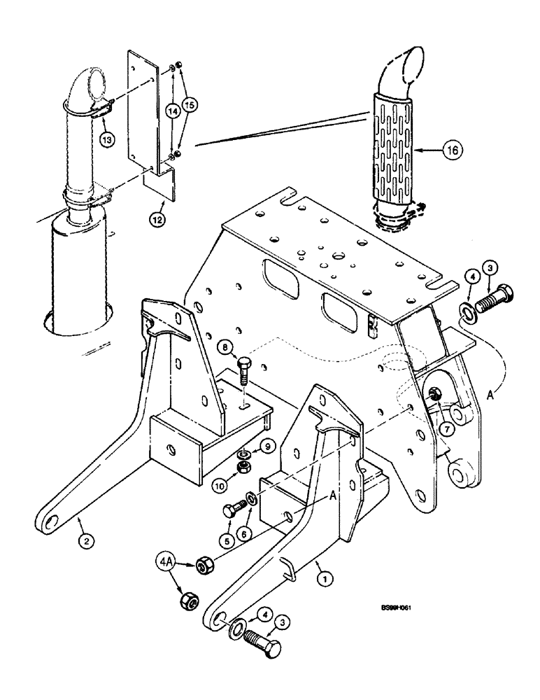
1

H674129

BRACKET

- backhoe to chassis mounting, right-hand

1шт.

2

H674130

BRACKET

- backhoe to chassis mounting, left-hand

1шт.

3

413-2056

BOLT,Hex, 1-1/4" - 7 x 3-1/2", Gr 5

- hex, 1-1/4 NC x 3-1/2 inch

4шт.

4

D43536

WASHER

- flat, special, 1-1/4 inch, hardened

4шт.

4a

230-41120

LOCK NUT,1 1/4"-7, GA

NUT - hex, self-locking, 1-1/4 inch NC

4шт.

5

413-1232

BOLT,Hex, 3/4" - 10 x 2", Gr 5

- hex, 3/4 NC x 2 inch

10шт.

6

H426817

WASHER

- flat, special, hardened

10шт.

7

232-41112

NUT,3/4"-10, GC

NUT, LOCK, 3/4"-10, GC

10шт.

8

413-1240

BOLT,Hex, 3/4" - 10 x 2-1/2", Gr 5

Hex, 3/4"-10 x 2-1/2", G5

4шт.

9

H426817

WASHER

- flat, special, hardened

4шт.

10

232-41112

NUT,3/4"-10, GC

NUT, LOCK, 3/4"-10, GC

4шт.

11

H674120

FRAME

ASSEMBLY - backhoe attachment, see Fig. 9-24

1шт.

12

H434212

SHIELD

- muffler, if used, see Ref. 16

1шт.

Used only on non-emissions certified engines.

1шт.

13

A13240

CLAMP,2-5/8" ID

- two piece, includes hardware, muffler exhaust extension to shield, if used, see Ref. 16

1шт.

Used only on non-emissions certified engines.

1шт.

14

H426775

WASHER

- flat, special, hardened, used in addition to existing clamp hardware, if used, see Ref. 16

4шт.

Used only on non-emissions certified engines.

1шт.

15

232-4115

LOCK NUT,5/16"-18, GC

NUT, LOCK, , Used in addition to existing clamp hardware, if used, see Ref. 16 5/16"-18, GC

4шт.

Used only on non-emissions certified engines.

1шт.

16

127172A1

TUBE

PIPE - exhaust, with integral heat guard, alternative part for Ref. 12 - 15

1шт.

Used only on non-emissions certified engines.

1шт.

Выбрано товаров: 22