Запчасти Case 660 (9-022) - BACKHOE CONTROL TOWER, D125 BACKHOE (09) - CHASSIS/ATTACHMENTS

Схема запчастей Case 660 - (9-022) - BACKHOE CONTROL TOWER, D125 BACKHOE (09) - CHASSIS/ATTACHMENTS
3
10a
8
7
4
13
5
2
2
1
12
10
2a
14
9
15
3a
11
2a
6
FIT
1:1
100%

Артикул

Название

Примечание

Количество

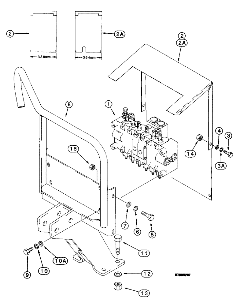
1

H674500

VALVE

ASSEMBLY - control, backhoe, parts list Figs. 8-52 - 8-58

1шт.

2

H438359

COVER

- backhoe valve, without opening at bottom, if used

1шт.

2a

257301A1

SHEET

COVER - backhoe valve, with opening at bottom, if used

1шт.

3

413-516

BOLT,Hex, 5/16" - 18 x 1", Gr 5

- hex, 5/16 NC x 1 inch

4шт.

3a

492-11031

LOCK WASHER,5/16"

WASHER, LOCK, 5/16"

4шт.

4

496-11034

WASHER,11/32" x 11/16" x 1/16", HDN

- flat, 11/32 x 11/16 x 1/16 inch, hardened

4шт.

5

413-616

BOLT,Hex, 3/8" - 16 x 1", Gr 5

4шт.

6

492-11038

LOCK WASHER,3/8"

4шт.

7

496-21041

WASHER,13/32" x 13/16" x .089", HDN

- flat, 13/32 x 13/16 x 3/32", hardened

4шт.

8

H674133

CONSOLE

- valve mounting

1шт.

9

414-512

BOLT,Hex, 5/16" - 24 x 3/4", Gr 5

4шт.

10

492-11031

LOCK WASHER,5/16"

WASHER, LOCK, 5/16"

4шт.

10a

496-11034

WASHER,11/32" x 11/16" x 1/16", HDN

- flat, 11/32 x 11/16 x 1/16 inch, hardened

3шт.

11

413-844

BOLT,Hex, 1/2" - 13 x 2-3/4", Gr 5

- hex, 1/2 NC x 2-3/4 inch

4шт.

12

496-21053

WASHER,17/32" x 1 1/16" x .134"

- flat, 17/32 x 1-1/16 x 1/8 inch, hardened

4шт.

13

230-4218

LOCK NUT,1/2"-13, GA

NUT - hex, self-locking, 1/2 inch NC

4шт.

14

232-4115

LOCK NUT,5/16"-18, GC

NUT, LOCK, 5/16"-18, GC

4шт.

15

232-4116

NUT,3/8"-16, GC

NUT, LOCK, 3/8"-16, GC

4шт.

Выбрано товаров: 18