Запчасти Case 660 (9-051A) - INTEGRAL QUAD TRENCHER BOOM AND MOUNTING (09) - CHASSIS/ATTACHMENTS

Схема запчастей Case 660 - (9-051A) - INTEGRAL QUAD TRENCHER BOOM AND MOUNTING (09) - CHASSIS/ATTACHMENTS
9
10
6
4
3
6
7
9
2
1
8
FIT
1:1
100%

Артикул

Название

Примечание

Количество

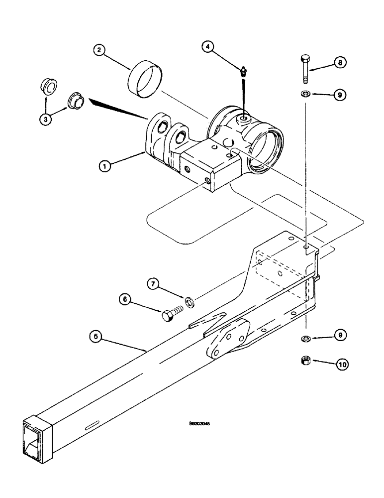
1

116743A1

ANCHOR

BRACKET - mounting, trencher boom

1шт.

2

H437509

BUSHING

- nylon, boom pivot

2шт.

3

H433624

BUSHING,38.23mm ID x 64mm OD x 25.5mm L

- bracket, lift cylinder pivot

2шт.

4

219-86

LUBE NIPPLE,1/8" NPTF

FITTING - grease, straight, self-tap 1/8 PT x 5/8 inch

1шт.

5

113119A1

BOOM

- trencher, 4 foot

1шт.

6

326-1624

BOLT,Hex, 1" - 8 x 1-1/2", Gr 8

- hex, 1 NC x 1-1/2 inch, grade 8

2шт.

7

D36505

WASHER,26.99mm ID x 47.63mm OD x 2.38mm Thk

- flat, special, 1-1/16 x 1-7/8 x 9/64 inch

2шт.

8

426-1296

BOLT,Hex, 3/4" - 10 x 6", Gr 8

- hex, 3/4 NC x 6 inch, grade 8

2шт.

9

H426817

WASHER

- flat, special, hardened

4шт.

10

232-41112

NUT,3/4"-10, GC

NUT, LOCK, 3/4"-10, GC

2шт.

Выбрано товаров: 10