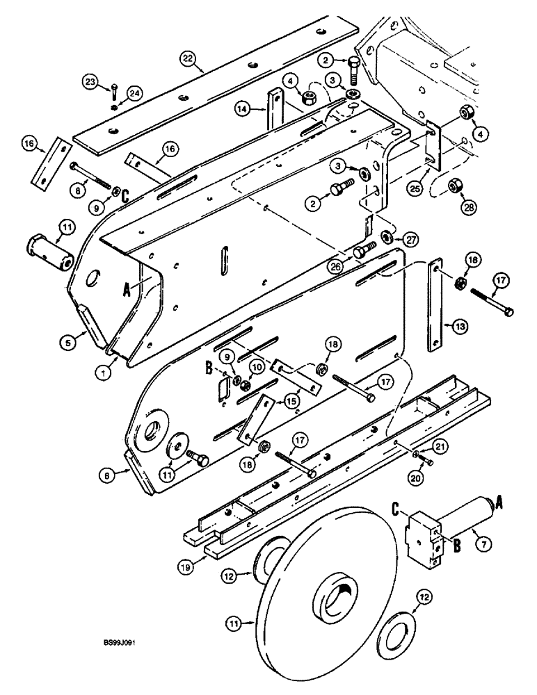
Запчасти Case 660 (9-060) - TRENCHER BOOMS & MOUNTING, ROCK BOOM, 4 FOOT, FOR STD. TRENCHER & FOR QUAD W/ BOLT-ON TRENCHER FRAME (09) - CHASSIS/ATTACHMENTS

Схема запчастей Case 660 - (9-060) - TRENCHER BOOMS & MOUNTING, ROCK BOOM, 4 FOOT, FOR STD. TRENCHER & FOR QUAD W/ BOLT-ON TRENCHER FRAME (09) - CHASSIS/ATTACHMENTS
12
17
9
12
c
a
7
16
1
b
11
4
11
21
22
18
16
2
6
6
b
23
26
9
16
28
2
14
3
a
25
15
24
13
20
11
4
27
17
10
8
18
19
c
3
17
FIT
1:1
100%

Артикул

Название

Примечание

Количество

1

H672694

BOOM

- trencher, rock, 4 foot

1шт.

2

413-1240

BOLT,Hex, 3/4" - 10 x 2-1/2", Gr 5

Hex, 3/4"-10 x 2-1/2", G5

4шт.

3

H426817

WASHER

- flat, special, hardened

4шт.

4

232-41112

NUT,3/4"-10, GC

NUT, LOCK, 3/4"-10, GC

4шт.

5

H672976

PLATE

- rock boom end, left-hand

1шт.

6

H672970

PLATE

- rock boom end, right-hand

1шт.

7

H672751

CYLINDER

ADJUSTER ASSEMBLY - chain, rock boom, parts list Fig. 9-68

1шт.

8

413-880

BOLT,Hex, 1/2" - 13 x 5", Gr 5

- hex, 1/2 NC x 5 inch

2шт.

9

H274894

WASHER

- flat, special

4шт.

10

232-4118

NUT,1/2"-13, GC

NUT, LOCK, 1/2"-13, GC

2шт.

11

H672962

ROLLER

ASSEMBLY - rock boom end, parts list Fig. 9-66

1шт.

12

H435229

WASHER,80.2mm ID x 140mm OD x 1.58mm Thk

- flat, special, boom end roller

2шт.

13

H434510

BAR

- boom end plate retaining, long, right-hand

1шт.

14

H434511

BAR

- boom end plate retaining, long, tapped, left-hand

1шт.

15

H434671

BAR

- boom end plate retaining, short, right-hand

2шт.

16

H434555

BAR

- boom end plate retaining, short, tapped, left-hand

2шт.

17

413-880

BOLT,Hex, 1/2" - 13 x 5", Gr 5

- hex, 1/2 NC x 5 inch

6шт.

18

H434670

LOCK WASHER

- disc locking, special

6шт.

19

H672693

CHANNEL

- wear pad, lower

1шт.

20

413-620

BOLT,Hex, 3/8" - 16 x 1-1/4", Gr 5

- hex, 3/8 NC x 1-1/4 inch

10шт.

21

496-21041

WASHER,13/32" x 13/16" x .089", HDN

- flat, 13/32 x 13/16 x 3/32", hardened

10шт.

22

H434549

BAR

PAD - wear, trencher rock boom

1шт.

23

413-616

BOLT,Hex, 3/8" - 16 x 1", Gr 5

4шт.

24

492-11038

LOCK WASHER,3/8"

4шт.

25

H437275

SHIM,1.50mm Thk

Trencher boom to boom mounting bracket 1.50mm Thk

1шт.

26

426-1640

BOLT,Hex, 1" - 8 x 2-1/2", Gr 8

- hex, 1 NC x 2-1/2 inch, grade 8

2шт.

27

D36505

WASHER,26.99mm ID x 47.63mm OD x 2.38mm Thk

- flat, special, 1-1/16 x 1-7/8 x 9/64 inch

2шт.

28

232-41116

LOCK NUT,1"-8, GC

NUT, LOCK, 1"-8, GC

2шт.

Выбрано товаров: 28