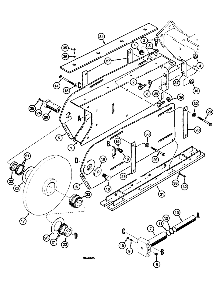
Запчасти Case 660 (9-062) - TRENCHER BOOMS AND MOUNTING, ROCK BOOM, 5 FOOT, FOR ALL TRENCHERS EXCEPT INTEGRAL QUAD (09) - CHASSIS/ATTACHMENTS

Схема запчастей Case 660 - (9-062) - TRENCHER BOOMS AND MOUNTING, ROCK BOOM, 5 FOOT, FOR ALL TRENCHERS EXCEPT INTEGRAL QUAD (09) - CHASSIS/ATTACHMENTS
28
a
5
28
d
35
19
b
34
11
26
3
a
22
30
4
c
8
25
9
16
14
22
33
38
24
d
2
31
15
40
30
21
39
15
36
32
20
17
4
7
21
37
3
27
10
23
29
c
b
1
12
2
13
18
6
29
FIT
1:1
100%

Артикул

Название

Примечание

Количество

1

259936A1

BOOM

- trencher, 5 foot, rock

1шт.

2

413-1240

BOLT,Hex, 3/4" - 10 x 2-1/2", Gr 5

Hex, 3/4"-10 x 2-1/2", G5

4шт.

3

H426817

WASHER

- flat, special, hardened

4шт.

4

232-41112

NUT,3/4"-10, GC

NUT, LOCK, 3/4"-10, GC

4шт.

5

121502A1

PLATE

- rock boom end, left-hand

1шт.

6

112665A1

PLATE

- rock boom end, right-hand

1шт.

7

H674743

CYLINDER ASSY.,44.46mm Bore Dia

ADJUSTER - chain, rock boom

1шт.

8

H114728

PLUG

- hex socket, 3/8 inch PT, grease bleed

1шт.

9

219-66

LUBE NIPPLE,1/8"-27 NPT, Dustproof

FITTING - grease, straight, with cap, 1/8 PT x 1 inch, Includes: Ref. 10

1шт.

10

NSS

NOT SOLD SEPARAT

CAP - grease fitting, order 219-66 grease fitting

1шт.

11

238-6327

O-RING,0.21" Thk x 1.725" ID, -327, Cl 6, 90 Duro

1шт.

12

H755009

RING

- backup, adjuster O-ring

1шт.

13

H434551

ROD

- adjuster

1шт.

14

413-868

BOLT,Hex, 1/2" - 13 x 4-1/4", Gr 5

- hex, 1/2 NC x 4-1/4 inch

2шт.

15

H274894

WASHER

- flat, special

4шт.

16

232-4118

NUT,1/2"-13, GC

NUT, LOCK, 1/2"-13, GC

2шт.

17

H675070

ROLLER

- rock boom end

1шт.

18

413-1224

BOLT,Hex, 3/4" - 10 x 1-1/2", Gr 5

- hex, 3/4 NC x 1-1/2 inch

1шт.

19

H438568

WASHER

- bearing cap

1шт.

20

H438570

PIN,63.5mm OD x 104.5mm L

- boom end roller

1шт.

21

H435218

SEAL

- boom end roller

4шт.

22

H438569

SPACER

- seal, rock boom end

2шт.

23

H759118

BEARING ASSY,52.4mm ID x 92.1mm OD x 54.75mm W

BEARING - tapered roller

1шт.

24

219-66

LUBE NIPPLE,1/8"-27 NPT, Dustproof

FITTING - grease, straight, with cap, 1/8 PT x 1 inch, Includes: Ref. 25

1шт.

25

NSS

NOT SOLD SEPARAT

CAP - grease fitting, order 219-66 grease fitting

1шт.

26

H435229

WASHER,80.2mm ID x 140mm OD x 1.58mm Thk

- flat, special, boom end roller

2шт.

27

101562A1

BAR

- threaded, boom end plate retaining, right-hand

2шт.

28

101563A1

BAR

- boom end plate retaining, left-hand

2шт.

29

413-1072

BOLT,Hex, 5/8" - 11 x 4-1/2", Gr 5

4шт.

30

H434670

LOCK WASHER

- disc locking, special

4шт.

31

101570A1

CHANNEL

- wear pad, lower

1шт.

32

413-616

BOLT,Hex, 3/8" - 16 x 1", Gr 5

10шт.

33

496-21041

WASHER,13/32" x 13/16" x .089", HDN

- flat, 13/32 x 13/16 x 3/32", hardened

10шт.

34

101560A2

BAR

PAD - wear, upper

1шт.

35

413-616

BOLT,Hex, 3/8" - 16 x 1", Gr 5

5шт.

36

496-21041

WASHER,13/32" x 13/16" x .089", HDN

- flat, 13/32 x 13/16 x 3/32", hardened

5шт.

37

H437275

SHIM,1.50mm Thk

Trencher boom to boom mounting bracket 1.50mm Thk

1шт.

38

426-1640

BOLT,Hex, 1" - 8 x 2-1/2", Gr 8

- hex, 1 NC x 2-1/2 inch, grade 8

2шт.

39

D36505

WASHER,26.99mm ID x 47.63mm OD x 2.38mm Thk

- flat, special, 1-1/16 x 1-7/8 x 9/64 inch

2шт.

40

232-41116

LOCK NUT,1"-8, GC

NUT, LOCK, 1"-8, GC

2шт.

Выбрано товаров: 40