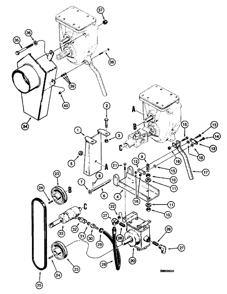
Запчасти Case 660 (9-092) - HYDRA-BORER WATER PUMP MOUNTING (09) - CHASSIS/ATTACHMENTS

Схема запчастей Case 660 - (9-092) - HYDRA-BORER WATER PUMP MOUNTING (09) - CHASSIS/ATTACHMENTS
33
13
26
6
b
11
10
31
36
2
14
24
10
26
37
39
28
17
29
a
27
9
b
30
23
a
c
3
27
23
7
8
38
15
32
11
25
15
35
16
21
4
24
12
18
5
22
19
12
40
20
34
1
c
FIT
1:1
100%

Артикул

Название

Примечание

Количество

1

H519389

SUPPORT

BRACKET - mounting

1шт.

Part of Attaching Kit, P/N H668475

1шт.

2

413-836

BOLT,Hex, 1/2" - 13 x 2-1/4", Gr 5

- hex, 1/2 NC x 2-1/4 inch

2шт.

3

230-4218

LOCK NUT,1/2"-13, GA

NUT - hex, self-locking, 1/2 inch NC

2шт.

4

H519397

PUMP

BRACKET - pump mounting

1шт.

Part of Attaching Kit, P/N H668475

1шт.

5

425-118

NUT,1/2"-20, G5

- hex, 1/2 inch NF

1шт.

Part of Attaching Kit, P/N H668475

1шт.

6

H87460

PIN

- special, bracket mounting

1шт.

Part of Attaching Kit, P/N H668475

1шт.

7

495-11053

WASHER,1/2", SAE

(17/32" x 1-1/16" x 3/32") 1/2", SAE

2шт.

Part of Attaching Kit, P/N H668475

1шт.

8

432-816

COTTER PIN,1/8" x 1"

1/8" x 1"

2шт.

Part of Attaching Kit, P/N H668475

1шт.

9

H71233

STUD

- special, belt adjuster

1шт.

Part of Attaching Kit, P/N H668475

1шт.

10

425-1510

JAM NUT,Jam, 5/8"-18, G5

- hex, jam, 5/8 inch NF

2шт.

Part of Attaching Kit, P/N H668475

1шт.

11

495-11066

WASHER,5/8", SAE

- FLAT, 21/32 x 1-5/16 x 3/32 inch

2шт.

Part of Attaching Kit, P/N H668475

1шт.

12

H71241

DRAG LINK

LINK - belt adjuster

2шт.

Part of Attaching Kit, P/N H668475

1шт.

13

413-424

BOLT,Hex, 1/4" - 20 x 1-1/2", Gr 5

1шт.

Part of Attaching Kit, P/N H668475

1шт.

15

495-11028

WASHER,1/4", SAE

(flat, 9/32 x 5/8 x 1/16") 1/4", SAE

3шт.

Part of Attaching Kit, P/N H668475

1шт.

16

230-4214

LOCK NUT,1/4"-20, GA

NUT, LOCK, 1/4"-20, GA

2шт.

Part of Attaching Kit, P/N H668475

1шт.

17

H665943

LEVER

- belt adjusting

1шт.

Part of Attaching Kit, P/N H668475

1шт.

18

413-532

BOLT,Hex, 5/16" - 18 x 2", Gr 5

1шт.

Part of Attaching Kit, P/N H668475

1шт.

19

230-4215

NUT,5/16"-18, GA

NUT - hex, self-locking, 5/16 inch NC

1шт.

Part of Attaching Kit, P/N H668475

1шт.

20

H668442

PUMP, WATER

PUMP ASSEMBLY - water, parts list Fig. 9-98

1шт.

Part of Attaching Kit, P/N H668475

1шт.

21

413-620

BOLT,Hex, 3/8" - 16 x 1-1/4", Gr 5

- hex, 3/8 NC x 1-1/4 inch

4шт.

Part of Attaching Kit, P/N H668475

1шт.

22

230-4216

LOCK NUT,3/8"-16, GA

NUT - hex, self-locking, 3/8 inch NC

4шт.

Part of Attaching Kit, P/N H668475

1шт.

23

H87494

SHEAVE

- drive and driven

2шт.

Part of Attaching Kit, P/N H668475

1шт.

24

T13450

KEY

- square, 1/4 x 1-1/4 inch long, sheave

2шт.

Part of Attaching Kit, P/N H668475

1шт.

25

H88005

BELT

- pump drive

1шт.

Part of Attaching Kit, P/N H668475

1шт.

26

221-1211

FITTING

NIPPLE - straight, 3/4 PT x 1-3/8 inch

2шт.

Part of Attaching Kit, P/N H668475

1шт.

27

221-1378

ELBOW,90º, 3/4" NPT

- pipe, 90 degree, 3/4 inch

2шт.

Part of Attaching Kit, P/N H668475

1шт.

28

H78295

HOSE

- 914 mm (36 inch) long

1шт.

Part of Attaching Kit, P/N H668475

1шт.

29

214-1420

HOSE CLAMP,#20, 0.81" - 1.75", Type F Worm

CLAMP, HOSE, , Adj. #20, 0.81/1.75 Type F Worm

1шт.

Part of Attaching Kit, P/N H668475

1шт.

30

H78303

COUPLING

COUPLER - quick disconnect, 3/4 inch ID hose barb

1шт.

Part of Attaching Kit, P/N H668475

1шт.

31

H88104

GASKET

- coupler

1шт.

Part of Attaching Kit, P/N H668475

1шт.

32

H78311

CLAMP

COUPLER - quick disconnect, 3/4 inch PT adapter

1шт.

Part of Attaching Kit, P/N H668475

1шт.

33

H522367

COUPLING

COUPLER ASSEMBLY - water, wet boring, attachers to U-joint on gearbox, parts list Fig. 9-102

1шт.

34

H669119

BELT

GUARD - belt, Hydra-Borer water pump

1шт.

Part of Attaching Kit, P/N H668475

1шт.

35

413-876

BOLT,Hex, 1/2" - 13 x 4-3/4", Gr 5

- hex, 1/2 NC x 4-3/4 inch

1шт.

Part of Attaching Kit, P/N H668475

1шт.

36

496-21053

WASHER,17/32" x 1 1/16" x .134"

- flat, 17/32 x 1-1/16 x 1/8 inch, hardened

1шт.

Part of Attaching Kit, P/N H668475

1шт.

37

230-4218

LOCK NUT,1/2"-13, GA

NUT - hex self-locking, 1/2 inch NC

1шт.

Part of Attaching Kit, P/N H668475

1шт.

38

413-548

BOLT,Hex, 5/16" - 18 x 3", Gr 5

- hex, 5/16 NC x 3 inch

1шт.

Part of Attaching Kit, P/N H668475

1шт.

39

495-11034

WASHER,5/16", SAE

5/16" SAE (flat, 11/32 x 11/16 x 1/16")

1шт.

Part of Attaching Kit, P/N H668475

1шт.

40

230-4215

NUT,5/16"-18, GA

NUT - hex, self-locking, 5/16 inch NC

1шт.

Part of Attaching Kit, P/N H668475

1шт.

H668475

ATTACHMENT

KIT - water pump attaching, Includes: Ref. 1, 4 - 32 and 34 - 40

1шт.

14

413-420

BOLT,Hex, 1/4" - 20 x 1-1/4", Gr 5

1шт.

Part of Attaching Kit, P/N H668475

1шт.

Выбрано товаров: 0