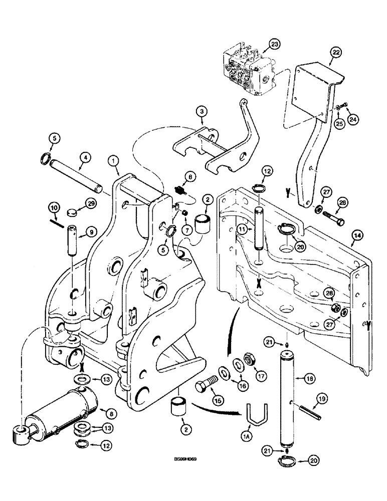
Запчасти Case 660 (9-106) - PLOW SWING TOWER AND MOUNTING BRACKET, FOR ALL TRENCHERS EXCEPT INTEGRAL QUAD (09) - CHASSIS/ATTACHMENTS

Схема запчастей Case 660 - (9-106) - PLOW SWING TOWER AND MOUNTING BRACKET, FOR ALL TRENCHERS EXCEPT INTEGRAL QUAD (09) - CHASSIS/ATTACHMENTS
1
21
1a
7
24
9
25
18
x
13
19
2
14
29
x
27
23
y
13
2
15
12
16
20
y
4
6
8
26
11
28
27
5
3
12
10
20
22
5
21
17
FIT
1:1
100%

Артикул

Название

Примечание

Количество

1

H673803

FRAME

TOWER - plow swing, Includes: Ref. 1A

1шт.

1a

348957A1

BRACKET

- tiedown, frame

1шт.

2

H433644

BUSHING

- Teflon fabric lined, plow swing tower

2шт.

3

H673804

LATCH

- transport, plow lift arm, see Fig. 9-98C for plow lift arm and mounting

1шт.

4

H434493

PIN

- transport latch

1шт.

5

103-16125

SNAP RING,#125, Ext

Ring, Snap, , Transport latch pin #125, Ext

2шт.

6

H359216

MOUNTING PARTS

INSULATOR - latch

1шт.

7

231-5145

SERRATED NUT,Flg, USR, 5/16"-18

NUT - hex serrated flange, 5/16 inch NC

1шт.

8

H673704

CYLINDER,101.6 mm ID x 327 mm L

ASSEMBLY - 102 (4) ID x 152 mm (6 inch) stroke, plow swing, parts list Fig. 8-36

2шт.

9

H436865

PIN

- plow swing cylinder, rod end

2шт.

10

38-32440

PIN,3/8" x 2 1/2", Coiled

2шт.

11

H434801

PIN

- pivot, swing cylinder, closed end

2шт.

12

103-16125

SNAP RING,#125, Ext

Ring, Snap, , Plow swing cylinder closed end pin #125, Ext

4шт.

13

495-81209

WASHER,1.31" ID x 2.5" OD x 0.13" Thk

- flat, 1-5/16 x 2-1/2 x 5/32 inch

6шт.

14

H673800

PLATE

BRACKET - mounting, plow

1шт.

15

413-1656

BOLT,Hex, 1" - 8 x 3-1/2", Gr 5

- hex, 1 NC x 3-1/2 inch

6шт.

16

D36505

WASHER,26.99mm ID x 47.63mm OD x 2.38mm Thk

- flat, special, 1-1/16 x 1-7/8 x 9/64 inch

12шт.

17

232-41116

LOCK NUT,1"-8, GC

NUT, LOCK, 1"-8, GC

6шт.

18

H436866

PIN

- plow swing

1шт.

19

38-34064

PIN,5/8" x 4", Coiled

1шт.

20

103-16200

SNAP RING,#200, Ext

Ring, Snap, , Plow swing pin #200, Ext

2шт.

21

219-8

LUBE NIPPLE,1/4" - 28 NPTF

NIPPLE, LUBE, , straight, taper 1/4"-28 NPT x .54" lg

2шт.

22

H675019

PEDESTAL

BRACKET - mounting, plow control valve

1шт.

23

H674318

VALVE

ASSEMBLY - control, plow, parts list Figs. 8-92 - 8-98

1шт.

24

414-512

BOLT,Hex, 5/16" - 24 x 3/4", Gr 5

2шт.

25

H426775

WASHER

- flat, special, hardened

2шт.

26

426-1044

BOLT,Hex, 5/8" - 11 x 2-3/4", Gr 8

- hex, 5/8 NC x 2-3/4 inch, grade 8

2шт.

27

H426809

SPACER

WASHER - flat, special

4шт.

28

232-41110

NUT,5/8"-11, GC

NUT, LOCK, 5/8"-11, GC

2шт.

29

41-1620

PLUG,Cup, 1 1/4", Stainless

- cup, 1-1/4 inch diameter

2шт.

Выбрано товаров: 30