Запчасти Case 660 (9-110) - PLOW MOTOR, GEARBOX AND BLADE MOUNTING, FOR ALL TRENCHERS EXCEPT INTEGRAL QUAD (09) - CHASSIS/ATTACHMENTS

Схема запчастей Case 660 - (9-110) - PLOW MOTOR, GEARBOX AND BLADE MOUNTING, FOR ALL TRENCHERS EXCEPT INTEGRAL QUAD (09) - CHASSIS/ATTACHMENTS
5
6
5
11
8
5
25
19
26
20
12
7
22
23
27
7
18
6
5
10
29
16
6
6
25
23
6
24
14
13
21
4
10
7
5
2
24
7
25
11
1
9
25
6
30
6
31
3
23
28
16
15
FIT
1:1
100%

Артикул

Название

Примечание

Количество

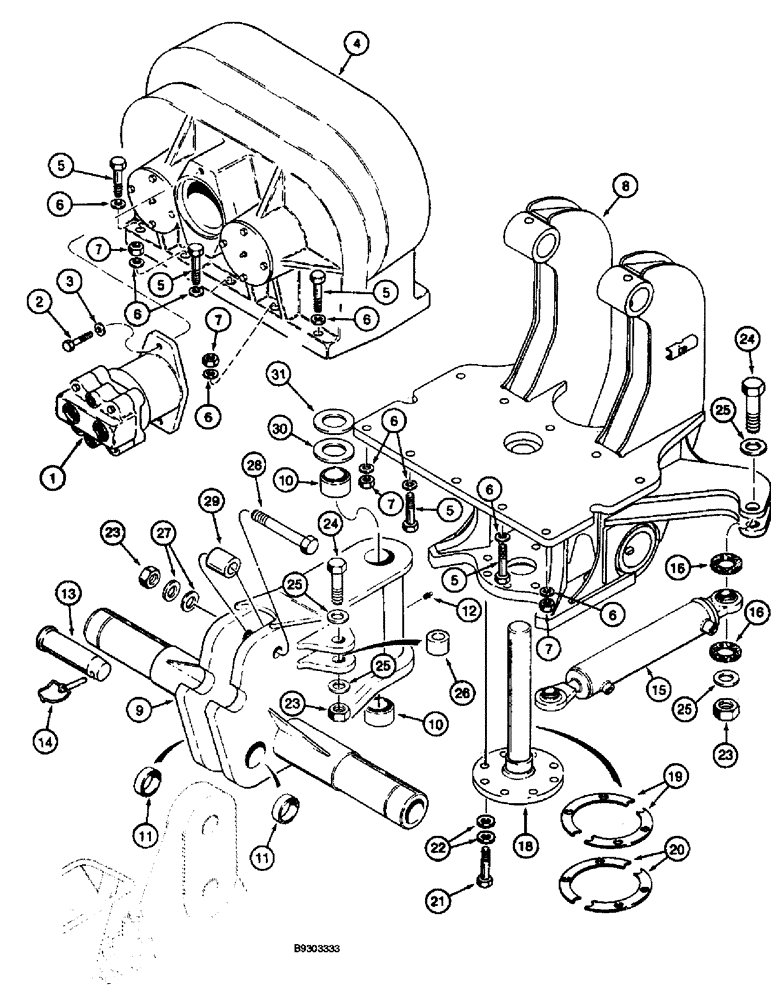
1

H673911

HYDRAULIC MOTOR

MOTOR ASSEMBLY - plow, parts list Fig. 8-104

1шт.

2

413-832

BOLT,Hex, 1/2" - 13 x 2", Gr 5

2шт.

3

H274894

WASHER

- flat, special

2шт.

4

H674911

BOX

GEARBOX ASSEMBLY - plow shaker, parts list Fig. 9-114

1шт.

5

426-1044

BOLT,Hex, 5/8" - 11 x 2-3/4", Gr 8

- hex, 5/8 NC x 2-3/4 inch, grade 8

10шт.

6

H426809

SPACER

WASHER - flat, special

10шт.

7

232-41110

NUT,5/8"-11, GC

NUT, LOCK, 5/8"-11, GC

10шт.

8

108915A3

FRAME

- plow gearbox mounting

1шт.

105966A1

MOUNTING PARTS

BRACKET - plow blade mounting, see Machinery Price List for plow blade and chute information, Includes: Ref. 9 - 11

1шт.

9

NSS

NOT SOLD SEPARAT

BRACKET - plow blade mounting

1шт.

10

105870A1

BUSHING

- bracket, upper and lower

2шт.

11

H437099

BUSHING

- bracket, sides

2шт.

12

219-8

LUBE NIPPLE,1/4" - 28 NPTF

NIPPLE, LUBE, , straight, taper 1/4"-28 NPT x .54" lg

1шт.

13

H437057

PIN

- plow blade retaining

2шт.

14

D130037

HEADED PIN,8.73mm OD

PIN - locking, plow blade retaining pin

2шт.

15

H674932

STEERING CYLINDER

CYLINDER ASSEMBLY - 64 (2-1/2) ID x 203 mm (8 inch) stroke, plow blade steering, if used, parts list Fig. 8-103

1шт.

16

H438420

WASHER

- special, cylinder closed end, used with Ref. 15

2шт.

17

111620A1

CYLINDER

ASSEMBLY - 63.5 (2-1/2) ID x 203 mm (8 inch) stroke, plow blade steering, if used, not shown, uses Ref. 26 spacer, parts list Fig. 8-103A

1шт.

18

104797A2

AXLE

PIN - plow blade pivot

1шт.

19

104799A2

SHIM

- 1/32 inch thick

1шт.

20

105866A2

SHIM

- 7/64 inch thick

1шт.

21

413-1028

BOLT,Hex, 5/8" - 11 x 1-3/4", Gr 5

- hex, 5/8 NC x 1-3/4 inch

4шт.

22

495-11066

WASHER,5/8", SAE

- flat, 21/32 x 1-5/16 x 3/32 inch

1шт.

23

232-41116

LOCK NUT,1"-8, GC

NUT, LOCK, 1"-8, GC

4шт.

24

413-1660

BOLT,Hex, 1" - 8 x 3-3/4", Gr 5

- hex, 1 NC x 3-3/4 inch

2шт.

25

D36505

WASHER,26.99mm ID x 47.63mm OD x 2.38mm Thk

- flat, special, 1-1/16 x 1-7/8 x 9/64 inch

4шт.

26

114879A1

SPACER

- rod end, used with item 17 hydraulic cylinder

1шт.

27

H435357

WASHER

- disc-locking, special

6шт.

28

413-1696

BOLT,Hex, 1" - 8 x 6", Gr 5

- hex, 1 NC x 6 inch

3шт.

29

H435475

SPACER

- blade mounting bracket

1шт.

30

H150151

WASHER

- thrust, hardened

1шт.

31

H340877

WASHER

- thrust, 3.18 mm (0.125 inch) thick

1шт.

Выбрано товаров: 32