Запчасти Case 660 (2-31G) - CYLINDER BLOCK, 4-390 EMISSIONS CERTIFIED ENGINE, USE WITH FUEL INJECTION PUMP J935677 (02) - ENGINE

Схема запчастей Case 660 - (2-31G) - CYLINDER BLOCK, 4-390 EMISSIONS CERTIFIED ENGINE, USE WITH FUEL INJECTION PUMP J935677 (02) - ENGINE
7
4
36
40
6
41
5
37
20
13
14
8
15
22
18
6
19
17
21
9a
12a
25
23
7
35
39
10
31
6
19a
34
24
16a
2
7
38
26
16
42
32
3
11
9
33
1
12
FIT
1:1
100%

Артикул

Название

Примечание

Количество

326954A1

ENGINE ASSEMBLY

ENGINE ASSY ENGINE ASSEMBLY - 4-390 Emissions Certified, complete, for service order 339852A1 basic service engine below

1шт.

The engine part number is stamped on a metal tag which is mounted on the front gear cover.

1шт.

1989091C3R

REMAN-BASIC ENGINE

Engine Assembly basic, remanufactured, component parts shown on this page do not apply to the remanufactured assembly; See Note

1шт.

1989091C3C

CORE-BASIC ENGINE

Return Part Number use this part number to return basic engine core for credit when using a remanufactured assembly

1шт.

339851A1

ENGINE ASSEMBLY

ENGINE ASSY ENGINE ASSEMBLY - basic, includes all parts except starter, alternator, fan, fan belt, air cleaner, muffler, exhaust manifold, dipstick, fuel injection pump, injectors and lines, front pulley and belt tensioner

1шт.

JR935600

REMAN-SHORT ENGINE

Block Assembly short, remanufactured, component parts shown on this page do not apply to the remanufactured assembly, used with engine serial number 45705902 and after

1шт.

4-390-SHBC

CORE-SHORT ENGINE

Return Part Number use this part number to return short block core for credit when using a remanufactured assembly

1шт.

J935600

SHORT ENGINE

BLOCK ASSEMBLY - short, new, includes stripped block, pistons, connecting rods and bearings, crankshaft and bearings, used with engine serial number 45705902 and after, Includes: Ref. 1 - 8

1шт.

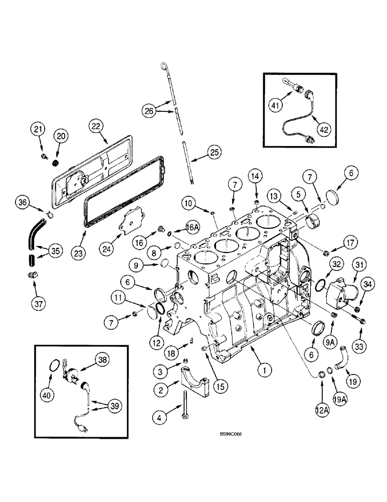
1

87444172

BLOCK ASSY.

BLOCK ASSEMBLY - stripped, engine, order J933220 block hardware kit shown below also, Includes: Ref. 2

1шт.

2

J903492

BEARING CAP

CAP - main bearing

5шт.

3

J900068

BEARING WASHER

RING - dowel, 18 mm OD, main bearing, Serial Range: cap-block

10шт.

4

J927948

BOLT,Flng, MJ12 x 1.5H6H x 119mm, Cl 12.9

SCREW, , Main bearing cap, Special Hex Flg Hd, M12 x 1.5 x 119

10шт.

5

REF

INSTRUCTION

BUSHING - camshaft front, see Fig. 2-27A, Ref. 2

1шт.

6

A77782

PLUG

PLUG - expansion, 58 mm OD

1шт.

7

J900956

PLUG

PLUG - expansion, 18 mm OD

3шт.

8

41-1616

PLUG,Cup, 1", Stainless

PLUG, Cup, 1", Stainless

2шт.

J933220

PACKAGE,SERVICE

KIT - block hardware, Includes: Ref. 9 - 18

1шт.

9

J900958

PLUG

PLUG - expansion, 32 mm OD

2шт.

9a

A77505

PLUG

PLUG - hex socket, 3/4 inch PT

1шт.

10

J900955

PLUG

PLUG - expansion, 10 mm OD

1шт.

11

172599

PLUG,Exp, 2 3/8"

PLUG - expansion, Welch, 60 mm OD

1шт.

12

J926047

O-RING,0.07" Thk x 2.239" ID

O-RING - sealing, 57 mm ID

1шт.

12a

J920706

PLUG

PLUG - expansion, 22 mm OD

1шт.

13

J900257

PIN,10.01mm OD x 16mm L

PIN - dowel, 16 mm long, locating

2шт.

14

J902343

DOWEL

RING - dowel, 16 mm OD

2шт.

15

J900068

BEARING WASHER

RING - dowel, 18 mm OD

2шт.

16

J678923

PLUG,M10 x 1

PLUG - hex socket, 10 mm, Includes: Ref. 16A

3шт.

16a

637-72081

O-RING,1.6mm Thk x 8.1mm ID, Cl 7, 75 Duro

O-RING - 8.1 ID x 1.6 mm wide, Plug

1шт.

17

A77429

PLUG

PLUG - hex socket, 1/2 inch PT

1шт.

17a

J678921

PLUG

PLUG - hex socket, 14 mm, not shown, Includes: Ref. 17B

1шт.

Ref. 17A - 17E are not used in this application.

1шт.

17b

J678912

O-RING,2.2mm Thk x 11.3mm ID

O-RING, , Sealing, Not shown 11.3MM ID x 2.2 Thk

1шт.

Ref. 17A - 17E are not used in this application.

1шт.

17c

J932296

PLUG

PLUG - timing sensor hole, not shown, Includes: Ref. 17D

1шт.

Ref. 17A - 17E are not used in this application.

1шт.

17d

J330478

O-RING,0.07" Thk x 0.676" ID

O-RING - sealing, not shown

1шт.

Ref. 17A - 17E are not used in this application.

1шт.

17e

844-8016

BOLT,Hex, M8 x 16mm, Cl 8.8

BOLT - heavy hex flange, 8 - 1.25 x 16 mm, Not shown

1шт.

Ref. 17A - 17E are not used in this application.

1шт.

18

J930139

NOZZLE CAP

NOZZLE - piston cooling

4шт.

19

J931973

TUBE,0.875" OD

TUBE - turbocharger oil drain, not used in this application, Ref. 12A plug is installed in this port

1шт.

19a

J931824

O-RING,0.07" Thk x 0.739" ID, -18, Cl 7, 75 Duro

O-RING - sealing, 18 mm ID, not used in this application

1шт.

20

J900267

SEAL

SEAL - cover bolt

4шт.

21

845-8016

BOLT,Hvy Hex, M8 x 16mm, Cl 8.8

BOLT - heavy hex flange, 8 - 1.25 x 16 mm

2шт.

22

J925680

COVER

COVER - tappet

1шт.

23

J283767

GASKET,7.4mm Thk

GASKET - tappet cover

1шт.

24

J907586

BAFFLE

BAFFLE - tappet cover

1шт.

25

J905127

TUBE,9.52 mm OD x 180 mm L

TUBE - dipstick

1шт.

26

J904287

DIPSTICK

DIPSTICK - oil level gauge

1шт.

31

J934877

HYD CONNECTOR

CONNECTION - water inlet, replaces J903102 connection

1шт.

32

J906697

SEAL,Square, 5.16mm Thk x 50.17mm ID

O-RING - sealing, 50 mm ID

1шт.

33

854-10075

BOLT,Hvy Hex, M10 x 75mm, Cl 10.9

BOLT - heavy hex flange, 10 - 1.5 x 75 mm, class 10.9

3шт.

34

A77429

PLUG

PLUG - hex socket, 1/2 inch PT

2шт.

35

J918612

TUBE,360.00 mm

Breather

1шт.

36

J904230

CLAMP,25.4mm

CLAMP - spring, hose

1шт.

37

J928989

CLIP

CLIP - retaining

1шт.

37a

J905369

PLUG

PLUG - expansion, 37 mm OD, installed in oil fill hole on left side of engine block, not shown

1шт.

196803A1

KIT

KIT - engine block heater, Includes: Ref. 38 - 40

1шт.

38

NSS

NOT SOLD SEPARAT

ELEMENT - engine heater, 120 volt, 750 watt

1шт.

39

196466A1

ELECTRIC CABLE

CABLE - engine block heater

1шт.

40

J910517

O-RING

O-RING - heater sealing

1шт.

309651A1

KIT

KIT - engine block heater

1шт.

41

NSS

NOT SOLD SEPARAT

ELEMENT - engine heater, 120 colt 750 watt

1шт.

Install Ref. 41 element in place of Ref. 9A, A77505 plug.

1шт.

42

196466A1

ELECTRIC CABLE

CABLE - engine block heater

1шт.

Выбрано товаров: 65