Запчасти Case 660 (3-11C) - FUEL INJECTION PUMP, 4-390 EMISSIONS CERTIFIED ENGINE (03) - FUEL SYSTEM

Схема запчастей Case 660 - (3-11C) - FUEL INJECTION PUMP, 4-390 EMISSIONS CERTIFIED ENGINE (03) - FUEL SYSTEM
9
33
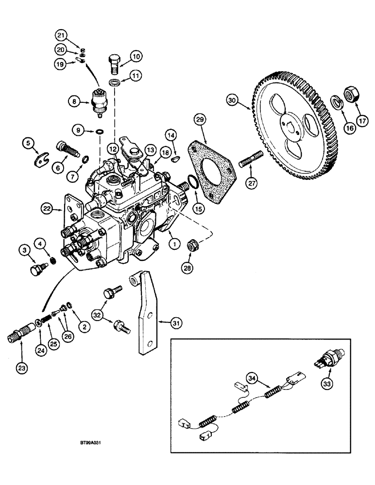
27
1
4
17
20
32
23
21
29
11
7
15
30
34
16
5
18
6
13
24
14
22
28
3
10
19
8
2
26
12
31
25
FIT
1:1
100%

Артикул

Название

Примечание

Количество

1

J935677

PUMP, FUEL INJECTION

PUMP, INJECTION PUMP ASSEMBLY - fuel injection, new, Includes: Ref. 2 - 26

1шт.

1

JR935677

REMAN-INJECTION PUMP

PUMP ASSEMBLY - fuel injection, remanufactured component parts shown on this figure do not apply to the remanufactured assembly

1шт.

1

JC935677

CORE-INJECTION PUMP

Return Number

1шт.

2

J903570

GASKET,5.4mm ID x 12mm OD x 1mm Thk

GASKET - delivery valve

4шт.

3

J903572

BLEED SCREW,M8 x 1 x 23.10mm

SCREW - vent

1шт.

4

3053133R1

SEALING RING,M8 x 11.5 x 1

RING - gasket, vent screw

1шт.

5

J904786

PLATE

PLATE - timing lock

1шт.

6

J904784

SCREW,Hex Skt, M10 x 1 x 35mm

SCREW - timing lock

1шт.

7

J904785

O-RING,8 mm ID x 2.5 mm

O-RING - timing lock screw

1шт.

8

A77753

SOLENOID

SOLENOID ASSEMBLY - shut down, 12 volt, component parts not serviced separately

1шт.

9

J903577

SEAL

SEAL - solenoid

1шт.

10

J905465

BANJO BOLT

BOLT - banjo, overflow

1шт.

11

NSS

NOT SOLD SEPARAT

WASHER - overflow screw

1шт.

12

J904782

SET SCREW,Sl, M6 x 40mm, Half Dog Pt

SCREW - low idle stop

1шт.

13

J904783

NUT

NUT - low idle screw

1шт.

14

836-4065

WOODRUFF KEY,M4 x 6.5 x 15.72

WOODRUFF KEY, , Pump gear M4 x 6.5 x 15.72

1шт.

15

J920393

SEAL

SEAL - shaft

1шт.

16

892-11014

LOCK WASHER,14.5mm ID x 24.1mm OD x 4.5mm Thk

WASHER - lock, 14 mm

1шт.

17

J903738

NUT

NUT - hex, special, 14 mm - 2.0

1шт.

18

J903382

ADAPTER,M12 x 1.5 x M14 x 1.5

ADAPTER - tube

1шт.

19

A187990

TERMINAL CONNECTOR,Tin, 0.254 - 1.520mm

TERMINAL - , D+ adapter Male

1шт.

20

J907481

WASHER

WASHER - lock, special, solenoid wire

1шт.

21

J907480

NUT

NUT - special, solenoid wire

1шт.

22

J905696

SUPPORT

BRACKET - pump support

1шт.

23

J910794

FITTING

FITTING - bypass delivery valve

4шт.

24

3059066R1

WASHER,2.5mm ID x 7.3mm OD x 1.5mm Thk

WASHER - special, used as shim

4шт.

25

J910796

SPRING

SPRING - delivery valve

4шт.

26

J910795

BY-PASS VALVE

VALVE - bypass delivery

4шт.

27

J902501

STUD

STUD - pump mounting, 8 - 1.25 x 48 mm

3шт.

28

825-2408

FLANGE NUT,M8 x 1.25, Flg, Cl 8

NUT, M8 x 1.25", Flg, Cl 8

3шт.

29

J931607

GASKET

GASKET - pump mounting

1шт.

30

J936021

GEAR

GEAR - pump drive, replaces J931387 gear

1шт.

31

J905313

LEVER

BRACE - fuel pump

1шт.

32

845-8020

BOLT,Hvy Hex, M8 x 20mm, Cl 8.8

BOLT - heavy hex flange, 8 - 1.25 x 20 mm

3шт.

33

J915945

SWITCH

SWITCH - thermo

1шт.

34

J918364

HARNESS

HARNESS - wiring

1шт.

Выбрано товаров: 36