Запчасти Case 660 (4-08) - STARTER AND ALTERNATOR MOUNTING (04) - ELECTRICAL SYSTEMS

Схема запчастей Case 660 - (4-08) - STARTER AND ALTERNATOR MOUNTING (04) - ELECTRICAL SYSTEMS
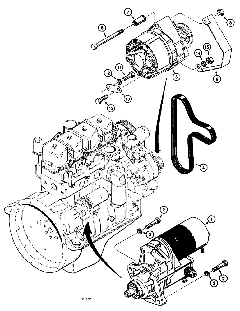
4
11
14
13
2
5
8
7
3
10
2
12
6
1
9
15
3
FIT
1:1
100%

Артикул

Название

Примечание

Количество

1

REF

INSTRUCTION

STARTER ASSEMBLY - engine, new, for correct assembly and components, see Fig. 4-2

1шт.

2

814-10040

BOLT,Hex, M10 x 1.5 x 40mm, Cl 8.8

2шт.

3

892-11010

LOCK WASHER,M10

2шт.

4

J903091

V-BELT,3.56 mm W x 1422.40 mm L, 8 Ribs

Fan and Alternator 3.56 mm W x 1422.40 mm L, 8 Ribs

1шт.

5

A187873

ALTERNATOR,12V, 65A

ASSEMBLY - engine, 65 ampere, parts list Fig. 4-6

1шт.

5

A187873GV

ALTERNATOR

Value, 65A

1шт.

6

813-10110

BOLT,Hex, M10 x 1.5 x 110mm, Cl 8.8

- hex, 10 - 1.5 x 110 mm

1шт.

7

J902469

SPACER

- alternator mounting

1шт.

8

832-46410

NUT,M10 x 1.5, Cl 8

NUT, LOCK, M10 x 1.5, Cl 8

1шт.

9

H439041

GUARD

- alternator

1шт.

10

J903089

SUPPORT

BRACE - alternator mounting

1шт.

11

614-8025

BOLT,Hex, M8 x 1.25 x 25mm, Cl 8.8, Full Thd

- hex, full threads, 8 - 1.25 x 25 mm

1шт.

12

492-11031

LOCK WASHER,5/16"

WASHER, LOCK, 5/16"

1шт.

13

814-8035

BOLT,Hex, M8 x 1.25 x 35mm, Cl 8.8

- hex, 8 - 1.25 x 35 mm

1шт.

14

492-11031

LOCK WASHER,5/16"

WASHER, LOCK, 5/16"

1шт.

15

825-1408

NUT,M8, Cl 8

1шт.

Выбрано товаров: 16