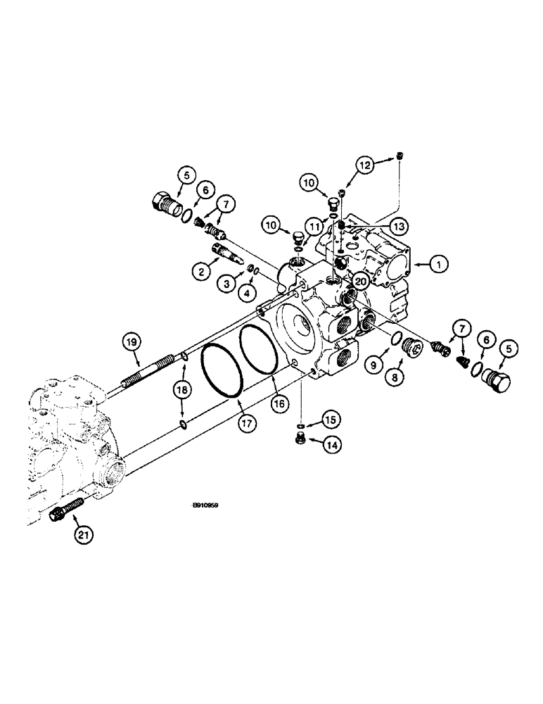
Запчасти Case 660 (6-16) - TANDEM PUMP - H673751, REAR DRIVE PUMP, HOUSING AND VALVES (06) - POWER TRAIN

Схема запчастей Case 660 - (6-16) - TANDEM PUMP - H673751, REAR DRIVE PUMP, HOUSING AND VALVES (06) - POWER TRAIN
10
3
21
6
12
14
1
15
7
7
20
9
16
2
5
6
8
11
5
18
10
4
13
19
17
FIT
1:1
100%

Артикул

Название

Примечание

Количество

H673751

PUMP

ASSEMBLY - tandem, includes all items on Figs. 6-10 - 6-20, Includes: Ref. 1 - 21

1шт.

1

100712A1

HOUSING

- rear drive pump

1шт.

2

H436099

VALVE

- bypass

1шт.

3

S99877

BACK-UP RING,Split, 9.91mm ID x 12.65mm OD x 1.32mm Thk

- backup, bypass valve

1шт.

4

238-6012

O-RING,0.07" Thk x 0.364" ID, -12, Cl 6, 90 Duro

1шт.

H436100

VALVE

ASSEMBLY - relief, 2540 psi, "D" port

1шт.

H436101

VALVE POPPET

VALVE ASSEMBLY - relief, 5000 psi, "C" port, Includes: Ref. 6 and 7

1шт.

5

NSS

NOT SOLD SEPARAT

PLUG - hex head, special, Includes: Ref. 6

1шт.

6

237-6012

O-RING,0.116" Thk x 0.924" ID, -912, Cl 6, 90 Duro

12-1, 90 Duro, .924 ID x .116" Thk

1шт.

7

NSS

NOT SOLD SEPARAT

VALVE - relief, pump

1шт.

8

9841223

PLUG,1-1/16" - 12 ORB

Incl. Ref. 9 Hex Soc, 1 1/16"-12 ORB

2шт.

9

237-6012

O-RING,0.116" Thk x 0.924" ID, -912, Cl 6, 90 Duro

12-1, 90 Duro, .924 ID x .116" Thk

1шт.

10

76349

PLUG,9/16" - 18 ORB

Incl. Ref. 11 Hex Hd, 9/16"-18 ORB

2шт.

11

237-6006

O-RING,0.078" Thk x 0.468" ID, -906, Cl 6, 90 Duro

6-1, 90 Duro, .468" ID x .078" Thk

1шт.

12

F23137

PLUG

- pipe, special

2шт.

13

H435773

PLUG

- orifice

1шт.

14

9672438

PLUG,7/16" - 20 ORB

Incl. Ref. 15 Hex Hd, 7/16"-20 ORB

2шт.

15

237-6004

O-RING,0.072" Thk x 0.351" ID, -904, Cl 6, 90 Duro

4-1, 90 Duro, .351" ID x .072" Thk

1шт.

16

238-6238

O-RING,0.139" Thk x 3.484" ID, -238, Cl 6, 90 Duro

1шт.

17

H437190

O-RING

- cover, large

1шт.

18

238-6116

O-RING,0.103" Thk x 0.737" ID, -116, Cl 6, 90 Duro

Front housing, small -116, 90 Duro, .737" ID x .103" Thk

2шт.

19

K608432

STUD,1/2" - 13 x 4-1/2"

- lifting bracket

1шт.

20

425-108

NUT,1/2" - 13, Gr 5

NUT, , Hex 1/2"-13, G5

1шт.

21

26044R1

12 PT SCREW,Flg, 1/2" - 13 x 2"

BOLT, 12 Pt Flg, 1/2"-13 x 2"

2шт.

Выбрано товаров: 0