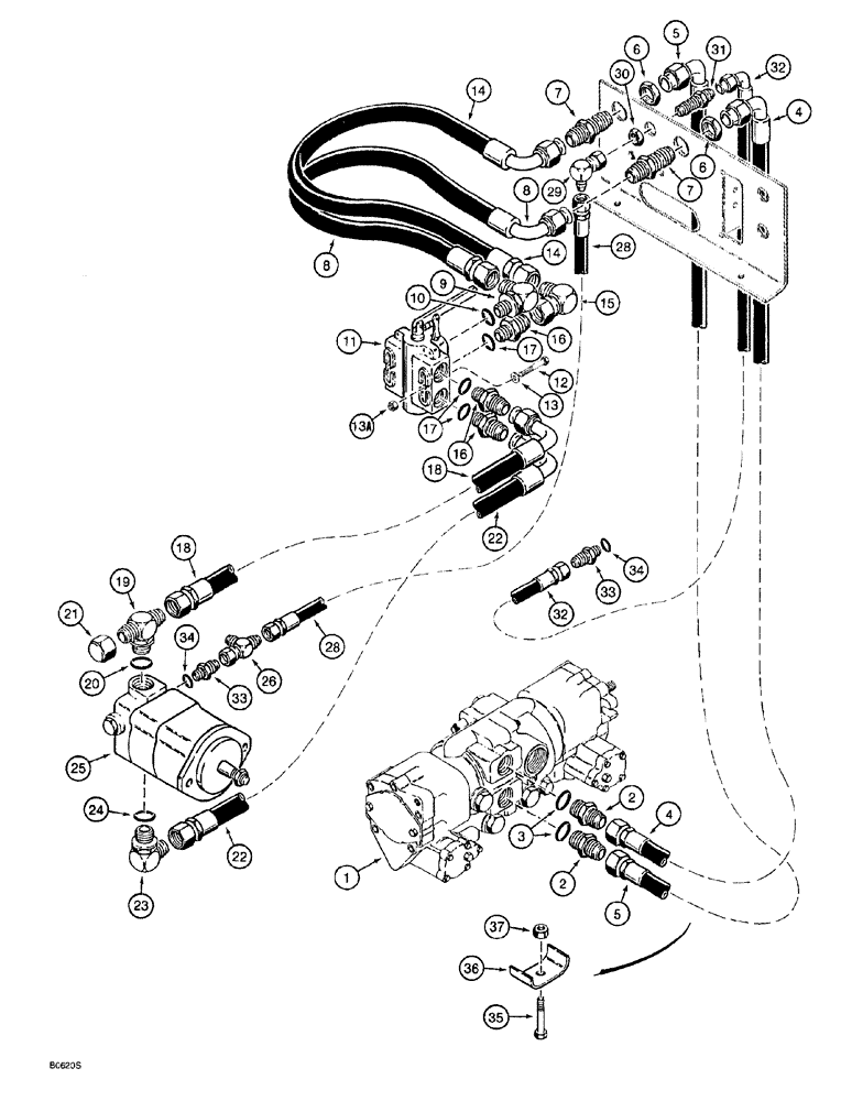
Запчасти Case 760 (08-092) - STANDARD QUAD TRENCHER DRIVE HYDRAULIC CIRCUIT (35) - HYDRAULIC SYSTEMS

Схема запчастей Case 760 - (08-092) - STANDARD QUAD TRENCHER DRIVE HYDRAULIC CIRCUIT (35) - HYDRAULIC SYSTEMS
18
28
7
15
17
37
7
5
36
8
33
16
26
32
23
6
31
28
8
11
20
30
34
13
16
4
34
25
29
33
32
12
9
14
22
2
5
24
21
17
14
3
4
2
10
22
13a
18
6
19
35
1
FIT
1:1
100%

Артикул

Название

Примечание

Количество

1

REF

INSTRUCTION

PUMP ASSEMBLY, tandem, parts list Figs. 6-14 through 6-24, see Fig. 6-12 for identification

1шт.

2

218-5069

HYD CONNECTOR,1-5/16" - 12 Male JIC x 1-5/16" - 12 Male ORB

Straight, Incl. Ref. 3

2шт.

3

237-6016

O-RING,0.116" Thk x 1.171" ID, -916, Cl 6, 90 Duro

1шт.

4

H433606

HOSE

76 inch (1925 mm) long, tandem pump "C" port to right-hand bulkhead adapter

1шт.

5

H433607

HOSE

76 inch (1925 mm) long, tandem pump "D" port to left-hand bulkhead adapter

1шт.

6

218-1250

BHD LOCK NUT,Blkhd, 1 5/16"-12

2шт.

7

218-678

FITTING,Blkhd, 1 5/16"-12, 37 Degree x 1 5/16"-12, 37 Degree

straight, 1-5/16-12 inch flare x bulkhead flare

2шт.

8

H433136

HOSE

44 inch (1125 mm) long, right-hand bulkhead adapter to selector valve

1шт.

9

218-5124

ELBOW,90 Degree Elbow, 1-5/16" - 12 Male JIC x 1-1/16" - 12 Male ORB

Adj. O-ring boss, Includes: Ref. 10

1шт.

10

237-6012

O-RING,0.116" Thk x 0.924" ID, -912, Cl 6, 90 Duro

1шт.

11

H672979

VALVE

ASSEMBLY, selector, trencher/plow, parts list Fig. 8-166

1шт.

12

413-648

BOLT,Hex, 3/8" - 16 x 3", Gr 5

2шт.

13

496-21041

WASHER,13/32" x 13/16" x .089", HDN

2шт.

13a

232-4116

NUT,3/8"-16, GC

2шт.

14

H433685

HOSE

38-3/8 inch (975 mm) long, left-hand bulkhead adapter to selector valve

1шт.

15

218-5234

ELBOW,90 Degree, 1 5/16"-12, 37 Degree x 1 5/16"-12, 37 Degree Fem Sw

ELBOW, 90 degree, 1-5/16-12 inch flare x swivel

1шт.

16

218-5050

HYD CONNECTOR,1-5/16" - 12 Male JIC x 1-1/16" - 12 Male ORB

Straight, Incl. Ref 17

3шт.

17

237-6012

O-RING,0.116" Thk x 0.924" ID, -912, Cl 6, 90 Duro

1шт.

18

H435527

HOSE

24-1/4 inch (615 mm) long, loop, selector valve to trencher motor, upper port

1шт.

19

218-5187

TEE,1-5/16" - 12 Male JIC x 1-5/16" - 12 Male JIC x 1-5/16" - 12 Male ORB

1-5/16-12 inch adj. O-ring branch x flare x flare, Includes: Ref. 20

1шт.

20

237-6016

O-RING,0.116" Thk x 1.171" ID, -916, Cl 6, 90 Duro

1шт.

21

218-758

CAP,37 Degree, 1 5/16"-12

CAP hex, 1-5/16-12 inch

1шт.

22

H435541

HOSE

25-1/2 inch (650 mm) long, loop, selector valve to trencher motor, lower port

1шт.

23

218-5110

ELBOW,90 Degree Elbow, 1-5/16" - 12 Male JIC x 1-5/16" - 12 Male ORB

Adjustable, Incl. Ref. 24

1шт.

24

237-6016

O-RING,0.116" Thk x 1.171" ID, -916, Cl 6, 90 Duro

1шт.

25

REF

INSTRUCTION

MOTOR ASSEMBLY, trencher drive, see Figs.8-108 or 8-112 for correct assembly and components

1шт.

26

218-5220

TEE,37 Degree, 7/8"-14 x 7/8"-14, Fem Sw Run

7/8-14 inch flare branch x flare x swivel

1шт.

28

H211284

HYDRAULIC HOSE,12.70 mm ID x 939.80 mm, SAE 100R1

Trencher Motor Drain

1шт.

29

218-5232

ELBOW,90 Degree, 7/8"-14, 37 Degree x 7/8"-14, 37 Degree Fem Sw

1шт.

30

218-1251

BHD LOCK NUT,Blkhd, 7/8"-14

1шт.

31

218-675

FITTING,Blkhd, 7/8"-14, 37 Degree x 7/8"-14, 37 Degree

ADAPTER straight, 7/8-14 inch flare x bulkhead flare

1шт.

32

H433208

HOSE ASSY.

26 inch (650 mm) long, return, motor drain, bulkhead plate to ground drive motor

1шт.

33

218-5066

HYD CONNECTOR,7/8" - 14 Male JIC x 3/4" - 16 Male ORB

Straight, Incl. Ref. 34

2шт.

34

237-6008

O-RING,0.087" Thk x 0.644" ID, -908, Cl 6, 90 Duro

1шт.

35

413-844

BOLT,Hex, 1/2" - 13 x 2-3/4", Gr 5

hex, 1/2 NC x 2-3/4 inch

1шт.

36

H231878

CLAMP

hoses, used to clamp Refs. 4 and 5 to underside of right-hand transmission mounting bracket

1шт.

37

230-4218

LOCK NUT,1/2"-13, GA

hex, self-locking, 1/2 inch NC

1шт.

Выбрано товаров: 37