Запчасти Case 760 (08-135A) - PLOW HYD. CIRCUIT PLOW CNTRL VALVE SUPPLY & RETURN LINES UNITS W/O QUAD OPTION, PIN JAF0104938 & AFT (35) - HYDRAULIC SYSTEMS

Схема запчастей Case 760 - (08-135A) - PLOW HYD. CIRCUIT PLOW CNTRL VALVE SUPPLY & RETURN LINES UNITS W/O QUAD OPTION, PIN JAF0104938 & AFT (35) - HYDRAULIC SYSTEMS
8
7
6
8
7
7
6
4
3
7
9
5
2
5
1
10
1
FIT
1:1
100%

Артикул

Название

Примечание

Количество

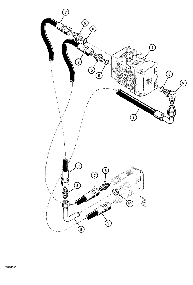
1

H438246

HOSE ASSY.

26 inch (660 mm) long, plow control valve supply

1шт.

2

218-5123

ELBOW,90 Degree Elbow, 1-1/16" - 12 Male JIC x 7/8" - 14 Male ORB

ELBOW, 90 degree, 1-1/16-12 flare x 7/8-14 inch adj. O-ring boss, Includes: Ref. 3

1шт.

3

237-6012

O-RING,0.116" Thk x 0.924" ID, -912, Cl 6, 90 Duro

1шт.

4

H674318

VALVE

ASSEMBLY, control, parts list Figs. 8-165A through 8-165G, see Fig.9-123A for control valve mounting

1шт.

5

218-5062

HYD CONNECTOR,7/8"-14, 37 Degree x 7/8"-14, O-Ring

straight, 7/8-14 inch flare x O-ring boss, Includes: Ref. 6

2шт.

6

237-6010

O-RING,0.097" Thk x 0.755" ID, -910, Cl 6, 90 Duro

1шт.

7

H438087

HOSE ASSY.

50 inch (1270 mm long), used on units without quad option

2шт.

8

218-737

UNION,1 1/16"-12, 37 Degree x 1 1/16"-12, 37 Degree

straight, 1-1/16-12 inch flare

2шт.

9

D63870

TUBE

hose conector, used with return hose

1шт.

10

214-1412

HOSE CLAMP,#12, 0.69" - 1.25", Type F Worm

1шт.

Выбрано товаров: 10