Запчасти Case 760 (09-070) - TRENCHER BOOMS AND MOUNTING, ROCK BOOM - 4 FOOT (89) - TOOLS

Схема запчастей Case 760 - (09-070) - TRENCHER BOOMS AND MOUNTING, ROCK BOOM - 4 FOOT (89) - TOOLS
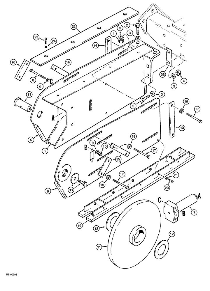
1
3
15
5
3
14
2
11
4
17
4
7
16
11
3
16
9
12
11
10
18
18
21
13
17
19
24
20
9
2
23
25
3
18
12
22
8
17
6
FIT
1:1
100%

Артикул

Название

Примечание

Количество

1

H672694

BOOM

trencher, rock, 4 foot

1шт.

2

413-1244

BOLT,Hex, 3/4" - 10 x 2-3/4", Gr 5

hex, 3/4 NC x 2-3/4 inch

6шт.

3

D34666

WASHER,33.34mm ID x 63.5mm OD x 2.38mm Thk

flat, special

12шт.

4

232-41112

NUT,3/4"-10, GC

6шт.

5

H672976

PLATE

rock boom end, left-hand

1шт.

6

H672970

PLATE

rock boom end, right-hand

1шт.

7

H672751

CYLINDER

ADJUSTER ASSEMBLY, chain, rock boom, parts list Fig. 9-76

1шт.

8

413-880

BOLT,Hex, 1/2" - 13 x 5", Gr 5

hex, 1/2 NC x 5 inch

2шт.

9

H274894

WASHER

flat, special

4шт.

10

232-4118

NUT,1/2"-13, GC

2шт.

11

H672962

ROLLER

ASSEMBLY, rock boom end, parts list Fig. 9-74

1шт.

12

H435229

WASHER,80.2mm ID x 140mm OD x 1.58mm Thk

flat, special, boom end roller

2шт.

13

H434510

BAR

boom end plate retaining, long, right-hand

1шт.

14

H434511

BAR

boom end plate retaining, long, tapped, left-hand

1шт.

15

H434671

BAR

boom end plate retaining, short, right-hand

2шт.

16

H434555

BAR

boom end plate retaining, short, tapped, left-hand

2шт.

17

426-1088

BOLT,Hex, 5/8" - 11 x 5-1/2", Gr 8

hex, 5/8 NC x 5-1/2 inch, grade 8

6шт.

18

H434670

LOCK WASHER

disc locking, special

6шт.

19

H672693

CHANNEL

wear pad, lower

1шт.

20

413-620

BOLT,Hex, 3/8" - 16 x 1-1/4", Gr 5

10шт.

21

496-21041

WASHER,13/32" x 13/16" x .089", HDN

10шт.

22

H434549

BAR

PAD wear, upper

1шт.

23

413-616

BOLT,Hex, 3/8" - 16 x 1", Gr 5

4шт.

24

492-11038

LOCK WASHER,3/8"

4шт.

25

H437275

SHIM,1.50mm Thk

Trencher boom to boom mounting bracket

1шт.

Выбрано товаров: 25