Запчасти Case 760 (09-106) - HYDRA-BORER GEARBOX (89) - TOOLS

Схема запчастей Case 760 - (09-106) - HYDRA-BORER GEARBOX (89) - TOOLS
18
17
5
12
4
31
9
14
8
15
24
27
1
19
11
2
26
20
3
13
29
18
7
10
16
23
21
19
28
29
30
22
25
17
6
FIT
1:1
100%

Артикул

Название

Примечание

Количество

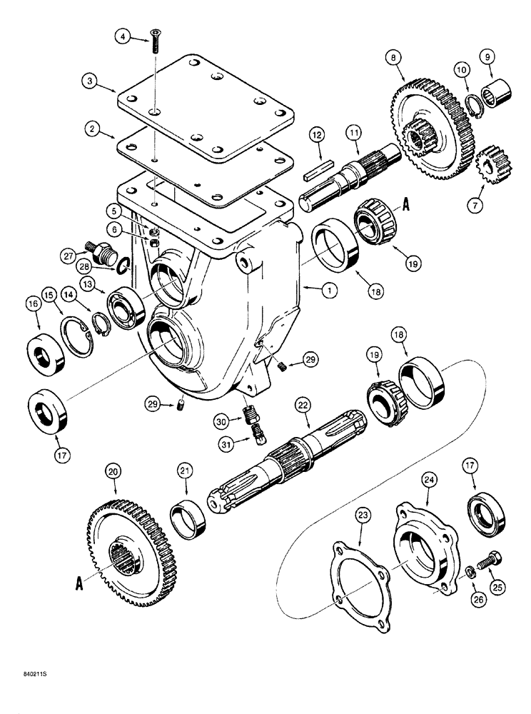
H666875

GEARBOX ASSY

Hydra-Borer, Includes: Ref. 1 - 31

1шт.

1

H424234

HOUSING

gearbox

1шт.

2

H425991

GASKET

cover plate

1шт.

3

H426015

PLATE

cover

1шт.

4

61-42520

HEX SOC SCREW,Flat Hd, 1/4"-20 x 1 1/4"

hex socket, 1/4 NC x 1-1/4 inch

4шт.

5

492-11025

LOCK WASHER,1/4"

4шт.

6

425-104

NUT,1/4"-20, Cl 5

4шт.

7

H426023

SPUR

GEAR input pinion, mounts on motor shaft

1шт.

8

H425967

GEAR

reduction, counter

1шт.

9

A28210

BEARING, NEEDLE,1" ID x 1.25" OD x 1"

countershaft

1шт.

10

100-11100

SNAP RING,#100, Ext

Countershaft, gear

1шт.

11

H668020

SHAFT

counter, reducton gear

1шт.

12

T25070

KEY

square, 1/4 x 2 inch

1шт.

13

ST213

BALL BEARING,30 mm ID x 62 mm OD x 16 mm

ball, countershaft, output end

1шт.

14

101-11118

SNAP RING,#118, 1.121", Ext

external retaining, No. 118, bearing and shaft

1шт.

15

100-21244

SNAP RING,2.44", Int, #244

Brg

1шт.

16

H759050

SEAL

oil, countershaft, output end

1шт.

17

H759068

SEAL

oil, output shaft

2шт.

18

165964R1

BEARING CUP

tapered roller

2шт.

19

560953R91

BEARING ASSY,1.375" ID x 2.875" OD x 0.9688"

tapered roller

2шт.

20

H425975

GEAR

output

1шт.

21

H425959

SPACER

output gear

1шт.

22

H425983

SHAFT

output, gearbox

1шт.

23

H426031

GASKET

SHIM cover

1шт.

24

H426007

BEARING CAP

COVER bearing retaining

1шт.

25

413-616

BOLT,Hex, 3/8" - 16 x 1", Gr 5

4шт.

26

492-11038

LOCK WASHER,3/8"

4шт.

27

H425942

PLUG

STUD anchor

1шт.

28

237-6010

O-RING,0.097" Thk x 0.755" ID, -910, Cl 6, 90 Duro

1шт.

29

217-430

PLUG,Hex Soc, 1/8" - 27 NPTF

2шт.

30

221-85

REDUCER,Hex, 3/8" x 1/8" NPT

Pipe

1шт.

31

152127H1

BREATHER,1/8"-27, Short

1/8 inch PT, replaces L33264

1шт.

Выбрано товаров: 32