Запчасти Case 760 (09-122) - PLOW MOUNTING BRACKET AND SWING TOWER, PRIOR TO P.I.N. JAF0104938 (89) - TOOLS

Схема запчастей Case 760 - (09-122) - PLOW MOUNTING BRACKET AND SWING TOWER, PRIOR TO P.I.N. JAF0104938 (89) - TOOLS
23b
24
14
7
3
21
16
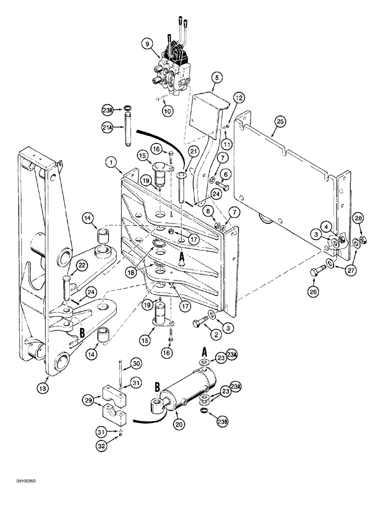
4
15
26
23b
13
30
6
23
17
9
28
25
24
23a
11
19
10
21a
32
16
23a
27
2
7
31
12
29
23
5
19
3
17
8
20
15
1
14
31
22
18
FIT
1:1
100%

Артикул

Название

Примечание

Количество

1

H673707

PLATE

BRACKET plow mounting

1шт.

2

413-1648

BOLT,Hex, 1" - 8 x 3", Gr 5

6шт.

3

D36505

WASHER,26.99mm ID x 47.63mm OD x 2.38mm Thk

flat, special

12шт.

4

232-41116

LOCK NUT,1"-8, GC

6шт.

5

H673457

PEDESTAL

BRACKET valve mounting

1шт.

6

426-1044

BOLT,Hex, 5/8" - 11 x 2-3/4", Gr 8

hex, 5/8 NC x 2-3/4 inch, grade 8

2шт.

7

T53567

BEARING WASHER,16.66mm ID x 33.33mm OD x 3.43mm Thk

flat, special, hardened, replaces H426809

4шт.

8

232-41110

NUT,5/8"-11, GC

2шт.

9

H672781

VALVE

ASSEMBLY, control, plow, parts list Figs.8-158 through 8-164

1шт.

10

413-640

BOLT,Hex, 3/8" - 16 x 2-1/2", Gr 5

3шт.

11

496-21041

WASHER,13/32" x 13/16" x .089", HDN

3шт.

12

232-4116

NUT,3/8"-16, GC

3шт.

13

H673282

ROTATOR

TOWER plow swing

1шт.

14

H433644

BUSHING

Teflon fabric lined, plow swing tower

2шт.

15

H672925

PIN

plow swing

2шт.

16

413-832

BOLT,Hex, 1/2" - 13 x 2", Gr 5

2шт.

17

232-4118

NUT,1/2"-13, GC

2шт.

18

103-16200

SNAP RING,#200, Ext

Swing pin

2шт.

19

219-8

LUBE NIPPLE,1/4" - 28 NPTF

2шт.

20

H672672

CYLINDER

ASSEMBLY, 4 (102) ID x 6 inch (152 mm) stroke, plow swing , closed end of cylinder tube has 1 inch ID hole for pin, parts list Fig. 8-154, if used

2шт.

20

H673704

CYLINDER,101.6 mm ID x 327 mm L

ASSEMBLY, 4 (102) ID x 6 inch (152 mm) stroke, plow swing , closed end of cylinder tube has 1-1/4 inch ID hole for pin, parts list Fig. 8-154, if used

2шт.

21

H672847

PIN ASSY.

plow swing cylinder retaining, closed end, used with H672672 cylinder assembly

2шт.

21a

H434801

PIN

pivot, plow swing cylinder retaining, headless, closed end, used with H673704 cylinder assembly

2шт.

22

H225193

RETAINER

PIN clevis, plow swing cylinder retaining, rod end

2шт.

23

D36505

WASHER,26.99mm ID x 47.63mm OD x 2.38mm Thk

flat, special, used with H672847 pin, Ref. 21

6шт.

23a

495-81209

WASHER,1.31" ID x 2.5" OD x 0.13" Thk

flat, 1-5/16 x 2-1/2 x 5/32 inch, used with H434801 pin, Ref. 21A

6шт.

23b

103-16125

SNAP RING,#125, Ext

Used with H434801 pin, ref. 21A

4шт.

24

432-1228

COTTER PIN,3/16" x 1 3/4"

Used with H672847 pin, Ref. 21 and with H225193 pin, Ref.22

2шт.

25

H673456

CHASSIS

BRACKET adapter, plow, if used

1шт.

26

413-1648

BOLT,Hex, 1" - 8 x 3", Gr 5

6шт.

27

D36505

WASHER,26.99mm ID x 47.63mm OD x 2.38mm Thk

flat, special, replaces H426833

12шт.

28

232-41116

LOCK NUT,1"-8, GC

6шт.

H673131

STOP

ASSEMBLY, plow swing cylinder, prior to P.I.N. JAF0104938, parts used on quad units only, Includes: Ref. 29 - 32

1шт.

Mounts on right-hand swing cylinder on standard quad units or left-hand swing cylinder on reversed quad units

1шт.

29

NSS

NOT SOLD SEPARAT

BLOCK swing cylinder stop, includes both halves, parts used on quad units only

1шт.

30

413-692

BOLT,Hex, 3/8" - 16 x 5-3/4", Gr 5

hex, 3/8 NC x 5-3/4 inch, parts used on quad units only

2шт.

31

496-21041

WASHER,13/32" x 13/16" x .089", HDN

Parts used on quad units only

4шт.

32

232-4116

NUT,3/8"-16, GC

Parts used on quad units only

2шт.

Выбрано товаров: 38