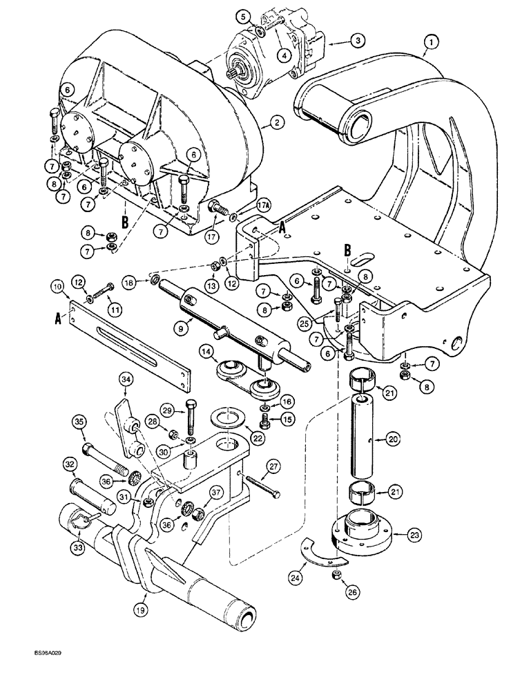
Запчасти Case 760 (09-126) - PLOW GEARBOX AND GEAR MOUNTING, PRIOR TO P.I.N. JAF0104938 (89) - TOOLS

Схема запчастей Case 760 - (09-126) - PLOW GEARBOX AND GEAR MOUNTING, PRIOR TO P.I.N. JAF0104938 (89) - TOOLS
23
17a
7
19
27
22
1
32
14
10
7
16
2
15
4
33
6
3
12
7
7
21
21
11
5
8
8
30
8
12
24
36
9
7
28
29
6
7
6
7
6
25
6
7
8
36
17
7
13
35
26
18
20
8
34
31
37
FIT
1:1
100%

Артикул

Название

Примечание

Количество

1

H673286

SUPPORT

FRAME plow gearbox mounting

1шт.

2

H673466

CASE

GEARBOX ASSEMBLY, plow shaker, parts list Fig. 9-134

1шт.

3

REF

INSTRUCTION

MOTOR ASSEMBLY, plow, see Fig.6-26 or 6-28 for correct assembly and components

1шт.

4

413-832

BOLT,Hex, 1/2" - 13 x 2", Gr 5

2шт.

5

H274894

WASHER

flat, special

2шт.

6

426-1044

BOLT,Hex, 5/8" - 11 x 2-3/4", Gr 8

hex, 5/8 NC x 2-3/4 inch, grade 8

10шт.

7

T53567

BEARING WASHER,16.66mm ID x 33.33mm OD x 3.43mm Thk

flat, special, hardened

20шт.

8

232-41110

NUT,5/8"-11, GC

10шт.

9

H672766

CYLINDER ASSY.

2-1/2 (64) ID x 8 inch (203 mm) stroke, plow blade steering, parts list Fig. 8-156

1шт.

10

H436257

GUIDE

plow blade steering cylinder

1шт.

11

426-840

BOLT,Hex, 1/2" - 13 x 2-1/2", Gr 8

4шт.

12

H274894

WASHER

flat, special

8шт.

13

232-4118

NUT,1/2"-13, GC

4шт.

14

H672797

LINK

plow blade steering

1шт.

15

413-1016

BOLT,Hex, 5/8" - 11 x 1", Gr 5

hex, 5/8 NC x 1 inch

1шт.

16

495-81259

WASHER,21/32" x 2" x .238"

flat, 21/32 x 2 x 1/4 inch

1шт.

17

414-1228

BOLT,Hex, 3/4" - 16 x 1-3/4", Gr 5

hex, 3/4 NF x 1-3/4 inch

2шт.

17a

D34666

WASHER,33.34mm ID x 63.5mm OD x 2.38mm Thk

flat, special

2шт.

18

95-81182

WASHER,0.81" ID x 1.25" OD x 0.07" Thk

flat, 1 3/16 x 1-1/4 x 1/16 inch, used as shim

1шт.

19

H673525

HOLDER

BRACKET plow blade mounting, with integral skid shoe arms, replaces H672773, see Fig. 9-128, Ref. 1

1шт.

20

H436264

PIN

special, plow blade pivot

1шт.

21

H434754

BUSHING

Bearing, Plow blade pivot pin

2шт.

22

95-81156

WASHER,2.56" ID x 4" OD x 0.11" Thk

flat, 2-9/16 x 4 x 1/8 inch

1шт.

23

H434661

BEARING CAP

plow blade pivot bearing

1шт.

24

104799A2

SHIM

1/32 inch thick, special, bearing pivot cap, replaces H434705

1шт.

25

426-840

BOLT,Hex, 1/2" - 13 x 2-1/2", Gr 8

4шт.

26

232-4118

NUT,1/2"-13, GC

4шт.

27

426-1272

BOLT,Hex, 3/4" - 10 x 4-1/2", Gr 8

1шт.

28

232-41112

NUT,3/4"-10, GC

1шт.

29

413-1064

BOLT,Hex, 5/8" - 11 x 4", Gr 5

hex, 5/8 NC x 4 inch

1шт.

30

495-81259

WASHER,21/32" x 2" x .238"

flat, 21/32 x 2 x 1/4 inch

1шт.

31

232-41110

NUT,5/8"-11, GC

1шт.

32

H437057

PIN

plow blade

2шт.

33

D130037

HEADED PIN,8.73mm OD

locking, plow blade pin

2шт.

34

H673979

SPACER

plow blade mounting bracket

1шт.

35

413-1696

BOLT,Hex, 1" - 8 x 6", Gr 5

hex, 1 NC x 6 inch

2шт.

36

H435357

WASHER

disc-locking, special

4шт.

37

232-41116

LOCK NUT,1"-8, GC

2шт.

Выбрано товаров: 38