Запчасти Case 760 (09-002) - CHASSIS, HOOD, AND GRILLE, SIDE PANELS RETAINED TO HOOD W/ITEMS 14 THROUGH 16 (90) - PLATFORM, CAB, BODYWORK AND DECALS

Схема запчастей Case 760 - (09-002) - CHASSIS, HOOD, AND GRILLE, SIDE PANELS RETAINED TO HOOD W/ITEMS 14 THROUGH 16 (90) - PLATFORM, CAB, BODYWORK AND DECALS
6b
6c
7
15
10
19
13
15
6
27
7
29
11
24
23
16
22
20
8
25
14
6
12
4
2
18
8
28
16
3
21
7
5
7
9
6a
1
17
26
FIT
1:1
100%

Артикул

Название

Примечание

Количество

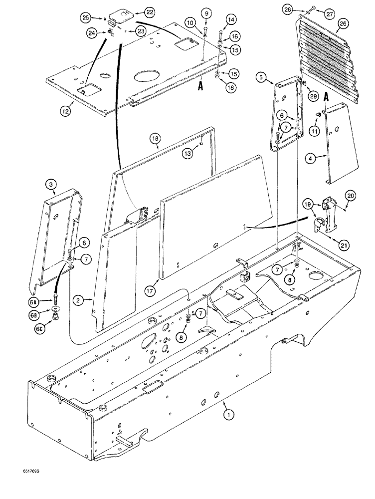
1

H673476

CHASSIS

760 Trencher

1шт.

2

H671396

SUPPORT

COWL upright, right-hand, prior to P.I.N. JAF0022844 without plow

1шт.

2a

H673492

SUPPORT

COWL upright, right-hand, P.I.N. JAF0022844 and after and all units with plow, not shown

1шт.

3

H671388

SUPPORT

COWL upright, left-hand, prior to PIN JAF0022844 without plow

1шт.

3a

H673493

SUPPORT

COWL upright, left-hand, P.I.N. JAF0022844 and after and all units with plow, not shown

1шт.

4

H432245

SUPPORT

SHROUD radiator, right-hand

1шт.

5

H432237

SUPPORT

SHROUD radiator, left-hand

1шт.

6

413-824

BOLT,Hex, 1/2" - 13 x 1-1/2", Gr 5

4-8шт.

6a

413-840

BOLT,Hex, 1/2" - 13 x 2-1/2", Gr 5

hex, 1/2 NC x 2-1/2 inch, if used

4шт.

6b

B15606

WASHER

flat, special, if used

4шт.

6c

CASL13142

BUSHING

MOUNT isolator, rubber, cowl, if used

4шт.

7

496-21053

WASHER,17/32" x 1 1/16" x .134"

Hardened

8-16шт.

8

232-4118

NUT,1/2"-13, GC

7-8шт.

9

413-516

BOLT,Hex, 5/16" - 18 x 1", Gr 5

8шт.

10

H426775

WASHER

flat, special, hardened

8шт.

11

H346650

NUT

U-type, 5/16 inch NC

8шт.

12

H673475

HOOD

engine

1шт.

13

H433941

PAD, RUBBER

bumper, hood

4шт.

14

413-520

BOLT,Hex, 5/16" - 18 x 1-1/4", Gr 5

hex, 5/16 NC x 1-1/4 inch

4шт.

15

495-21038

WASHER,5/16"

(flat, 3/8 x 7/8 x 3/32")

8шт.

16

231-5145

SERRATED NUT,Flg, USR, 5/16"-18

8шт.

17

H671370

PANEL

side, engine, right-hand

1шт.

18

H671362

PANEL

side, engine, left-hand

1шт.

19

H672204

HOOD

LATCH

4шт.

20

151-558

RIVET,Pop, 3/16" x .450"

break mandrel, 3/16 x 1/2 inch

8шт.

21

151-559

RIVET,Pop, 4.75mm OD x 12.7mm L

Break mandrel

8шт.

22

D146196

INSPECTION DOOR

KIT engine side panel and hood access door, replaces D92446, Includes: Ref. 22A

3шт.

22a

321-6672

DECAL

Warning, check and service cooling system, not shown, see Fig. 9-152

1шт.

23

413-452

BOLT,Hex, 1/4" - 20 x 3-1/4", Gr 5

3шт.

24

D121677

SPRING

access door

3шт.

25

230-4214

LOCK NUT,1/4"-20, GA

3шт.

26

H432435

GRILLE

radiator guard

1шт.

27

413-516

BOLT,Hex, 5/16" - 18 x 1", Gr 5

10шт.

28

H426775

WASHER

flat, special, hardened

10шт.

29

H346650

NUT

U-type, 5/16 inch NC

10шт.

Выбрано товаров: 0