Запчасти Case 760 (03-002) - FUEL TANK AND LINES (10) - ENGINE

Схема запчастей Case 760 - (03-002) - FUEL TANK AND LINES (10) - ENGINE
26
19
12
21
19
18
4
20
8
11
18
3
8
25
23
13
19
16
20
7
12
9
17
14
16
6
22
25
7
26
19
10
2
5
22
26
1
15
26
24
FIT
1:1
100%

Артикул

Название

Примечание

Количество

H673060

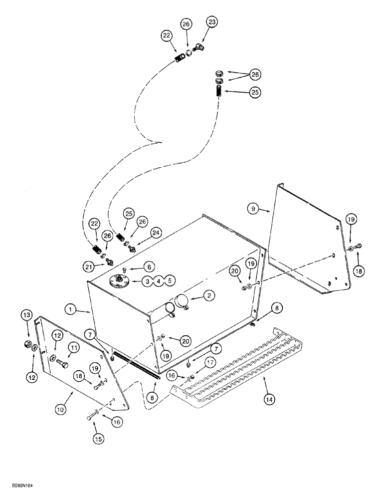
FUEL TANK

diesel, Includes: Ref. 1 - 6

1шт.

1

NSS

NOT SOLD SEPARAT

TANK diesel fuel

1шт.

2

H433699

PLUG

CAP fuel tank filler neck

1шт.

N13520

SENDER UNIT

SENDER ASSEMBLY, fuel level gauge, Includes: Ref. 3 - 6

1шт.

3

NSS

NOT SOLD SEPARAT

SENDER fuel level gauge

1шт.

4

NSS

NOT SOLD SEPARAT

GASKET fuel sender

1шт.

5

NSS

NOT SOLD SEPARAT

FLOAT cork, fuel sender

1шт.

6

470-1108

SCREW,Slotted Pan Hd, #10-24 x 1/2"

machine, pan head slotted, No. 10 NC x 1/2 inch

5шт.

7

221-841

PLUG

hex socket, 1/4 inch PT

2шт.

8

H433912

RUBBER STRIP

1/2 (12) x 1/8 (3) x 12 inch (300 mm) long, cut from D91137, see below

2шт.

9

H436266

BRACKET

fuel tank mounting, front

1шт.

10

H436267

BRACKET

fuel tank mounting, rear

1шт.

11

413-824

BOLT,Hex, 1/2" - 13 x 1-1/2", Gr 5

4шт.

12

496-21053

WASHER,17/32" x 1 1/16" x .134"

Hardened

8шт.

13

232-4118

NUT,1/2"-13, GC

4шт.

14

H672373

STEP

operators compartment access

1шт.

15

413-620

BOLT,Hex, 3/8" - 16 x 1-1/4", Gr 5

4шт.

16

496-21041

WASHER,13/32" x 13/16" x .089", HDN

8шт.

17

232-4116

NUT,3/8"-16, GC

4шт.

18

413-512

BOLT,Hex, 5/16" - 18 x 3/4", Gr 5

6шт.

19

H426775

WASHER

flat, special, hardened

12шт.

20

232-4115

LOCK NUT,5/16"-18, GC

6шт.

21

220-503

ROD, CONNECTING

ADAPTER straight, 5/16 inch barb end

1шт.

22

H433707

HOSE

62 inch (1575 mm) long, cut from S120317X bulk hose, suction, see below

1шт.

23

217-205

45 ELBOW,45 Degree Elbow, 5/16" Hose Barb x 1/4" Male NPTF

ELBOW, 45 degree, 5/16 stem end x 1/4 inch PT

1шт.

24

217-119

FITTING,1/4" Hose x 1/4" NPTF, Barbed

straight, 1/4 barb end x 1/4 inch PT

1шт.

25

H433706

HOSE

62 inch (1575 mm) long, cut from A21561X bulk hose, return, see below

1шт.

26

214-1404

HOSE CLAMP,#04, 0.25" - 0.62", Type F Worm

Adj

5шт.

D91137

STRIP

bulk, 1/2 (12) x 1/8 (3) x 24 inch (600 mm) long, use to make Ref. 8

1шт.

345-44

ADHESIVE

spray can, 3M No. 74, 23 ounce

1шт.

S120317X

HOSE

bulk, 5/16 (8) ID x 300 inch (7620 mm) long, use to make Ref. 22

1шт.

A21561X

HOSE,6.35mm ID x 7620mm L

bulk, 1/4 (6) x 1/2 (13) x 300 inch (7620 mm) long, use to make Ref. 25

1шт.

Выбрано товаров: 0