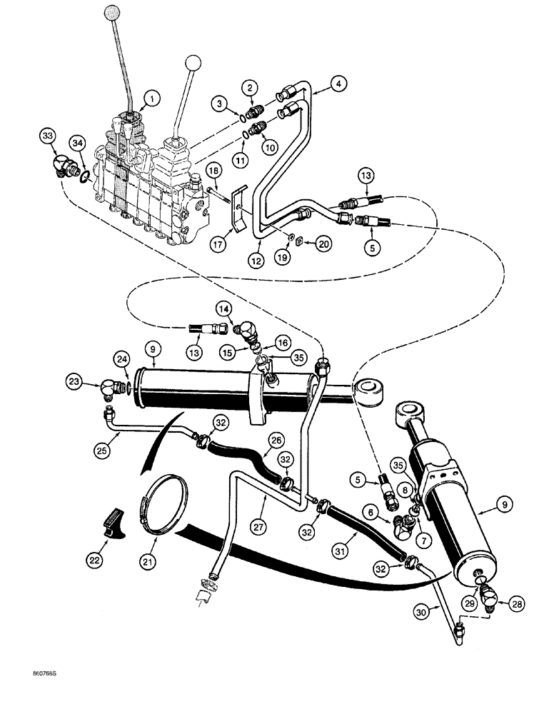
Запчасти Case 760 (08-044) - BACKHOE SWING CYLINDER HYDRAULIC CIRCUIT, WITH TUBE AT SWING CYLINDER CLOSED END (35) - HYDRAULIC SYSTEMS

Схема запчастей Case 760 - (08-044) - BACKHOE SWING CYLINDER HYDRAULIC CIRCUIT, WITH TUBE AT SWING CYLINDER CLOSED END (35) - HYDRAULIC SYSTEMS
9
20
6
13
32
5
32
1
24
16
18
29
32
34
8
26
30
5
35
4
13
2
17
19
12
3
32
11
22
25
9
28
35
23
21
15
10
31
33
7
27
14
FIT
1:1
100%

Артикул

Название

Примечание

Количество

1

H672270

VALVE

ASSEMBLY, backhoe control, 6 spool, parts list Figs. 8-54 - 8-64 (Kontak) and Figs. 8-65A - 8-65 (Kontak) and Fig. 8-65A - 8-65K (Commercial Intertech)

1шт.

2

218-5354

HYD CONNECTOR,9/16"-18, 37 Degree x 7/8"-14, O-Ring

Includes Ref. 3

1шт.

3

237-6010

O-RING,0.097" Thk x 0.755" ID, -910, Cl 6, 90 Duro

1шт.

4

H672392

TUBE ASSY.,9.53 mm OD

control valve to right-hand swing cylinder hose

1шт.

5

H168625

HYDRAULIC HOSE,6.35 mm ID x 381.00 mm, SAE 100R1

Tube to Right-Hand Swing Cylinder, Rod End

1шт.

6

218-5105

ELBOW,90 Degree Elbow, 9/16" - 18 Male JIC x 9/16" - 18 Male ORB

90 degree, 9/16-18 inch flare x adj O-ring boss, Includes: Ref. 7

1шт.

8

H759110

ORIFICE PACKAGE

orifice, 0.0935 mm, swing cylinder

1шт.

9

H672571

CYLINDER ASSY.

3-1/4 (83) ID x 13-7/16 inch (341 mm) stroke, backhoe swing, parts list Fig. 8-68

2шт.

10

218-5354

HYD CONNECTOR,9/16"-18, 37 Degree x 7/8"-14, O-Ring

Includes Ref. 11

1шт.

11

237-6010

O-RING,0.097" Thk x 0.755" ID, -910, Cl 6, 90 Duro

1шт.

12

H672391

TUBE ASSY.,9.53 mm OD

control valve to left-hand swing cylinder hose

1шт.

13

H165340

HYDRAULIC HOSE,6.35 mm ID x 304.80 mm, SAE 100R1

Tube to Left-Hand Swing Cylinder, Rod End

1шт.

14

218-5105

ELBOW,90 Degree Elbow, 9/16" - 18 Male JIC x 9/16" - 18 Male ORB

90 degree, 9/16-18 inch flare x adj. O-ring boss, Includes: Ref. 15

1шт.

16

H759110

ORIFICE PACKAGE

orifice, 0.0935 mm, swing cylinder

1шт.

17

H45468

CLAMP

tubes

1шт.

18

413-616

BOLT,Hex, 3/8" - 16 x 1", Gr 5

1шт.

19

496-21041

WASHER,13/32" x 13/16" x .089", HDN

1шт.

20

84899

SQUARE NUT,Sq, 3/8"-16, G2

1шт.

21

214-1472

HOSE CLAMP,#72, 4.06" - 5", Type F Worm

Adj.

2шт.

22

D38648

BLOCK

SPACER rubber

2шт.

23

218-5105

ELBOW,90 Degree Elbow, 9/16" - 18 Male JIC x 9/16" - 18 Male ORB

90 degree, 9/16-18 inch flare x adj. O-ring boss, Includes: Ref. 24

1шт.

25

H672535

TUBE,9.53 mm OD

left-hand swing cylinder, rod end

1шт.

26

H433724

LARGE HOSE

HOSE,LARGE 11 inch (279 mm) long, cut from H434205 bulk hose, left-hand cylinder tube to return tube

1шт.

27

H672534

TUBE ASSY.,19.09 mm OD

backhoe control valve return

1шт.

28

218-5105

ELBOW,90 Degree Elbow, 9/16" - 18 Male JIC x 9/16" - 18 Male ORB

90 degree, 9/16-18 inch flare x adj. O-ring boss, Includes: Ref. 29

1шт.

30

H672536

TUBE,9.53 mm OD

right-hand swing cylinder, rod end

1шт.

31

H434205

HYDRAULIC HOSE,9.52 mm ID x 655.00 mm, SAE 30R2 Type 2

RH swing cylinder tube to return tube

1шт.

32

214-1408

HOSE CLAMP,11.2mm - 19.8mm

Adj.

4шт.

33

218-5108

ELBOW,90 Degree Elbow, 1-1/16" - 12 Male JIC x 1-1/16" - 12 Male ORB

Incl. Ref. 34

1шт.

34

237-6012

O-RING,0.116" Thk x 0.924" ID, -912, Cl 6, 90 Duro

1шт.

35

195-513

WASHER,#10

flat, 7/32 x 1/2 x 3/64 inch, used as orifice seat, must be 1/2 inch O.D.

2шт.

7

237-6006

O-RING,0.078" Thk x 0.468" ID, -906, Cl 6, 90 Duro

1шт.

15

237-6006

O-RING,0.078" Thk x 0.468" ID, -906, Cl 6, 90 Duro

1шт.

24

237-6006

O-RING,0.078" Thk x 0.468" ID, -906, Cl 6, 90 Duro

1шт.

29

237-6006

O-RING,0.078" Thk x 0.468" ID, -906, Cl 6, 90 Duro

1шт.

Выбрано товаров: 35