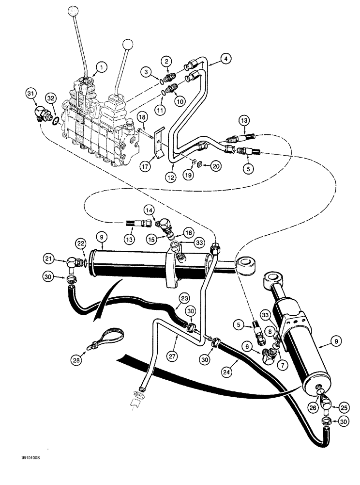
Запчасти Case 760 (08-046) - BACKHOE SWING CYLINDER HYDRAULIC CIRCUIT, WITH HOSE AT SWING CYLINDER CLOSED END (35) - HYDRAULIC SYSTEMS

Схема запчастей Case 760 - (08-046) - BACKHOE SWING CYLINDER HYDRAULIC CIRCUIT, WITH HOSE AT SWING CYLINDER CLOSED END (35) - HYDRAULIC SYSTEMS
18
27
5
3
16
4
5
30
32
31
24
30
15
12
9
30
26
33
1
9
22
30
11
13
6
17
14
20
19
33
10
21
28
25
8
23
13
7
2
FIT
1:1
100%

Артикул

Название

Примечание

Количество

1

H672270

VALVE

ASSEMBLY, backhoe control, 6 spool, parts list Figs. 8-54 -8-64 (Kontak) and Figs.8-65A - 8-65K (Commercial Intertech)

1шт.

2

218-5354

HYD CONNECTOR,9/16"-18, 37 Degree x 7/8"-14, O-Ring

Includes Ref. 3

1шт.

3

237-6010

O-RING,0.097" Thk x 0.755" ID, -910, Cl 6, 90 Duro

1шт.

4

H672392

TUBE ASSY.,9.53 mm OD

control valve to right-hand swing cylinder hose

1шт.

5

H168625

HYDRAULIC HOSE,6.35 mm ID x 381.00 mm, SAE 100R1

Tube to Right-Hand Swing Cylinder, Rod End

1шт.

6

218-5105

ELBOW,90 Degree Elbow, 9/16" - 18 Male JIC x 9/16" - 18 Male ORB

90 degree, 9/16-18 inch flare x adj. O-ring boss, Includes: Ref. 7

1шт.

8

H759110

ORIFICE PACKAGE

orifice, 0 0935 mm, swing cylinder

1шт.

9

H672571

CYLINDER ASSY.

3-1/4 (83) ID x 13-7/16 inch (341 mm) stroke, backhoe swing, parts list Fig. 8-68

2шт.

10

218-5354

HYD CONNECTOR,9/16"-18, 37 Degree x 7/8"-14, O-Ring

Includes Ref. 11

1шт.

11

237-6010

O-RING,0.097" Thk x 0.755" ID, -910, Cl 6, 90 Duro

1шт.

12

H672391

TUBE ASSY.,9.53 mm OD

control valve to left-hand swing cylinder hose

1шт.

13

H165340

HYDRAULIC HOSE,6.35 mm ID x 304.80 mm, SAE 100R1

Tube to Left-Hand Swing Cylinder, Rod End

1шт.

14

218-5105

ELBOW,90 Degree Elbow, 9/16" - 18 Male JIC x 9/16" - 18 Male ORB

90 degree, 9/16-18 inch flare x adj. O-ring boss, Includes: Ref. 15

1шт.

16

H759110

ORIFICE PACKAGE

orifice, 0.0935 mm, swing cylinder

1шт.

17

H45468

CLAMP

tubes

1шт.

18

413-616

BOLT,Hex, 3/8" - 16 x 1", Gr 5

1шт.

19

496-21041

WASHER,13/32" x 13/16" x .089", HDN

1шт.

20

84899

SQUARE NUT,Sq, 3/8"-16, G2

1шт.

21

217-347

FITTING,90 Degree Elbow, 3/8" Hose Barb x 9/16" - 18 Male ORB

ELBOW, 90 degree, 3/8 stem end x 9/16-18 inch adj. O-ring boss, Includes: Ref. 22

1шт.

23

S119281

HOSE,0.38" ID x 24.00", SAE J30R2 Type 3

Cut from S118400X bulk hose, LH swing cylinder closed end to return tube, See below

1шт.

24

D90237

FUEL HOSE,0.38" ID x 40.00", SAE 30R2

Cut From A21562X Bulk Hose, Right-Hand Swing Cylinder Closed End to Return Tube, See Below

1шт.

25

217-347

FITTING,90 Degree Elbow, 3/8" Hose Barb x 9/16" - 18 Male ORB

ELBOW, 90 degree, 3/8 stem end x 9/16-18 inch adj. O-ring boss, Includes: Ref. 26

1шт.

27

H672534

TUBE ASSY.,19.09 mm OD

backhoe control valve return

1шт.

28

L18337

CABLE TIE,9.95"-12.1" lg

CABLE STRAP tie, hose retaining

2шт.

30

214-1408

HOSE CLAMP,11.2mm - 19.8mm

Adj.

4шт.

31

218-5108

ELBOW,90 Degree Elbow, 1-1/16" - 12 Male JIC x 1-1/16" - 12 Male ORB

Incl. Ref. 32

1шт.

32

237-6012

O-RING,0.116" Thk x 0.924" ID, -912, Cl 6, 90 Duro

1шт.

33

195-513

WASHER,#10

flat, 7/32 x 1/2 x 3/64 inch, used as orifice seat, must be 1/2 inch O.D.

2шт.

S118400X

LARGE HOSE,9.53mm ID x 7620mm L, SAE 30R2

HOSE,LARGE bulk, 3/8 (10) x 5/8 (15) x 300 inch (7620 mm) long, use to make Ref. 23

1шт.

A21562X

LARGE HOSE,9.65mm ID x 711.2mm L

HOSE,LARGE bulk, 3/8 (10) ID x 300 inch (7620 mm) long, use to make Ref. 24

1шт.

7

237-6006

O-RING,0.078" Thk x 0.468" ID, -906, Cl 6, 90 Duro

1шт.

15

237-6006

O-RING,0.078" Thk x 0.468" ID, -906, Cl 6, 90 Duro

1шт.

22

237-6006

O-RING,0.078" Thk x 0.468" ID, -906, Cl 6, 90 Duro

1шт.

26

237-6006

O-RING,0.078" Thk x 0.468" ID, -906, Cl 6, 90 Duro

1шт.

Выбрано товаров: 34