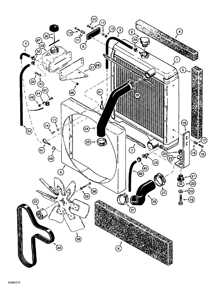
Запчасти Case 860 (2-02) - RADIATOR, FAN AND MOUNTING USED ON MODELS WITH 4T-390 ENGINE (02) - ENGINE

Схема запчастей Case 860 - (2-02) - RADIATOR, FAN AND MOUNTING USED ON MODELS WITH 4T-390 ENGINE (02) - ENGINE
45
10
35
22
37
22
27
1
29
44
49
48
16
39
41
38
21
3
34
11
20
35
14
25
13
24
43
18
19
9
2
47
5
41
32
31
11
23
11
26
30
46
27
3
12
33
46
25
15
36
42
6
8
7
17
4
28
40
FIT
1:1
100%

Артикул

Название

Примечание

Количество

1

1998831C1

RADIATOR

- engine cooling

1шт.

2

A170241

RADIATOR CAP

CAP, RADIATOR, Filler, 15 psi

1шт.

3

H416354

FUEL HOSE,7.90 mm ID x 1800.00 mm, SAE 30R6

Cut from Bulk Hose, Radiator to Coolant Recovery Bottle, See Below 7.90 mm ID x 1800.00 mm, SAE 30R6

1шт.

4

H433687

BAFFLE - radiator, top, 2-3/16 (55) x 22 inch (560 mm), cut from D92228 bulk pad, see below

1шт.

5

H433688

BAFFLE - radiator, side, 2-9/16 (65) x 22-5/8 inch (575 mm), cut from D92228 bulk pad, see below

2шт.

6

H439200

BAFFLE

- radiator, bottom, special size

1шт.

7

A173165

SEALING STRIP

- adhesive-backed, 485 mm (19 inch) long

2шт.

8

D147078

SHROUD

- fan

1шт.

9

H433231

STRAP

- radiator mounting, side

2шт.

10

614-8020

BOLT,Hex, M8 x 1.25 x 20mm

- hex, full threads, 8 - 1.25 x 20 mm

2шт.

11

495-21038

WASHER,5/16"

(flat, 3/8 x 7/8 x 3/32") 5/16"

16шт.

12

413-520

BOLT,Hex, 5/16" - 18 x 1-1/4", Gr 5

- hex, 5/16 NC x 1-1/4 inch

2шт.

13

232-4115

LOCK NUT,5/16"-18, GC

NUT, LOCK, 5/16"-18, GC

6шт.

14

614-8014

BOLT,Hex, M8 x 1.25 x 14mm, Cl 8.8, Full Thd

- hex, full threads, 8 - 1.25 x 14 mm

8шт.

15

H433373

BRACKET

- radiator support

2шт.

16

614-8025

BOLT,Hex, M8 x 1.25 x 25mm, Cl 8.8, Full Thd

- hex, full threads, 8 - 1.25 x 25 mm

4шт.

17

492-11031

LOCK WASHER,5/16"

WASHER, LOCK, 5/16"

4шт.

18

496-11034

WASHER,11/32" x 11/16" x 1/16", HDN

- flat, 11/32 x 11/16 x 1/16 inch, hardened

4шт.

19

413-840

BOLT,Hex, 1/2" - 13 x 2-1/2", Gr 5

- hex, 1/2 NC x 2-1/2 inch

2шт.

20

496-21053

WASHER,17/32" x 1 1/16" x .134"

- flat, 17/32 x 1-1/16 x 1/8 inch, hardened

2шт.

21

CASL13142

BUSHING

MOUNT - isolator, rubber

2шт.

22

496-81018

WASHER,0.521" ID x 2" OD x 0.108 Thk, ZND

- flat, 33/64 x 2 x 1/8 inch, hardened

2-4шт.

23

230-4218

LOCK NUT,1/2"-13, GA

NUT - hex, self-locking, 1/2 inch NC

2шт.

24

106568A1

RADIATOR HOSE,44.50 mm ID x 279.00 mm

44.50 mm ID X 279.00, Upper

1шт.

25

214-1432

HOSE CLAMP,#32, 1.56" - 2.5", Type F Worm

CLAMP, HOSE, , Adjustable, Upper radiator hose #32, 1.56/2.50 Type F Worm

2шт.

26

A170644

RADIATOR HOSE,58.00 mm ID x 217.00 mm, SAE J20

58.00 mm ID x 217.00 mm, SAE 20R4 per SAE J20, Lower

1шт.

27

214-1436

HOSE CLAMP,#36, 1.81" - 2.75", Type F Worm

CLAMP, HOSE, , Adj, Lower radiator hose #36, 1.81/2.75 Type F Worm

2шт.

28

H434809

COCK, DRAIN

VALVE - drain

1шт.

29

A184372

RESERVOIR

BOTTLE - coolant recovery, no longer used, for service order item 47, 138189A1 reservoir

1шт.

30

A184079

CAP

- coolant recovery reservoir

1шт.

31

102921A1

BRACKET

- mounting, reservoir, used with A184372 bottle, 25 mm dimension at mounting flange on bottle, see item 48.

1шт.

32

413-516

BOLT,Hex, 5/16" - 18 x 1", Gr 5

- hex, 5/16 NC x 1 inch

4шт.

33

495-11034

WASHER,5/16", SAE

5/16" SAE (flat, 11/32 x 11/16 x 1/16")

4шт.

34

A171871

HOSE,7.50 mm ID, 8.30 mm ID x 600.00 mm, SAE J30

- Cut from L126767 bulk hose, Coolant recovery reservoir overflow, See below 7.50 mm ID, 8.30 mm ID x 600.00 mm, SAE J30

1шт.

35

A171099

HOSE CLAMP,13.2mm - 15.4mm

CLAMP - spring-type, hose retaining

3шт.

36

1998743C1

PULLER

FAN - engine cooling

1шт.

37

A184545

SPACER

fan

1шт.

38

828-10070

BOLT,Hex, M10 x 1.5 x 70mm, Cl 10.9

- hex, 10 - 1.5 x 70 mm, class 10.9

4шт.

39

496-21041

WASHER,13/32" x 13/16" x .089", HDN

- flat, 13/32 x 13/16 x 3/32", hardened

4шт.

40

J903091

V-BELT,3.56 mm W x 1422.40 mm L, 8 Ribs

Fan and Alternator 3.56 mm W x 1422.40 mm L, 8 Ribs

1шт.

41

L18337

CABLE TIE,9.95"-12.1" lg

STRAP - tie, 15 inch, nylon

2шт.

42

H439168

HOSE,9.52 mm ID x 705.00 mm, SAE 30R6

- 680 mm (26-3/4 inch) long, radiator drain

1шт.

43

214-1704

HOSE CLAMP,#04, 0.25" - 0.62", Type M Worm

CLAMP, HOSE, , Adjustable #4, 0.25/0.62 Type M Worm

1шт.

44

515-23159

CLAMP,5/8", Insul, 3/8" Bolt

P-type 5/8", Insul, 3/8" Bolt

2шт.

45

413-512

BOLT,Hex, 5/16" - 18 x 3/4", Gr 5

- hex, 5/16 NC x 3/4 inch

2шт.

46

232-4115

LOCK NUT,5/16"-18, GC

NUT, LOCK, 5/16"-18, GC

4шт.

47

138189A1

RESERVOIR

BOTTLE - coolant recovery

1шт.

48

138191A1

BRACKET

- mounting, coolant recovery bottle, used with 138189A1 bottle, 48 mm dimension at mounting flange on bottle, see item 31.

1шт.

49

353-402

PLUG,Dome, .375" hole, Nylon

1шт.

D92228

BAFFLE

- bulk pad, 900 (35-1/2) x 1400 (55-1/8) x 38 mm (1-1/2 inch)

1шт.

345-44

ADHESIVE

- spray can, 3M No. 74, 23 ounce

1шт.

L126767

HOSE,7.9mm ID x 2336mm L, SAE 30R6

1шт.

Выбрано товаров: 52