Запчасти Case 860 (9-050) - TRENCHER BOOM MOUNTING BRACKET (09) - CHASSIS/ATTACHMENTS

Схема запчастей Case 860 - (9-050) - TRENCHER BOOM MOUNTING BRACKET (09) - CHASSIS/ATTACHMENTS
3
1
3
4
8
2
6
2
9
7
10
5
FIT
1:1
100%

Артикул

Название

Примечание

Количество

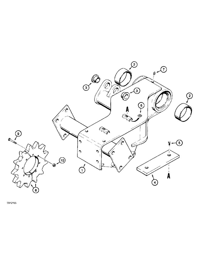
103887A3

BOOM

BRACKET ASSEMBLY - trencher boom mounting, Includes: Ref. 1 - 3

1шт.

See Figure 9-052 for standard trencher booms and Figure 9-054 for standard trencher boom ends. See Figures 9-058 and 9-061A for trencher rock booms.

1шт.

1

NSS

NOT SOLD SEPARAT

BRACKET - trencher boom mounting

1шт.

2

H437509

BUSHING

- nylon, boom pivot

2шт.

3

H433624

BUSHING,38.23mm ID x 64mm OD x 25.5mm L

- lift cylinder pivot

2шт.

4

H434547

STRIP

PAD - wear, steel

1шт.

5

413-612

BOLT,Hex, 3/8" - 16 x 3/4", Gr 5

2шт.

6

84899

SQUARE NUT,Sq, 3/8"-16, G2

- square, 3/8 inch NC

2шт.

7

219-8

LUBE NIPPLE,1/4" - 28 NPTF

NIPPLE, LUBE, 1/4"-28 NPT x .54" lg

1шт.

8

H438347

SPROCKET ASSY.

SPROCKET - split, includes both halves, 13 tteth, 13T, digging chain

1шт.

9

28-944

BOLT,Hex, 9/16" - 18 x 2-3/4", Gr 8

- hex, 9/16 NF x 2-3/4 inch, grade 8

8шт.

10

232-4619

LOCK NUT,9/16"-18, GC

NUT, LOCK, 9/16"-18, GC

8шт.

Выбрано товаров: 12