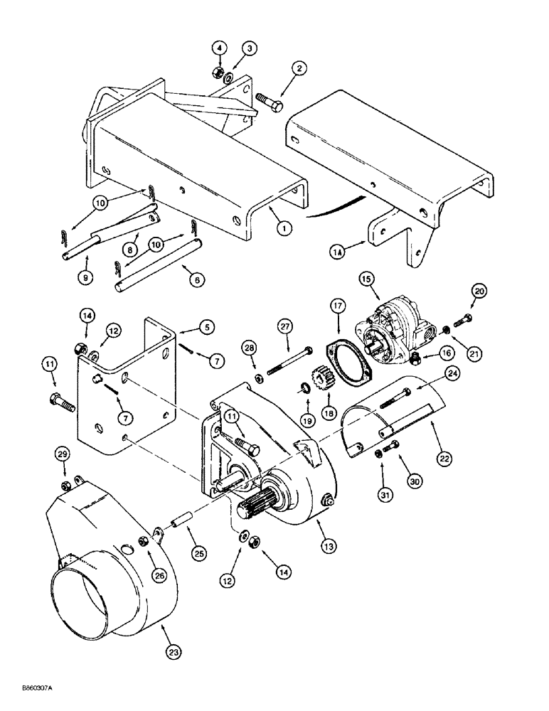
Запчасти Case 860 (9-086) - HYDRA-BORER AND GEARBOX MOUNTING (09) - CHASSIS/ATTACHMENTS

Схема запчастей Case 860 - (9-086) - HYDRA-BORER AND GEARBOX MOUNTING (09) - CHASSIS/ATTACHMENTS
12
18
1a
14
31
1
21
11
20
12
27
29
5
4
14
3
30
23
19
10
2
8
17
9
6
25
16
15
22
11
26
13
10
24
7
7
28
FIT
1:1
100%

Артикул

Название

Примечание

Количество

1

H672616

FRAME

- Hydra-Borer, used on models without quad option

1шт.

1a

H672927

ANCHOR

FRAME - Hydra-Borer, used on models with quad option

1шт.

2

413-832

BOLT,Hex, 1/2" - 13 x 2", Gr 5

3 used on models with quad option Hex, 1/2"-13 x 2", G5

3-4шт.

3

495-31025

WASHER,3/16"

- flat, 1/4 x 9/16 x 3/64 inch, 3 used on models with quad option

3-4шт.

4

230-4218

LOCK NUT,1/2"-13, GA

NUT - hex, self-locking, 1/2 inch NC, 3 used on models with quad option

3-4шт.

5

H672537

MOUNTING PARTS

BRACKET - Hydra-Borer gearbox mounting

1шт.

6

H434278

SHAFT

- pivot

1шт.

7

432-1624

COTTER PIN,1/4" x 1 1/2"

Pin, Split (Cotter), 1/4" x 1-1/2"

2шт.

8

H434194

LINK

- support, mounting bracket

2шт.

9

H175414

PIN

- locking

1шт.

10

A70250

PIN

- hair, used in mounting bracket pivot shaft and locking pin

4шт.

11

413-832

BOLT,Hex, 1/2" - 13 x 2", Gr 5

4шт.

12

496-21053

WASHER,17/32" x 1 1/16" x .134"

- flat, 17/32 x 1-1/16 x 1/8 inch, hardened

4шт.

13

H666875

GEARBOX ASSY

GEARBOX ASSEMBLY - Hydra-Borer, parts list Figure 9-088

1шт.

14

230-4218

LOCK NUT,1/2"-13, GA

NUT - hex, self-locking, 1/2 inch NC

4шт.

15

H654814

MOTOR

ASSEMBLY - hydraulic, Hydra-Borer, parts list Figure 8-092

1шт.

16

221-84

REDUCER,Hex, 1/4" x 1/8" NPT

- pipe, 1/4 male x 1/8 inch female

1шт.

17

H32375

GASKET

- motor

1шт.

18

H426023

SPUR

GEAR - input pinion

1шт.

19

100-1168

SNAP RING,#68, Ext

Ring, Snap, #68, Ext

2шт.

20

413-720

BOLT,Hex, 7/16" - 14 x 1-1/4", Gr 5

- hex, 7/16 NC x 1-1/4 inch

2шт.

21

492-11044

LOCK WASHER,7/16"

WASHER, LOCK, 7/16"

2шт.

22

H645838

SHIELD

- Hydra-Borer shaft

1шт.

23

H645788

GUARD

- Hydra-Borer

1шт.

24

413-544

BOLT,Hex, 5/16" - 18 x 2-3/4", Gr 5

- hex, 5/16 NC x 2-3/4 inch

1шт.

25

H217174

SPACER

-, Serial Range: gearbox-guard

1шт.

26

230-4215

NUT,5/16"-18, GA

NUT - hex, self-locking, 5/16 inch NC

1шт.

27

413-672

BOLT,Hex, 3/8" - 16 x 4-1/2", Gr 5

- hex, 3/8 NC x 4-1/2 inch

1шт.

28

495-11041

WASHER,0.406" ID x 0.812" OD x 0.065" W

(Flat, 13/32 x 13/16 x 1/16") 3/8", SAE

1шт.

29

230-4216

LOCK NUT,3/8"-16, GA

NUT - hex, self-locking, 3/8 inch NC

1шт.

30

413-616

BOLT,Hex, 3/8" - 16 x 1", Gr 5

- hex, 3/8 NC x 1 inch, Included with H666875 gearbox

2шт.

31

492-11038

LOCK WASHER,3/8"

included with H666875 gearbox 3/8"

2шт.

Выбрано товаров: 32