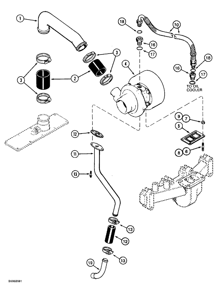
Запчасти Case 860 (2-22) - TURBOCHARGER SYSTEM - 4T-390 ENGINE (02) - ENGINE

Схема запчастей Case 860 - (2-22) - TURBOCHARGER SYSTEM - 4T-390 ENGINE (02) - ENGINE
13
8
9
18
17
5
13
10
18
3
11
1
3
6
12
16
12
4
19
13
2
7
16
17
FIT
1:1
100%

Артикул

Название

Примечание

Количество

1

J906624

TUBE,2 mm OD x 265.1 mm L

- air intake

1шт.

2

J916166

INTAKE AIR HOSE

HOSE - 71 mm (2-3/4 inch) long

2шт.

3

214-1428

HOSE CLAMP,#28, 1.31" - 2.25", Type F Worm

CLAMP, HOSE, , Adjustable #28, 1.31/2.25 Type F Worm

4шт.

4

REF

INSTRUCTION

TURBOCHARGER ASSEMBLY - engine, parts list Figure 2-24

1шт.

5

J901356

GASKET,0.5mm Thk

-, Serial Range: turbocharger-manifold

1шт.

6

J905417

STUD

- turbocharger mounting, no longer used, for service order item 8, J818823 stud

4шт.

7

J901961

NUT

- hex, special, 10 mm - 1.25, stud, no longer used, for service order item 9, J818824 nut

4шт.

8

J818823

STUD

- turbocharger mounting, used with item 9, J818824 nut only

4шт.

9

J818824

FLANGE NUT

- hex flange, special, 10 mm - 1.5, stud, used with item 8, J818823 stud only

4шт.

10

J909545

HOSE

406 mm (16.0")

1шт.

11

J903741

TUBE

- turbocharger oil drain, upper

1шт.

12

J914388

GASKET

- turbo oil drain tube

1шт.

13

845-8020

BOLT,Hvy Hex, M8 x 20mm, Cl 8.8

- heavy hex flange, 8 - 1.25 x 20 mm

2шт.

14

J903745

LARGE HOSE

HOSE - 76 mm (3 inch) long

1шт.

15

214-1416

HOSE CLAMP,#16, 0.81" - 1.5", Type F Worm

CLAMP, HOSE, , Adj. #16, 0.81/1.50 Type F Worm

2шт.

16

J919687

HYD CONNECTOR

ADAPTER - female hex, special, oil supply tube, Includes: Ref. 17

2шт.

17

238-5013

O-RING,0.07" Thk x 0.426" ID, -13, Cl 5, 75 Duro

-013, 70 Duro, .426" ID x .070" Thk

2шт.

18

222-993

GASKET,3/8 Tube, Fl, Copper

2шт.

19

J903744

PIPE FITTING,22.42 mm ID x 28 mm OD x 90.2, 64 mm L

TUBE - turbocharger oil drain, pressed into block

1шт.

Выбрано товаров: 19