Запчасти Case 860 (9-107A) - PLOW MOTOR, GEARBOX, AND BLADE MOUNTING - BLADE MOUNTING BRACKET W/INTEGRAL SKID SHOES (09) - CHASSIS/ATTACHMENTS

Схема запчастей Case 860 - (9-107A) - PLOW MOTOR, GEARBOX, AND BLADE MOUNTING - BLADE MOUNTING BRACKET W/INTEGRAL SKID SHOES (09) - CHASSIS/ATTACHMENTS
28
24
7
1
10
7
6
22
6
6
16
5
12
5
6
23
24
6
27
6
21
13
26
22
3
6
15
25
19
7
17
5
23
8
4
5
7
5
2
11
9
10
18
20
11
14
24
22
24
FIT
1:1
100%

Артикул

Название

Примечание

Количество

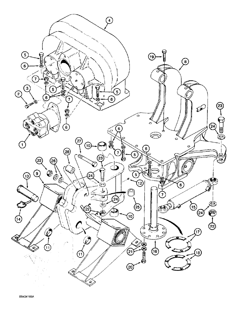
1

H673911

HYDRAULIC MOTOR

MOTOR ASSEMBLY - plow, parts list Figure 8-122

1шт.

2

413-832

BOLT,Hex, 1/2" - 13 x 2", Gr 5

2шт.

3

H274894

WASHER

- flat, special

2шт.

4

H674911

BOX

GEARBOX ASSEMBLY - plow shaker, parts list Figure 9-110

1шт.

5

426-1044

BOLT,Hex, 5/8" - 11 x 2-3/4", Gr 8

- hex, 5/8 NC x 2-3/4 inch, grade 8

9шт.

6

H274894

WASHER

- flat, special

11шт.

7

232-41110

NUT,5/8"-11, GC

NUT, LOCK, 5/8"-11, GC

10шт.

8

108915A3

FRAME

- plow gearbox mounting

1шт.

105966A1

MOUNTING PARTS

BRACKET - plow blade mounting, see Machinery Price List for plow blade and chute information, Includes: Ref. 9 - 11

1шт.

Includes items 1 through 4 on Figure 9-108.

1шт.

9

NSS

NOT SOLD SEPARAT

BRACKET - plow blade mounting

1шт.

10

105870A1

BUSHING

- bracket, upper and lower

2шт.

11

H437099

BUSHING

- bracket, sides

2шт.

12

219-8

LUBE NIPPLE,1/4" - 28 NPTF

NIPPLE, LUBE, 1/4"-28 NPT x .54" lg

1шт.

13

H437057

PIN

- plow blade retaining

2шт.

14

D130037

HEADED PIN,8.73mm OD

PIN - locking, plow blade retaining pin

2шт.

15

111620A2

CYLINDER

ASSEMBLY - 64 (2-1/2) ID x 203 mm (8 inch) stroke, plow blade steering, parts list Figure 8-103A

1шт.

16

104797A2

AXLE

PIN - plow blade pivot

1шт.

17

104799A2

SHIM

- 1/32 inch thick

1шт.

18

105866A2

SHIM

- 7/64 inch thick

1шт.

19

413-1048

BOLT,Hex, 5/8" - 11 x 3", Gr 5

1шт.

20

413-1028

BOLT,Hex, 5/8" - 11 x 1-3/4", Gr 5

- hex, 5/8 NC x 1-3/4 inch

8шт.

21

495-11066

WASHER,5/8", SAE

- flat, 21/32 x 1-5/16 x 3/32 inch

16шт.

22

232-41116

LOCK NUT,1"-8, GC

NUT, LOCK, 1"-8, GC

4шт.

23

413-1660

BOLT,Hex, 1" - 8 x 3-3/4", Gr 5

- hex, 1 NC x 3-3/4 inch

2шт.

24

D36505

WASHER,26.99mm ID x 47.63mm OD x 2.38mm Thk

- flat, special, 1-1/16 x 1-7/ x 9/64 inch

4шт.

25

114879A1

SPACER

- rod end

1шт.

26

H435357

WASHER

- disc-locking, special

6шт.

27

413-1696

BOLT,Hex, 1" - 8 x 6", Gr 5

- hex, 1 NC x 6 inch

3шт.

28

H435475

SPACER

- blade mounting bracket

3шт.

Выбрано товаров: 30