Запчасти Case 860 (2-26) - OIL FILTER AND COOLER - 4T-390 ENGINE (02) - ENGINE

Схема запчастей Case 860 - (2-26) - OIL FILTER AND COOLER - 4T-390 ENGINE (02) - ENGINE
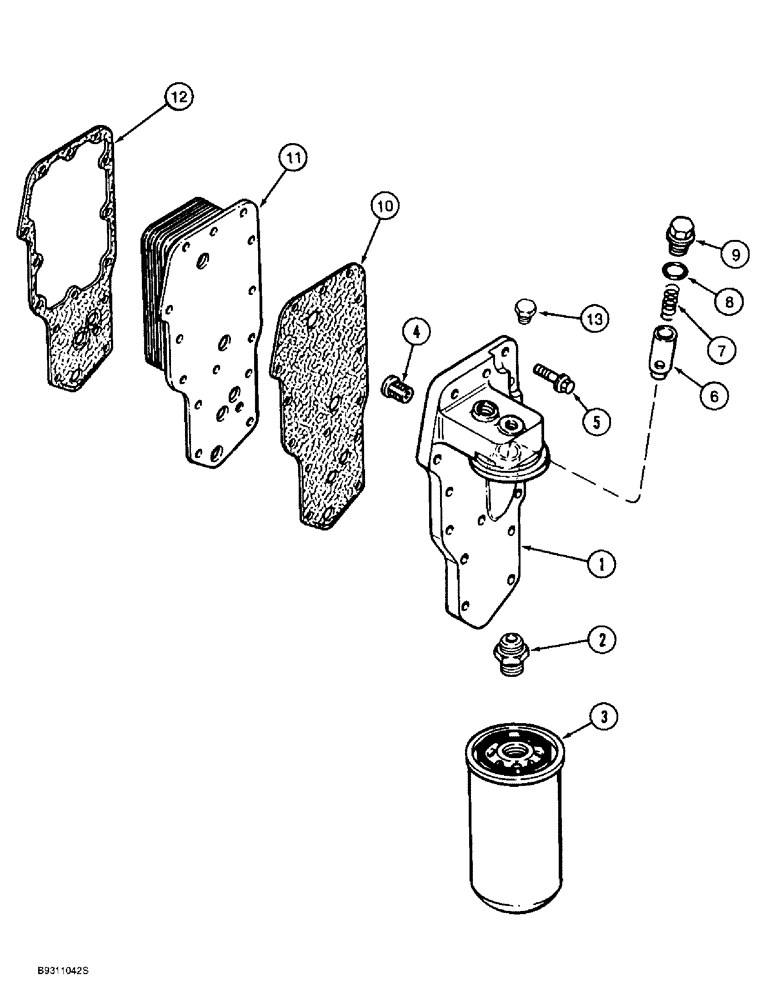
1
9
4
7
3
11
5
10
8
6
12
2
13
FIT
1:1
100%

Артикул

Название

Примечание

Количество

J918954

HEAD

ASSEMBLY - oil filter and cooler, Includes: Ref. 1 and 2

1шт.

1

NSS

NOT SOLD SEPARAT

HEAD - lube oil filter

1шт.

2

J909355

ADAPTER

- filter head

1шт.

3

J908615

FILTER

- engine oil, cartridge

1шт.

4

J902338

VALVE, PRESSURE RELI

VALVE - relief, pressure

1шт.

5

845-8035

BOLT,Hvy Hex, M8 x 35mm, Cl 8.8

- heavy hex flange, 8 - 1.25 x 35 mm

14шт.

6

J918428

PLUNGER

- regulator, pressure

1шт.

7

J918427

SPRING

- compression, 54 mm free length

1шт.

8

238-5115

O-RING,0.103" Thk x 0.674" ID, -115, Cl 5, 75 Duro

1шт.

9

J915787

PLUG

- threaded

1шт.

10

J918257

GASKET

- filter head

1шт.

11

J921557

COOLER

CORE - cooler, oil

1шт.

12

J918256

GASKET

- cooler core, oil

1шт.

13

J906619

PLUG,1/8" - 27

- hex, 1/8 inch PT

1шт.

Выбрано товаров: 14