Запчасти Case 860 (4-24) - NEUTRAL START SWITCH ASSEMBLY - H674230 (04) - ELECTRICAL SYSTEMS

Схема запчастей Case 860 - (4-24) - NEUTRAL START SWITCH ASSEMBLY - H674230 (04) - ELECTRICAL SYSTEMS
11
8
16
2
6
1
14
5
12
4
9
13
7
10
3
9
12
9
7
15
FIT
1:1
100%

Артикул

Название

Примечание

Количество

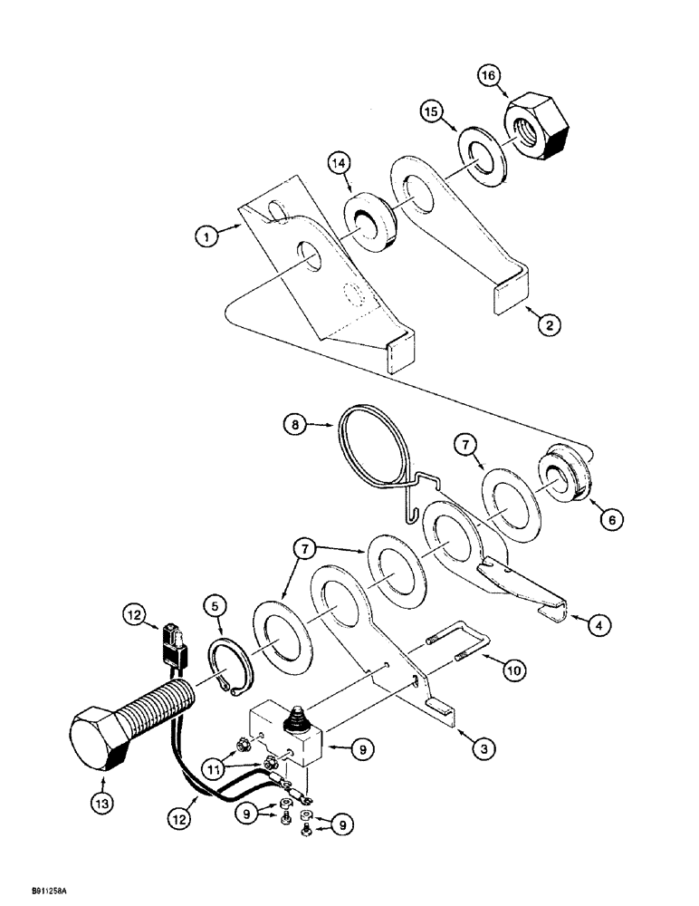
H674230

SWITCH

ASSEMBLY - neutral start, Includes: Ref. 1 - 16

1шт.

1

H437550

LARGE PLATE

BRACKET - switch mounting

1шт.

2

H438465

LARGE PLATE

PLATE - actuator

1шт.

H673263

MOUNTING PARTS

MOUNT ASSEMBLY - switch, Includes: Ref. 3 - 7

1шт.

3

H436227

PLATE

- switch mounting

1шт.

4

H436226

CONTACT PLATE

PLATE - switch contact

1шт.

5

F62020

SNAP RING,#125, Ext

Ring, Snap, , hub #125, Ext

1шт.

6

H435800

HUB

- switch contact plate

1шт.

7

H257915

SHIM,0.813mm Thk

(.031"), Switch hub 0.813mm Thk

3шт.

8

H436231

SPRING

- switch contact plate

1шт.

9

H435820

SWITCH

- neutral start, includes terminal hardware

1шт.

10

H435814

U-BOLT

- switch mounting

1шт.

11

193-1003

NUT,Keps, w/LW,#6-32

- hex, with external tooth lock washer, No. 6 NC

2шт.

12

H436183

CONNECTOR, ELEC

WIRE - connector, Serial Range: switch-harness

1шт.

13

413-1232

BOLT,Hex, 3/4" - 10 x 2", Gr 5

- hex, 3/4 NC x 2 inch

1шт.

14

H435881

HUB

SPACER - actuator plate

1шт.

15

495-11081

WASHER,3/4", SAE

1шт.

16

232-41112

NUT,3/4"-10, GC

NUT, LOCK, 3/4"-10, GC

1шт.

Выбрано товаров: 18