Запчасти Case 960 (02-02) - AIR CLEANER AIR INTAKE (02) - ENGINE

Схема запчастей Case 960 - (02-02) - AIR CLEANER AIR INTAKE (02) - ENGINE
4
13
8
3
8
5
14
13
6
2
10
7
11
12
15
7
1
9
13
9
FIT
1:1
100%

Артикул

Название

Примечание

Количество

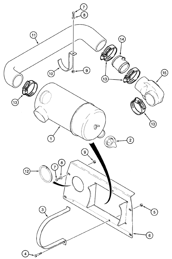
1

A184464

AIR CLEANER

See Page(s) 2-9

1шт.

2

A189052

DUST VALVE

51 mm (2.12 in)

1шт.

3

H439052

CLAMP

1шт.

4

413-624

BOLT,Hex, 3/8" - 16 x 1-1/2", Gr 5

1шт.

5

232-4116

NUT,3/8"-16, GC

1шт.

6

281067A3

CHANNEL

1шт.

7

413-616

BOLT,Hex, 3/8" - 16 x 1", Gr 5

5шт.

8

496-21041

WASHER,13/32" x 13/16" x .089", HDN

5шт.

9

232-4116

NUT,3/8"-16, GC

5шт.

10

H439186

BRACKET

1шт.

11

H439146

INTAKE AIR HOSE,76.20 mm ID x 658.00 mm, SAE J200

1шт.

12

H434709

TERMINAL STRIP

200 mm (7-7/8 in) lg

1шт.

13

214-1456

HOSE CLAMP,#56, 3.06" - 4", Type F Worm

3-1/16 - 4 in dia

4шт.

14

D132805

COUPLING

1шт.

15

A172545

ELBOW

1шт.

Выбрано товаров: 15