Запчасти Case 960 (08-08) - HYDRAULICS OIL COOLER AND LINES (08) - HYDRAULICS

Схема запчастей Case 960 - (08-08) - HYDRAULICS OIL COOLER AND LINES (08) - HYDRAULICS
5
4
10
6
11
1
2
9
4
6
7
5
12
6
3
8
FIT
1:1
100%

Артикул

Название

Примечание

Количество

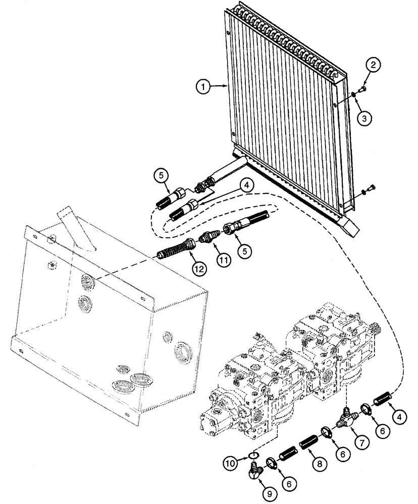
1

389179A4

COOLER

Hydraulic Oil

1шт.

2

614-8016

BOLT,Hex, M8 x 1.25 x 16mm, Cl 8.8, Full Thd

4шт.

3

895-11008

WASHER,9mm ID x 16mm OD x 1.6mm Thk

4шт.

4

399337A2

HOSE

1400 mm (55-1/8 in), Cooler Inlet

1шт.

5

399338A2

HOSE

1105 mm (43-1/2 in), Cooler Outlet

1шт.

6

214-3228

HOSE CLAMP,1" - 1-7/8", HD Worm, W/ Liner

3шт.

7

375462A1

FITTING

1шт.

8

399336A1

HOSE,25.40 mm ID x 290.00 mm, SAE 16, SAE J516

1шт.

9

217-366

FITTING,90 Degree Elbow, 1" Hose Barb x 1-1/16" - 12 Male ORB

Includes Ref. 11

1шт.

10

237-6012

O-RING,0.116" Thk x 0.924" ID, -912, Cl 6, 90 Duro

1шт.

11

218-448

HYD CONNECTOR,1-5/16" - 12 Male JIC x 1" - 11-1/2 Male NPTF

1-5/16 fl x 1 PT

1шт.

12

H151399

FILTER STRAINER

1шт.

Выбрано товаров: 12