Запчасти Case 960 (02-10) - TURBOCHARGER SYSTEM (02) - ENGINE

Схема запчастей Case 960 - (02-10) - TURBOCHARGER SYSTEM (02) - ENGINE
14
12
1
20
22
19
10
21
17
14
13
8
8
7
11
9
5
4
2
21
15
9
7
18
22
16
3
FIT
1:1
100%

Артикул

Название

Примечание

Количество

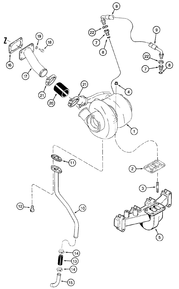
1

J592015

TURBOCHARGER

See Page(s) 2-29

1шт.

2

J919369

GASKET,0.5mm Thk

1шт.

3

J818823

STUD

Mounting

4шт.

4

J818824

FLANGE NUT

M10

4шт.

5

J901635

MANIFOLD

Exhaust, See Page(s) 2-25

1шт.

7

J919687

HYD CONNECTOR

Includes 8

2шт.

8

238-5013

O-RING,0.07" Thk x 0.426" ID, -13, Cl 5, 75 Duro

1шт.

9

J909545

HOSE

406 mm (16.0")

1шт.

10

J934484

TUBE,22.22 mm OD x 350.3, 158 mm L

1шт.

11

J937706

GASKET,0.79mm Thk

1шт.

12

845-8020

BOLT,Hvy Hex, M8 x 20mm, Cl 8.8

2шт.

13

J931970

HOSE,22.22 mm ID x 76.20 mm

1шт.

14

214-1416

HOSE CLAMP,#16, 0.81" - 1.5", Type F Worm

2шт.

15

J931973

TUBE,0.875" OD

1шт.

16

J914856

GASKET,1.02mm Thk

1шт.

17

J933337

CONNECTOR, ELEC

CONNECTOR

1шт.

18

J918109

FLANGE BOLT,Hex, M8 x 1.25 x 25mm

4шт.

19

J918189

SEALING WASHER

4шт.

20

J916438

INTAKE AIR HOSE

80 mm (3-1/8 in)

1шт.

21

214-3240

HOSE CLAMP,1-3/4" - 2-5/8", HD Worm, W/ Liner

2шт.

22

222-993

GASKET,3/8 Tube, Fl, Copper

2шт.

Выбрано товаров: 0