Запчасти Case 960 (09-30) - MOUNTING BOOM, TRENCHER (09) - CHASSIS

Схема запчастей Case 960 - (09-30) - MOUNTING BOOM, TRENCHER (09) - CHASSIS
18
17
4
20
11
11
17
7
2
12
16
4
12
17
10
27
8
2
15
25
9
22
3
6
23
26
28
13
1
9
16
18
18
19
11
3
14
5
24
21
FIT
1:1
100%

Артикул

Название

Примечание

Количество

Rock Boom

1шт.

5 Foot

1шт.

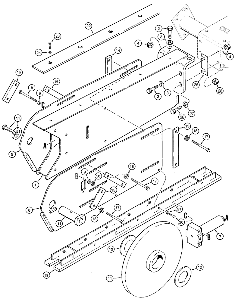
1

251025A1

BOOM

5 ft, Rock

1шт.

2

413-1240

BOLT,Hex, 3/4" - 10 x 2-1/2", Gr 5

4шт.

3

D34666

WASHER,33.34mm ID x 63.5mm OD x 2.38mm Thk

25/32 x 1-3/8 x 9/64, Hardened

4шт.

4

231-51412

FLANGE NUT,Flg, USR, 3/4"-10

4шт.

5

123762A2

PLATE

Left Hand

1шт.

6

123765A1

LARGE PLATE

PLATE, LARGE , Right Hand

1шт.

7

H672751

CYLINDER

Chain, See Page(s) 9-109

1шт.

8

413-880

BOLT,Hex, 1/2" - 13 x 5", Gr 5

1/2 x 5

2шт.

9

H274894

WASHER

4шт.

10

232-4118

NUT,1/2"-13, GC

2шт.

11

H672962

ROLLER

Use With 123765A1, See Page(s) 9-107

1шт.

Rock Boom

1шт.

5 Foot

1шт.

12

H435229

WASHER,80.2mm ID x 140mm OD x 1.58mm Thk

2шт.

13

H434510

BAR

Long, Right Hand

1шт.

14

H434511

BAR

Long, Tapped, Left Hand

1шт.

15

H434671

BAR

Short, Right Hand

2шт.

16

H434555

BAR

Short, Tapped, Left Hand

2шт.

17

426-1088

BOLT,Hex, 5/8" - 11 x 5-1/2", Gr 8

6шт.

18

H434670

LOCK WASHER

6шт.

Rock Boom

1шт.

5 Foot

1шт.

19

H672820

CHANNEL

Lower

1шт.

20

413-620

BOLT,Hex, 3/8" - 16 x 1-1/4", Gr 5

10шт.

21

496-21041

WASHER,13/32" x 13/16" x .089", HDN

10шт.

22

H434850

BAR

Upper

1шт.

23

413-616

BOLT,Hex, 3/8" - 16 x 1", Gr 5

5шт.

24

492-11038

LOCK WASHER,3/8"

5шт.

25

251337A1

SHIM

1шт.

26

426-1640

BOLT,Hex, 1" - 8 x 2-1/2", Gr 8

1 NC x 2-1/2;8

2шт.

27

D36505

WASHER,26.99mm ID x 47.63mm OD x 2.38mm Thk

2шт.

28

232-41116

LOCK NUT,1"-8, GC

2шт.

Выбрано товаров: 34