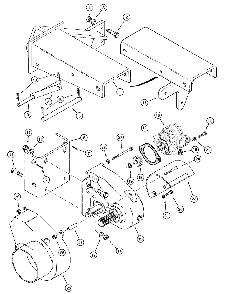
Запчасти Case 960 (09-41) - MOUNTING HYDRA-BORER AND GEARBOX (09) - CHASSIS

Схема запчастей Case 960 - (09-41) - MOUNTING HYDRA-BORER AND GEARBOX (09) - CHASSIS
18
10
28
11
12
1a
23
29
2
16
13
30
19
7
3
21
15
31
26
5
8
1
22
9
7
6
14
25
11
4
20
10
14
27
17
12
24
FIT
1:1
100%

Артикул

Название

Примечание

Количество

1

H672616

FRAME

Hydra-Borer, Without Quad Option

1шт.

1a

138645A1

ANCHOR

Hydra-Borer, With Quad Option

1шт.

2

413-856

BOLT,Hex, 1/2" - 13 x 3-1/2", Gr 5

3-4шт.

3

495-31025

WASHER,3/16"

1/4 x 9/16 x 3/64

3-4шт.

4

230-4218

LOCK NUT,1/2"-13, GA

3-4шт.

5

H672537

MOUNTING PARTS

Gearbox Mounting

1шт.

6

H434278

SHAFT

Pivot

1шт.

7

432-1624

COTTER PIN,1/4" x 1 1/2"

2шт.

8

H434194

LINK

2шт.

9

H175414

PIN

1шт.

10

H32292

PIN

2шт.

11

413-832

BOLT,Hex, 1/2" - 13 x 2", Gr 5

4шт.

12

496-21053

WASHER,17/32" x 1 1/16" x .134"

Hardened

4шт.

13

H666875

GEARBOX ASSY

Includes 30, 31, See Page(s) 9-137

1шт.

14

230-4218

LOCK NUT,1/2"-13, GA

4шт.

15

H654814

MOTOR

Hydraulic, See Page(s) 8-163

1шт.

16

221-84

REDUCER,Hex, 1/4" x 1/8" NPT

1/4 male x 1/8 fem, Pipe

1шт.

17

H32375

GASKET

Motor

1шт.

18

H29223

SPUR

SPARE PART , Input Pinion

1шт.

19

100-1168

SNAP RING,#68, Ext

2шт.

20

413-720

BOLT,Hex, 7/16" - 14 x 1-1/4", Gr 5

2шт.

21

492-11044

LOCK WASHER,7/16"

2шт.

22

H645838

SHIELD

1шт.

23

H645788

GUARD

1шт.

24

413-544

BOLT,Hex, 5/16" - 18 x 2-3/4", Gr 5

1шт.

25

H217174

SPACER

1шт.

26

230-4215

NUT,5/16"-18, GA

1шт.

27

413-672

BOLT,Hex, 3/8" - 16 x 4-1/2", Gr 5

3/8 x 4-1/2

1шт.

28

495-11041

WASHER,0.406" ID x 0.812" OD x 0.065" W

(13/32 x 13/16 x 1/16")

1шт.

29

230-4216

LOCK NUT,3/8"-16, GA

1шт.

30

413-616

BOLT,Hex, 3/8" - 16 x 1", Gr 5

2шт.

31

492-11038

LOCK WASHER,3/8"

2шт.

32

432-816

COTTER PIN,1/8" x 1"

2шт.

33

495-11081

WASHER,3/4", SAE

2шт.

Выбрано товаров: 0