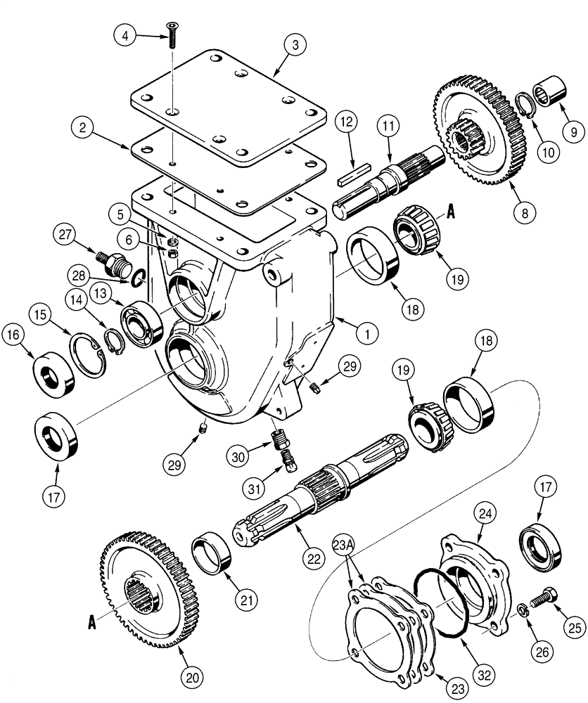
Запчасти Case 960 (09-42) - GEARBOX ASSY HYDRA-BORER (09) - CHASSIS

Схема запчастей Case 960 - (09-42) - GEARBOX ASSY HYDRA-BORER (09) - CHASSIS
27
13
24
23
3
29
23a
28
31
32
18
20
30
17
22
25
4
19
18
8
29
15
26
17
21
12
2
19
10
14
6
5
1
9
11
16
FIT
1:1
100%

Артикул

Название

Примечание

Количество

H666875

GEARBOX ASSY

Includes 1 - 32

1шт.

1

H424234

HOUSING

Gearbox

1шт.

2

H425991

GASKET

1шт.

3

H426015

PLATE

Bottom

1шт.

4

61-42520

HEX SOC SCREW,Flat Hd, 1/4"-20 x 1 1/4"

1/4 x 1-1/4

4шт.

5

492-11025

LOCK WASHER,1/4"

4шт.

6

425-104

NUT,1/4"-20, Cl 5

4шт.

8

H425967

GEAR

Counter

1шт.

9

A28210

BEARING, NEEDLE,1" ID x 1.25" OD x 1"

1шт.

10

100-11100

SNAP RING,#100, Ext

1шт.

11

H668020

SHAFT

Reducton Gear

1шт.

12

T25070

KEY

1/4 x 2

1шт.

13

ST-213

Output

1шт.

14

101-11118

SNAP RING,#118, 1.121", Ext

1шт.

15

100-21244

SNAP RING,2.44", Int, #244

1шт.

16

220796A1

SEAL

Output End

1шт.

17

H759068

SEAL

Output Shaft

2шт.

18

A30580

BEARING CUP

Bearing

2шт.

19

A29465

ROLLER BEARING,34.938 mm ID x 24.684 mm

Bearing

2шт.

20

H425975

GEAR

Output

1шт.

21

H425959

SPACER

Gear

1шт.

22

H425983

SHAFT

Output

1шт.

23

H426031

GASKET

1шт.

23a

220795A1

SHIM

Special

2шт.

24

H426007

BEARING CAP

Bearing

1шт.

25

413-616

BOLT,Hex, 3/8" - 16 x 1", Gr 5

4шт.

26

492-11038

LOCK WASHER,3/8"

4шт.

27

H425942

PLUG

Anchor, Includes 28

1шт.

28

237-6010

O-RING,0.097" Thk x 0.755" ID, -910, Cl 6, 90 Duro

1шт.

29

86539484

PIPE PLUG,Sq Hd, 1/8"-27, NTPF

1/8 PT

2шт.

30

221-85

REDUCER,Hex, 3/8" x 1/8" NPT

Pipe

1шт.

31

A50096

VALVE

Housing

1шт.

32

238-5152

O-RING,0.103" Thk x 3.237" ID, -152, Cl 5, 75 Duro

Cover

1шт.

Выбрано товаров: 33