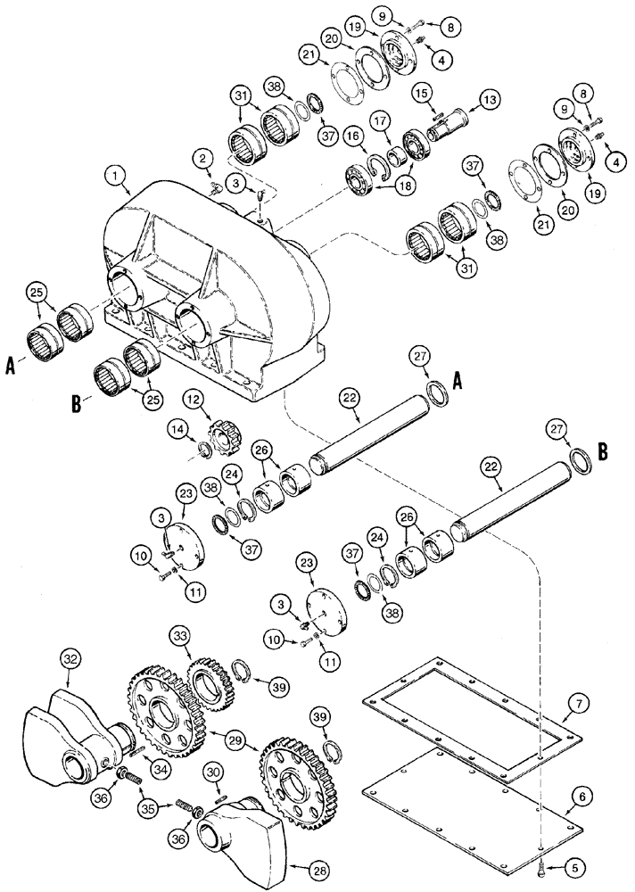
Запчасти Case 960 (09-51) - PLOW GEARBOX ASSY (09) - CHASSIS

Схема запчастей Case 960 - (09-51) - PLOW GEARBOX ASSY (09) - CHASSIS
38
14
8
37
24
3
17
18
10
37
11
15
30
27
20
2
20
26
4
36
38
6
37
21
3
19
9
37
26
7
10
16
34
33
23
25
1
8
22
12
31
22
29
19
36
31
24
28
38
5
38
35
13
23
39
4
25
39
11
32
9
3
9
27
FIT
1:1
100%

Артикул

Название

Примечание

Количество

H674911

BOX

Consists Of 1 - 38

1шт.

1

H434378

CASE

1шт.

2

222-763

ELBOW,90 Degree, 7/16"-20, 45 Degree Fl x 1/4" NPT

7/16 fl x 1/4 PT

1шт.

3

219-57

LUBE NIPPLE,90 Degree Elbow, 1/4" - 28 NPTF

1/4 tpr x 3/4

3шт.

4

219-8

LUBE NIPPLE,1/4" - 28 NPTF

2шт.

5

413-612

BOLT,Hex, 3/8" - 16 x 3/4", Gr 5

2шт.

6

H436310

LARGE PLATE

PLATE, LARGE

1шт.

7

H146464

GASKET

1шт.

8

413-516

BOLT,Hex, 5/16" - 18 x 1", Gr 5

16шт.

9

492-11031

LOCK WASHER,5/16"

8шт.

10

413-520

BOLT,Hex, 5/16" - 18 x 1-1/4", Gr 5

5/16 x 1-1/4

8шт.

11

492-11031

LOCK WASHER,5/16"

8шт.

12

H434401

GEAR

Drive

1шт.

13

H434385

DRIVE SHAFT

1шт.

14

100-11150

SNAP RING,#150, Ext

1шт.

15

H380030

KEY

1шт.

16

100-21315

SNAP RING,3.156", Int, #315

1шт.

17

H189795

SPACER

Bearing

1шт.

18

H753194

BEARING

Drive Shaft

2шт.

19

H436676

BEARING CAP

2шт.

20

H151779

SHIM,.005" Thk

(0.127 mm)

1шт.

21

H151787

SHIM,.015" Thk

(0.381 mm)

1шт.

22

H436675

SHAFT

2шт.

23

103329A1

BEARING CAP,89.2 mm ID x 140 mm OD x 20 mm

2шт.

24

100-18250

SNAP RING,#250, Ext

2шт.

25

H759123

ROLLER BEARING

Matched Set

2шт.

26

H759125

RACE

2шт.

27

H147934

SPACER

2шт.

28

H438979

BALANCER

Single, Shaft

1шт.

29

H434403

GEAR

Driven

2шт.

30

H43380

KEY

1шт.

31

H759124

ROLLER BEARING

2шт.

32

H438980

BALANCER

Divided

1шт.

33

H434402

GEAR

Driven

1шт.

34

H434406

KEY

1шт.

35

83-66232

SET SCREW,Hex Soc, 5/8"-11 x 2"

5/8 x 2

2шт.

36

425-1410

JAM NUT,Jam, 5/8"-11, G5

5/8

2шт.

37

A54022

THRUST BEARING,44.56mm ID x 63.13mm OD x 1.98mm W

4шт.

38

H147785

BEARING WASHER

1шт.

39

100-11325

SNAP RING,#325, Ext

2шт.

Выбрано товаров: 0