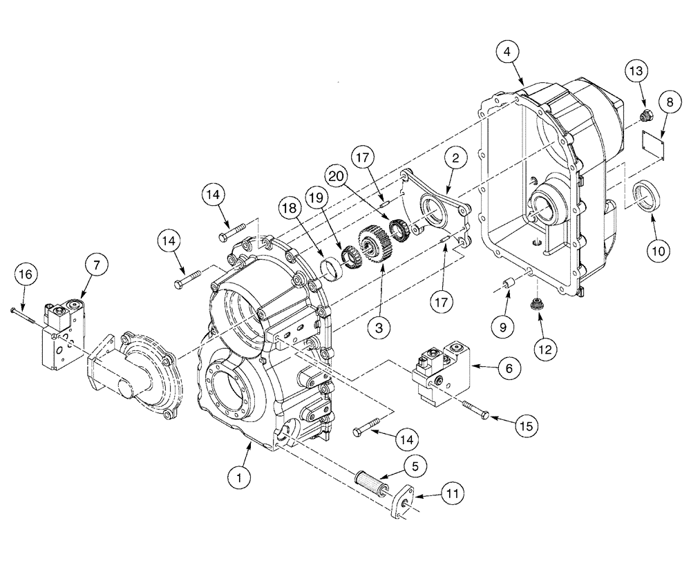
Запчасти Case 960 (06-11) - TRANSMISSION PLANETARY (06) - POWER TRAIN

Схема запчастей Case 960 - (06-11) - TRANSMISSION PLANETARY (06) - POWER TRAIN
2
14
11
15
17
8
1
9
20
14
18
12
13
4
17
14
3
19
16
6
5
10
7
FIT
1:1
100%

Артикул

Название

Примечание

Количество

358034A2

TRANSMISSION

Includes 6-37 - 6-49, 7-3

1шт.

1

363468A1

HOUSING

Rear

1шт.

2

363469A1

HOUSING

1шт.

3

363470A1

GEAR

Drop Set Drive

1шт.

4

363480A1

HOUSING

Front

1шт.

5

278534A1

FILTER SCREEN

Suction Screen

1шт.

6

383591A2

VALVE, CONTROL

See Page(s) 6-39

1шт.

7

379939A2

VALVE, CONTROL

Range, See Page(s) 6-41

1шт.

8

363461A1

1шт.

9

363466A1

BUSHING

1шт.

10

363487A1

SEALING RING

1шт.

11

363577A1

PLUG

1шт.

12

100557A1

PLUG, DRAIN,M30 x 2

Drain

1шт.

13

353-279

PLUG,7/8" - 14 ORB

7/8

1шт.

14

614-10030

BOLT,Hex, M10 x 1.5 x 30mm, Cl 8.8, Full Thd

19шт.

15

614-8030

BOLT,Hex, M8 x 1.25 x 30mm, Cl 8.8, Full Thd

2шт.

16

814-6060

BOLT,Hex, M6 x 1 x 60mm, Cl 8.8

3шт.

17

K260177

PIN

10 x 25 mm

2шт.

18

408476A1

THRUST WASHER

1шт.

19

389105A1

TAPERED BEARING

1шт.

20

389103A1

TAPERED BEARING

1шт.

Выбрано товаров: 21