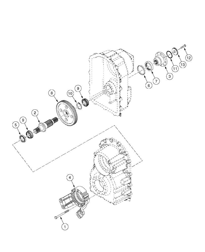
Запчасти Case 960 (06-17) - TRANSMISSION SHAFT, OUTPUT (06) - POWER TRAIN

Схема запчастей Case 960 - (06-17) - TRANSMISSION SHAFT, OUTPUT (06) - POWER TRAIN
11
9
7
4
5
13
9
8
6
10
2
12
1
3
FIT
1:1
100%

Артикул

Название

Примечание

Количество

358034A2

TRANSMISSION

Includes 6-37 - 6-49, 7-3

1шт.

1

844-10080

BOLT,Hvy Hex, M10 x 80mm, Cl 8.8

M10 x 80

11шт.

2

363471A1

SHAFT

Output

1шт.

3

408477A1

FLANGE

Drive Shaft

1шт.

4

363475A1

SUPPORT

1шт.

5

363476A1

SEAL

1шт.

6

363478A1

Yoke

1шт.

7

363487A1

SEALING RING

1шт.

8

363578A1

GEAR

Driven

1шт.

9

389105A1

TAPERED BEARING

2шт.

10

800-1155

RETAINER,55mm ID

1шт.

11

238-5136

O-RING,0.103" Thk x 1.987" ID, -136, Cl 5, 75 Duro

1шт.

12

614-12040

BOLT,Hex, M12 x 1.75 x 40mm, Cl 8.8, Full Thd

1шт.

13

438402A1

WASHER

1шт.

14

408500A1

PLUG

Not Illustrated

1шт.

Выбрано товаров: 15