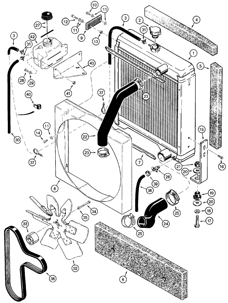
Запчасти Case 960 (02-01) - RADIATOR FAN (02) - ENGINE

Схема запчастей Case 960 - (02-01) - RADIATOR FAN (02) - ENGINE
4
9
11
38
14
40
24
22
7
23
30
13
16
28
8
31
21
25
23
3
32
20
36
37
3
5
20
26
10
15
35
17
43
41
19
42
29
11
18
2
11
37
39
12
6
34
33
31
1
25
27
FIT
1:1
100%

Артикул

Название

Примечание

Количество

1

300143A1

RADIATOR

Engine Cooling

1шт.

2

A170241

RADIATOR CAP

15 psi

1шт.

3

H416354

FUEL HOSE,7.90 mm ID x 1800.00 mm, SAE 30R6

Cut from Bulk Hose

1шт.

4

H433687

55 (2-3/16) x 560 mm (22, Radiator, Top, Cut From D92228

1шт.

5

H433688

65 (2-9/16) x 575 mm (22-, Radiator, Side, Cut From D92228

2шт.

6

389592A3

BAFFLE

Radiator, Bottom

1шт.

7

258663A1

SEAL

2шт.

8

241140A3

SHROUD

Fan

1шт.

9

H433231

STRAP

2шт.

10

614-8020

BOLT,Hex, M8 x 1.25 x 20mm

2шт.

11

896-15008

WASHER,9mm ID x 21mm OD x 2.5mm Thk

9 x 21 x 2,5 mm

9шт.

12

413-520

BOLT,Hex, 5/16" - 18 x 1-1/4", Gr 5

5/16 x 1-1/4

2шт.

13

H435223

NUT

5/16

2шт.

14

614-8020

BOLT,Hex, M8 x 1.25 x 20mm

4шт.

15

H433373

BRACKET

2шт.

16

905-8020

BOLT,Hex Flg, M8 x 20mm

M8 x 20

4шт.

17

413-840

BOLT,Hex, 1/2" - 13 x 2-1/2", Gr 5

1/2 x 2-1/2

2шт.

18

496-81053

17/32 x 1-1/16 x 1/8

2шт.

19

CASL13142

BUSHING

2шт.

20

496-81018

WASHER,0.521" ID x 2" OD x 0.108 Thk, ZND

33/64 x 2 x 1/8

2шт.

21

230-4218

LOCK NUT,1/2"-13, GA

2шт.

22

106568A1

RADIATOR HOSE,44.50 mm ID x 279.00 mm

1шт.

23

214-1432

HOSE CLAMP,#32, 1.56" - 2.5", Type F Worm

2шт.

24

A170644

RADIATOR HOSE,58.00 mm ID x 217.00 mm, SAE J20

Lower

1шт.

25

214-1436

HOSE CLAMP,#36, 1.81" - 2.75", Type F Worm

2шт.

26

H434809

COCK, DRAIN

1шт.

27

A184079

CAP

1шт.

28

614-2085

5/16 x 1

2шт.

29

895-11008

WASHER,9mm ID x 16mm OD x 1.6mm Thk

2шт.

30

A171871

HOSE,7.50 mm ID, 8.30 mm ID x 600.00 mm, SAE J30

1шт.

31

A171099

HOSE CLAMP,13.2mm - 15.4mm

3шт.

32

390305A1

FAN

1шт.

33

A184547

SPACER

1шт.

34

827-10095

M10 x 70; 10.9

4шт.

35

495-15010

13/32 x 13/16 x 3/32

4шт.

36

J911557

V-BELT,27.92mm W x 1422.4mm L, 8 Ribs

1шт.

37

L18337

CABLE TIE,9.95"-12.1" lg

CABLE STRAP , 15 in

2шт.

38

H439168

HOSE,9.52 mm ID x 705.00 mm, SAE 30R6

680 mm (26-3/4 in)

1шт.

39

214-1708

HOSE CLAMP,#08, 0.5" - 0.91", Type M Worm

1/2 - 29/32

1шт.

40

515-23159

CLAMP,5/8", Insul, 3/8" Bolt

2шт.

41

832-41308

NUT,M8 x 1.25, Cl 10

2шт.

42

138189A1

RESERVOIR

1шт.

43

291704A1

SUPPORT

1шт.

Выбрано товаров: 43