Запчасти Case CASE (16) - WATER PUMP MOUNTING

Схема запчастей Case CASE - (16) - WATER PUMP MOUNTING
FIT
1:1
100%

Артикул

Название

Примечание

Количество

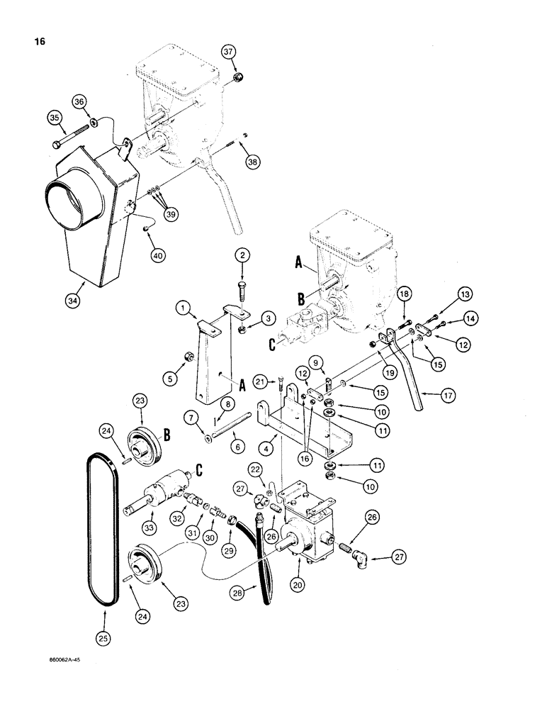
1

H519389

SUPPORT

- water pump mounting bracket

1шт.

For gearbox and mounting see figure .4

1шт.

Part of water pump attaching kit P/N H668475

1шт.

1

H519389

SUPPORT

water pump mounting bracket

1шт.

Part of water pump attaching kit P/N H668475

1шт.

2

113-441

BOLT,Hex, 1/2" - 13 x 2-1/4", Gr 5

Hex, 1/2"-13 x 2 1/4", G5

2шт.

3

131-1153

LOCK NUT,1/2"-13, GC

NUT, LOCK, 1/2"-13, GC

2шт.

4

H519397

PUMP

BRACKET - water pump mounting

1шт.

For gearbox and mounting see figure .4

1шт.

Part of water pump attaching kit P/N H668475

1шт.

5

129-125

NUT,1/2"-20, G5

1шт.

For gearbox and mounting see figure .4

1шт.

Part of water pump attaching kit P/N H668475

1шт.

6

H87460

PIN

- bracket mounting

1шт.

For gearbox and mounting see figure .4

1шт.

Part of water pump attaching kit P/N H668475

1шт.

7

195-533

WASHER,1/2", SAE

- flat, 1/2", plated

2шт.

For gearbox and mounting see figure .4

1шт.

Part of water pump attaching kit P/N H668475

1шт.

8

132-310

COTTER PIN,1/8" x 1"

PIN, SPLIT (COTTER), 1/8" x 1"

2шт.

For gearbox and mounting see figure .4

1шт.

Part of water pump attaching kit P/N H668475

1шт.

9

H71233

STUD

- special, belt adjuster

1шт.

For gearbox and mounting see figure .4

1шт.

Part of water pump attaching kit P/N H668475

1шт.

10

129-167

JAM NUT,Jam, 5/8"-18, G5

- hex, jam, 5/8" - 18 NF, plated

2шт.

For gearbox and mounting see figure .4

1шт.

Part of water pump attaching kit P/N H668475

1шт.

11

195-541

WASHER,5/8", SAE

- flat, 5/8", plated

2шт.

For gearbox and mounting see figure .4

1шт.

Part of water pump attaching kit P/N H668475

1шт.

12

H71241

DRAG LINK

LINK - belt adjuster

2шт.

For gearbox and mounting see figure .4

1шт.

Part of water pump attaching kit P/N H668475

1шт.

13

113-5

BOLT,Hex, 1/4" - 20 x 1-1/2", Gr 5

Hex, 1/4"- 20 x 1 1/2", G5

1шт.

For gearbox and mounting see figure .4

1шт.

Part of water pump attaching kit P/N H668475

1шт.

14

113-17

BOLT,Hex, 1/4" - 20 x 1-1/4", Gr 5

1шт.

For gearbox and mounting see figure .4

1шт.

Part of water pump attaching kit P/N H668475

1шт.

15

195-518

WASHER,1/4", SAE

- flat, 1/4", plated

3шт.

For gearbox and mounting see figure .4

1шт.

Part of water pump attaching kit P/N H668475

1шт.

16

131-1214

LOCK NUT,1/4"-20, GC

NUT - hex, self-locking, 1/4" - 20 NC, plated

2шт.

For gearbox and mounting see figure .4

1шт.

Part of water pump attaching kit P/N H668475

1шт.

17

H665943

LEVER

- belt adjusting

1шт.

For gearbox and mounting see figure .4

1шт.

Part of water pump attaching kit P/N H668475

1шт.

18

113-121

BOLT,Hex, 5/16" - 18 x 2", Gr 5

Not used with Ref. 34 guard Hex, 5/16"-18 x 2", G5

1шт.

For gearbox and mounting see figure .4

1шт.

Part of water pump attaching kit P/N H668475

1шт.

19

131-1215

LOCK NUT,5/16"-18, GC

NUT, LOCK, 5/16"-18, GC

1шт.

For gearbox and mounting see figure .4

1шт.

Part of water pump attaching kit P/N H668475

1шт.

20

H668442

PUMP, WATER

PUMP ASSEMBLY - water, parts list figure 18

1шт.

For gearbox and mounting see figure .4

1шт.

Part of water pump attaching kit P/N H668475

1шт.

21

113-208

BOLT,Hex, 3/8" - 16 x 1-1/4", Gr 5

4шт.

For gearbox and mounting see figure .4

1шт.

Part of water pump attaching kit P/N H668475

1шт.

22

131-1216

LOCK NUT,3/8"-16, GC

NUT, LOCK, 3/8"-16, GC

4шт.

For gearbox and mounting see figure .4

1шт.

Part of water pump attaching kit P/N H668475

1шт.

23

H87494

SHEAVE

- drive and driven

2шт.

For gearbox and mounting see figure .4

1шт.

Part of water pump attaching kit P/N H668475

1шт.

24

T13450

KEY

- square, 1/4" x 1-1/4" long, sheave

2шт.

For gearbox and mounting see figure .4

1шт.

Part of water pump attaching kit P/N H668475

1шт.

25

H88005

BELT

- pump drive

1шт.

For gearbox and mounting see figure .4

1шт.

Part of water pump attaching kit P/N H668475

1шт.

26

221-1211

FITTING

NIPPLE - pipe, 3/4" NPT x 1-3/8" long

2шт.

For gearbox and mounting see figure .4

1шт.

Part of water pump attaching kit P/N H668475

1шт.

27

221-1378

ELBOW,90º, 3/4" NPT

- 90 degree, female, 3/4" NPT

2шт.

For gearbox and mounting see figure .4

1шт.

Part of water pump attaching kit P/N H668475

1шт.

28

H78295

HOSE

- 36" (914 mm) long, water

1шт.

For gearbox and mounting see figure .4

1шт.

Part of water pump attaching kit P/N H668475

1шт.

29

214-256

HOSE CLAMP,#20, 0.81" - 1.75", Type F Worm

CLAMP - hose, worm drive, SAE No. 20

1шт.

For gearbox and mounting see figure .4

1шт.

Part of water pump attaching kit P/N H668475

1шт.

30

H78303

COUPLING

COUPLER - quick disconnect, with 3/4" ID hose barb

1шт.

For gearbox and mounting see figure .4

1шт.

Part of water pump attaching kit P/N H668475

1шт.

31

H88104

GASKET

- coupler

1шт.

For gearbox and mounting see figure .4

1шт.

Part of water pump attaching kit P/N H668475

1шт.

32

H78311

CLAMP

COUPLER - quick disconnect, with 3/4" NPT male adapter

1шт.

For gearbox and mounting see figure .4

1шт.

Part of water pump attaching kit P/N H668475

1шт.

33

H522367

COUPLING

COUPLER ASSEMBLY - water, wet boring, see parts list figure 24

1шт.

34

H669119

BELT

GUARD - belt, Hydra-Borer water pump

1шт.

For gearbox and mounting see figure .4

1шт.

Part of water pump attaching kit P/N H668475

1шт.

35

113-432

BOLT,Hex, 1/2" - 13 x 4-3/4", Gr 5

1шт.

For gearbox and mounting see figure .4

1шт.

Part of water pump attaching kit P/N H668475

1шт.

36

196-15

WASHER,17/32" x 1 1/6" x .134"

- flat, 1/2", plated

1шт.

For gearbox and mounting see figure .4

1шт.

Part of water pump attaching kit P/N H668475

1шт.

37

131-1153

LOCK NUT,1/2"-13, GC

NUT, LOCK, 1/2"-13, GC

1шт.

For gearbox and mounting see figure .4

1шт.

Part of water pump attaching kit P/N H668475

1шт.

38

113-177

BOLT,Hex, 5/16" - 18 x 3", Gr 5

Used in place of Ref. 18 bolt when Ref. 34 guard is used Hex, 5/16"-18 x 3", G5

1шт.

For gearbox and mounting see figure .4

1шт.

Part of water pump attaching kit P/N H668475

1шт.

39

195-521

WASHER,5/16", SAE

- flat, 5/16", plated, used with Ref. 34 guard only

12шт.

For gearbox and mounting see figure .4

1шт.

Part of water pump attaching kit P/N H668475

1шт.

40

131-1215

LOCK NUT,5/16"-18, GC

NUT, LOCK, 5/16"-18, GC

1шт.

For gearbox and mounting see figure .4

1шт.

Part of water pump attaching kit P/N H668475

1шт.

H668475

ATTACHMENT

KIT - water pump attaching, Includes Refs. 1, 4, 5, 6, 7, 8, 9, 10, 11, 12, 13, 14, 15, 16, 17, 18, 19, 20, 21, 22, 23, 24, 25, 26, 27, 28, 29, 30, 31, 32, 34, 35, 36, 37, 38, 39 and 40

1шт.

For gearbox and mounting see figure .4

1шт.

Выбрано товаров: 118