Запчасти Case 1000 (38) - DOUBLE CHAIN BOOMS, BOOM END

Схема запчастей Case 1000 - (38) - DOUBLE CHAIN BOOMS, BOOM END
FIT
1:1
100%

Артикул

Название

Примечание

Количество

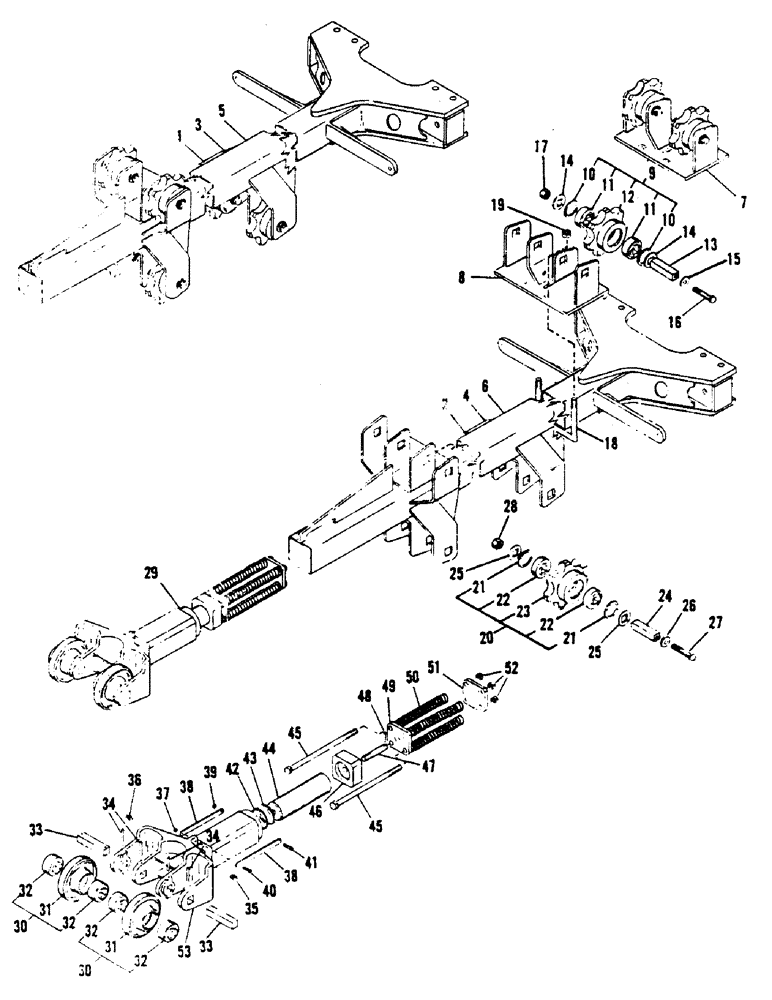
1

H575639

BOOM & SPROCKET ASM - 32" boom (Includes: Refs. 2 and 7 - 28)

1шт.

2

H574400

BOOM - 32"

1шт.

3

H575647

SPROCKET ASSY.

BOOM & SPROCKET ASM - 42" boom (Includes: Refs. 4 and 7 - 28)

1шт.

4

H574384

BOOM

- 42"

1шт.

5

H575654

BOOM

& SPROCKET ASM - 52" boom, Includes: Ref. 6 - 17

1шт.

6

H574392

BOOM

- 52"

1шт.

7

H554717

BRACKET

MOUNTING BRACKET & SPROCKET ASM, Includes: Ref. 8 - 17

1шт.

8

H554402

MOUNTING BRACKET

1шт.

9

H544171

SPROCKET ASSY.

IDLER SPROCKET ASM, Includes: Ref. 10 - 12

2шт.

10

H33837

RING

RETAINING RING

2шт.

11

H747139

BALL BEARING

BEARING

2шт.

12

H132761

DRIVE SPROCKET

SPROCKET

1шт.

13

H251025

BOOM

SQUARE SHAFT

2шт.

When replacing square shaft on units with internally threaded shaft, order idler shaft kit H584896.

1шт.

14

H136663

SPACER

4шт.

15

H738658

WASHER

FLAT WASHER (5/8")

4шт.

16

H711531

SCREW

HHCS (5/8" x 5-1/2" NC)

2шт.

17

230-42110

LOCK NUT,5/8"-11, GA

NUT (5/8" NC - lock)

2шт.

18

H81372

HARDWARE

U-BOLT

2шт.

19

230-42110

LOCK NUT,5/8"-11, GA

NUT (5/8" NC - lock)

4шт.

20

H544171

SPROCKET ASSY.

IDLER SPROCKET ASM

6шт.

21

H33837

RING

RETAINING RING

2шт.

22

H747139

BALL BEARING

BEARING

2шт.

23

H132761

DRIVE SPROCKET

SPROCKET

1шт.

24

H251025

BOOM

SQUARE SHAFT

6шт.

When replacing square shaft on units with internally threaded shaft, order idler shaft kit H584896.

1шт.

25

H136663

SPACER

12шт.

26

H738658

WASHER

FLAT WASHER (5/8")

12шт.

27

H711531

SCREW

HHCS (5/8" x 5-1/2" NC)

6шт.

28

230-42110

LOCK NUT,5/8"-11, GA

NUT (5/8" NC - lock)

6шт.

29

H554675

BOOM

END ASM, Includes: Ref. 30 - 53

1шт.

30

H508168

ROLLER BEARING

OUTER ROLLER ASM, Includes: Ref. 31 and 32

2шт.

31

H71779

ROLLER

1шт.

32

H747139

BALL BEARING

BEARING

2шт.

33

H80838

SHAFT

SQUARE SHAFT

2шт.

34

H742866

PIN

ROLL PIN (3/8" x 2-1/2")

4шт.

35

H114728

PLUG

BLEED PLUG

1шт.

36

H745398

FITTING

GREASE FITTING - with cap

1шт.

37

H737445

NUT

(5/16" NC - lock)

1шт.

38

H114934

DRAG LINK

LINK - boom end retainer

2шт.

39

H737452

NUT

(3/8" NC - lock)

1шт.

40

H709477

BOLT

HHCS (5/16 x 1-1/2" NC)

1шт.

41

H709873

BOLT

HHCS (3/8 x 1-1/2" NC)

1шт.

42

H745430

O-RING,59.69 mm ID

1шт.

43

H745711

WASHER

BACKUP WASHER

1шт.

44

H114512

PLUNGER

PLUNGE ROD

1шт.

45

H90787

BOLT

SPECIAL BOLT

4шт.

46

H114520

BLOCK

BEARING BLOCK

1шт.

47

H114538

STUD

1шт.

48

H742395

ROLL PIN

(1/4 x 1-1/2")

1шт.

49

H114546

GUIDE

PLATE

1шт.

50

H101998

VALVE SPRING

SPRING

4шт.

51

H114546

GUIDE

PLATE

1шт.

52

H737494

LOCK NUT

NUT (5/8" NC - lock)

4шт.

53

H178483

MOUNTING PARTS

BOOM END CASTING

1шт.

Выбрано товаров: 55