Запчасти Case 1000 (50) - AUGER ATTACHMENTS, COUNTERWEIGHTS

Схема запчастей Case 1000 - (50) - AUGER ATTACHMENTS, COUNTERWEIGHTS
FIT
1:1
100%

Артикул

Название

Примечание

Количество

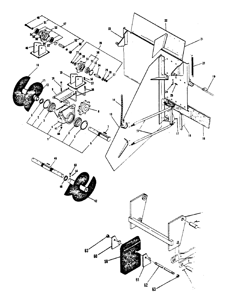
1

H525642

SHAFT ASSY.

AUGER MOUNTING CSTG - shaft - bearing & sprocket (Single), Includes: Ref. 2 - 8

1шт.

2

A55435

SNAP RING,3.938", Int, #393

Ring, Snap, , replaces H746438 3.938", Int, #393

2шт.

3

H747394

BEARING,55.6mm ID x 100mm OD x 33.4mm W

2шт.

4

H99127

CASTING

- auger

1шт.

5

H748715

NUT

BEARING NUT

1шт.

6

H102756

SHAFT

- auger, Single auger

1шт.

7

H99150

KEY

(1/2" x 2-3/8")

1шт.

8

H99226

DRIVE SPROCKET

SPROCKET - 8 tooth

1шт.

9

H525634

CLAMP - auger casting

1шт.

10

H524280

AUGER

- right

1шт.

11

H99200

AXLE PIN

PIN - auger retaining

1шт.

12

H740506

KEY

COTTER PIN (1/4" x 1-1/4")

1шт.

13

H525592

DIRT CHUTE

1шт.

14

H99044

CHAIN (AG)

CHAIN - chute lift

1шт.

15

H122945

BRACE

- chute

2шт.

16

H103325

CHUTE SKIRT - w/o dozer

1шт.

17

H103382

CHUTE SKIRT - w/dozer

1шт.

18

H103473

BELT SKIRT - w/o dozer

1шт.

19

H525691

BACK CHANNEL ASM - w/o dozer

1шт.

20

H54338

VALVE SPRING

SPRING

1шт.

21

H103259

UPPER DIRT SHIELD

1шт.

22

H103465

UPPER DIRT BAFFLE

1шт.

23

H525576

BACK PLATE

1шт.

24

H50906

AXLE PIN

PIN - back plate retaining

2шт.

25

H32292

PIN

HAIR PIN - cotter

2шт.

26

H520981

WHEEL

IDLER BRACKET & SPROCKET ASM, Includes: Ref. 27 - 38, Serial Range: -3500

1шт.

27

H737940

HARDWARE

NUT (1" NF - lock)

2шт.

28

H738534

X

FLAT WASHER (1")

2шт.

29

H71811

SPACER

2шт.

30

H520973

WHEEL

IDLER SPROCKET & BEARING ASM, Includes: Ref. 31 - 34

1шт.

31

H77875

IDLER SPROCKET

1шт.

32

H747139

BALL BEARING

BEARING

1шт.

33

H33837

RING

SNAP RING

1шт.

34

H71803

SHAFT

BEARING SHAFT

1шт.

35

H517805

BRACKET

IDLER MOUNTING BRACKET, Serial Range: -3500

1шт.

36

H81372

HARDWARE

U BOLT

2шт.

37

H739250

WASHER

LOCK WASHER (5/8")

4шт.

38

H735837

NUT

(5/8" NC)

4шт.

39

H711499

BOLT

HHCS (5/8 x 4-1/2 NC)

4шт.

40

H735837

NUT

(5/8 NC)

4шт.

41

H739250

WASHER

LOCK WASHER (5/8)

4шт.

42

H524272

AUGER - left, Double auger

1шт.

43

H99200

AXLE PIN

PIN - auger retaining, Double auger

1шт.

44

H740506

KEY

COTTER PIN (1/4 x 1-1/4) Double auger

1шт.

45

H99143

SHAFT

- auger, Double auger

1шт.

46

H748715

NUT

BEARING NUT Double auger

1шт.

47

H554717

BRACKET

IDLER BRACKET & SPROCKET ASM, Includes: Ref. 48 - 57, Start Serial: 3500

1шт.

48

H554402

MOUNTING BRACKET W/A

1шт.

49

H711523

BOLT

HHCS (5/8 x 5-1/4 NC)

1шт.

50

H739250

WASHER

LOCK WASHER

2шт.

51

H738658

WASHER

FLAT WASHER (5/8 SAE)

2шт.

52

H251025

BOOM

SQUARE SHAFT

1шт.

When replacing square shaft on units with internally threaded shaft, order idler shaft kit H584896.

1шт.

53

230-42110

LOCK NUT,5/8"-11, GA

NUT (5/8 NC - lock), Includes: Ref. 54 - 57

1шт.

ASM

1шт.

54

H747139

BALL BEARING

BEARING

2шт.

55

H33837

RING

RETAINER RING

1шт.

56

H132761

DRIVE SPROCKET

SPROCKET

1шт.

57

H33837

RING

SQUARE RETAINER RING

2шт.

58

H582130

WEIGHT MOUNTING BRACKET

1шт.

59

H182386

BALANCER

COUNTER WEIGHT

10шт.

60

H558221

WASHER

WEIGHT LOCK - L/H

1шт.

61

H557934

WASHER

WEIGHT LOCK - R/H

1шт.

62

H187351

TRUSS BOLT (5/8-11 x 23)

1шт.

63

230-42110

LOCK NUT,5/8"-11, GA

NUT (5/8 NC - lock)

2шт.

64

H232041

LINK

4шт.

Up to spec. no. P16WS10, P16FG11 & P16FD12.

1шт.

64

H265132

LINK

4шт.

Spec no. P16WS10, P16FG11, P16FD12 and up.

1шт.

65

H114959

AXLE PIN

PIN (1-1/4 x 3-1/16)

6шт.

66

H740555

PIN, SPLIT (COTTER)

COTTER PIN (1/4 x 2)

6шт.

Выбрано товаров: 71