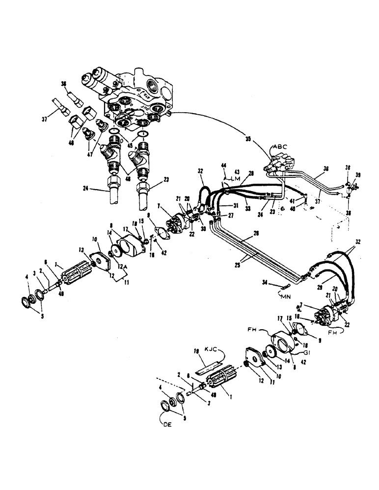
Запчасти Case 1000 (56) - HIGH-CAPACITY CONVEYOR HYDRAULIC LINES, CONVEYOR GEAR CASE

Схема запчастей Case 1000 - (56) - HIGH-CAPACITY CONVEYOR HYDRAULIC LINES, CONVEYOR GEAR CASE
FIT
1:1
100%

Артикул

Название

Примечание

Количество

1

H53868

ROLLER

CONVEYOR ROLLER

2шт.

2

H742866

PIN

ROLL PIN (3/8" x 2-1/2")

2шт.

3

H79251

SHAFT

DRIVE SHAFT

2шт.

4

H747048

BEARING

2шт.

5

H747071

FLANGE

BEARING RETAINER

4шт.

6

H26492

KEY

(1/4" sq. x 3/4")

2шт.

7

H563601

MOTOR HOUSING

CONVEYOR MOTOR ASM

2шт.

8

H124511

GEAR WHEEL

GEAR CASE

2шт.

9

H124537

GASKET

- motor

2шт.

10

H46458

GASKET

- gear case

2шт.

11

H591370

BEARING

PLATE ASM, Includes: Ref. 12 and 12A

2шт.

12

H124529

PLATE

BEARING PLATE

1шт.

12a

H747030

FLANGE

BEARING - drive shaft

1шт.

13

H749077

OIL SEAL

OIL SEAL

2шт.

14

H122606

GEAR WHEEL

GEAR - driven

2шт.

15

H122598

GEAR WHEEL

GEAR - motor drive

2шт.

16

H61168

KEY

(3/16" sq. x 7/8")

2шт.

17

H746503

RING, SNAP

SNAP RING

2шт.

18

H746511

RING, SNAP

SNAP RING

2шт.

19

H67439

PLATE ASSY.

ROLLER CLEANER

2шт.

20

H195321

ADAPTER

- straight

4шт.

21

H745182

O-RING

O RING

4шт.

22

H169359

ADAPTER

- straight

2шт.

23

H573691

TUBE,0.75" OD x 13.75, 4.25" L

- conveyor valve to hose

1шт.

24

H573683

TUBE,0.75" OD

- conveyor valve to hose

1шт.

25

H573659

TUBE,0.75" OD

- motor to motor

2шт.

26

H573642

TUBE - bleed 0.375" OD

1шт.

27

H213041

TEE

MALE TEE

1шт.

28

H231621

HOSE

(1/4" x 35" - 1/4" M.P. x 9/16" JIC Fe. Sw.)

1шт.

29

H231647

HOSE ASSY.

HOSE (1/4" x 47" - 9/16" JIC male x 9/16" x 90 degrees JIC Fe. Sw.)

1шт.

30

H231639

HOSE ASSY.

HOSE (1/4" x 47" - 9/16" JIC Fe. Sw. x 9/16" x 90 degrees JIC Fe. Sw.)

1шт.

31

H231613

HOSE

(3/4" x 27" - 1-1/16 JIC male)

1шт.

32

H231597

HOSE ASSY.

HOSE (3/4" x 41-1/2" - 1-1/16" x 90 degrees JIC Fe. Sw.)

3шт.

33

H231605

HOSE

(3/4" x 59" - 1-1/16 JIC male x 1-1/16" x 90 degrees JIC Fe. Sw.)

1шт.

34

H576017

TUBE CLAMP

2шт.

35

H537043

LOCK VALVE

CONVEYOR - high-speed valve

1шт.

36

H573790

TUBE,0.5" OD x 26.125" L

- "A" port to bleed valve

1шт.

37

H573709

TUBE,0.5" OD x 25.125, 8.937" L

- "B" port to bleed valve

1шт.

38

H169847

ADAPTER

- 90 degrees

2шт.

39

H510925

LOCK VALVE

VARIABLE SPEED BLEED VALVE

1шт.

40

H748905

NIPPLE, LUBE

PIPE NIPPLE (1/4")

1шт.

41

H749952

TEE

PIPE TEE (1/4")

1шт.

42

H749622

PLUG

PIPE PLUG (3/8" sq. head)

2шт.

43

H52548

SPRING

- hose retainer

1шт.

44

H52555

HOOK

CLIP - hose retainer

1шт.

45

H745182

O-RING

O RING

2шт.

46

H228338

FITTING

SERVICE TEE

2шт.

47

H229245

REDUCER

2шт.

48

H229385

NUT

TUBE NUT

2шт.

49

H738989

WASHER

1" AIRCRAFT WASHER

2шт.

a

H709956

BOLT

HHCS (3/8 x 3-1/2" NC)

2шт.

b

H709949

BOLT

HHCS (3/8" x 3-1/4" NC)

1шт.

c

H738013

LOCK NUT

NUT (3/8" NC - lock)

7шт.

d

H709451

BOLT (SPREADER)

HHCS (5/16" x 1 NC)

6шт.

e

230-4215

NUT,5/16"-18, GA

NUT (5/16" NC - lock)

6шт.

f

H710640

X

HHCS (1/2" x 1-1/2" NC)

8шт.

g

H710665

BOLT

HHCS (1/2" x 2" NC)

2шт.

h

H739235

WASHER

LOCK WASHER (1/2")

8шт.

i

H738039

LOCK NUT

NUT (1/2" NC - lock)

2шт.

j

H709857

BOLT

HCS (3/8" x 1" NC)

4шт.

k

H738468

WASHER

FLAT WASHER (3/8" SAE)

1шт.

l

H749499

SCREW

SELF TAPPING BOLT (5/16" x 3/4")

1шт.

m

H739201

WASHER

LOCK WASHER (5/16")

1шт.

n

H709469

X

SELF TAPPING BOLT (5/16" x 1-1/4")

1шт.

Выбрано товаров: 64