Запчасти Case 1000 (66) - HYDRAULIC CYLINDER ASSEMBLIES

Схема запчастей Case 1000 - (66) - HYDRAULIC CYLINDER ASSEMBLIES
FIT
1:1
100%

Артикул

Название

Примечание

Количество

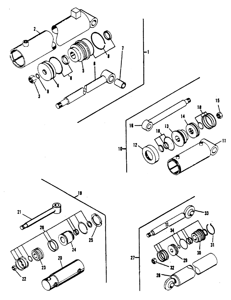
1

H567701

CYLINDER BLOCK

BOOM CYLINDER ASM, Includes: Ref. 2 - 8

1шт.

2

H571125

CYLINDER

BARREL ASM

1шт.

3

H223198

NUT

LOCK NUT

1шт.

4

H587451

GASKET KIT

PISTON

1шт.

5

H223248

CYLINDER BLOCK

GLAND

1шт.

6

H571117

ROD

PISTON - rod asm

1шт.

7

H223222

BUSHING

ROD BUSHING

1шт.

8

H571109

SEAL ASSY.

SEAL REPAIR KIT

1шт.

10

H568444

TILT CYLINDER ASM, Includes: Ref. 11 - 18

2шт.

Up to spec. no. P16WS04, P16FG05 & P16FD06.

1шт.

11

H242529

BARREL

1шт.

12

H242545

COLLAR

1шт.

13

H254763

GLAND

(Replaces H226308)

1шт.

14

H226316

PISTON

1шт.

15

H223024

LOCK NUT

1шт.

16

H242511

PISTON ROD

1шт.

18

H580530

SEAL ASSY.

SEAL REPAIR KIT

1шт.

19

H505628

CYLINDER BLOCK

TILT CYLINDER ASM, Includes: Ref. 20 - 26

2шт.

Spec. no. P16WS04, P16FG05, P16FD06 and up.

1шт.

20

H150953

CYLINDER

BARREL

1шт.

21

H57901

SHAFT

PISTON ROD

1шт.

22

H737643

NUT

(3/4-16 - lock)

1шт.

23

H32540

PISTON

1шт.

24

H70078

BEARING

1шт.

25

H745810

NUT

BEARING NUT

1шт.

26

H507350

GASKET KIT

SEAL REPAIR KIT

1шт.

27

H578633

CYLINDER BLOCK

BACKFILL BLADE CYLINDER ASM, Includes: Ref. 28 - 34

1шт.

28

H580977

BARREL ASM

1шт.

29

H223073

PISTON ASSY.

PISTON

1шт.

30

H223081

GLAND

1шт.

31

H223263

ELECTRICAL WIRE

LOCK WIRE

1шт.

32

H223024

LOCK NUT

1шт.

33

H243220

PISTON ROD

1шт.

34

H580969

SEAL ASSY.

SEAL REPAIR KIT

1шт.

Выбрано товаров: 34