Запчасти Case 1000 (70) - HYDRAULIC LINES - BACKFILL BLADE, (UP TO SPEC. #P16WS10, P16WS10, P16FD12)

Схема запчастей Case 1000 - (70) - HYDRAULIC LINES - BACKFILL BLADE, (UP TO SPEC. #P16WS10, P16WS10, P16FD12)
FIT
1:1
100%

Артикул

Название

Примечание

Количество

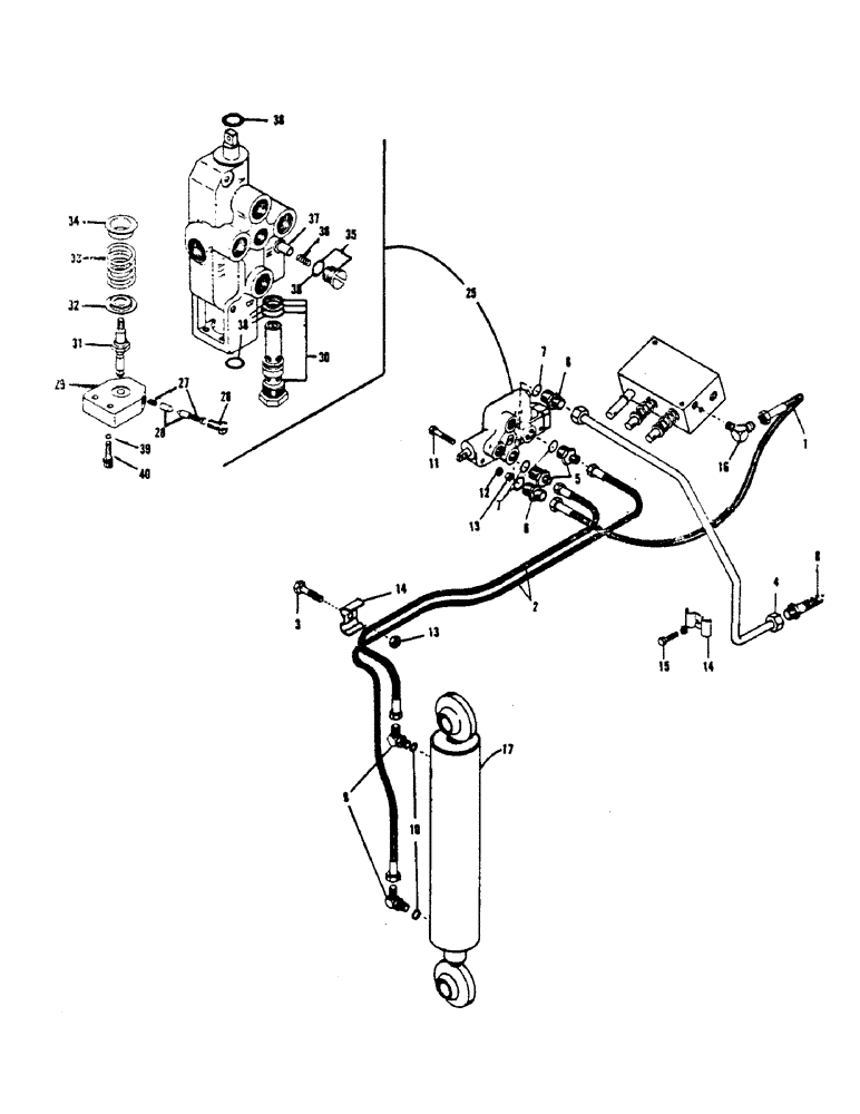
1

H199141

HOSE

(3/8" x 27" - 3/4" JIC Fe. Sw. ends)

1шт.

2

H243790

HYDRAULIC HOSE,6.35 mm ID x 1473.20 mm, SAE 100R1

6.35 mm ID x 1473.20 mm, SAE 100R1

2шт.

3

H709477

BOLT

HHCS (5/16" x 1-1/2" NC)

1шт.

4

H573808

TUBE - "in" port - backfill blade valve 0.5" OD x 12.375, 16.312" L

1шт.

5

H45534

ROD, CONNECTING

ADAPTER - straight - "A" & "B" ports

2шт.

6

H54569

FITTING

ADAPTER - straight - "in" & "out" ports

2шт.

7

H745174

O-RING

O RING

4шт.

8

H247171

HOSE ASSY.

HOSE (3/8" x 16-1/2") special

1шт.

9

H165068

ADAPTER

- 90 degrees

2шт.

10

H745158

O-RING

O RING

2шт.

11

H709519

BOLT

HHCS (5/16" x 2-1/2" NC)

2шт.

12

H739201

WASHER

LOCK WASHER (5/16")

5шт.

13

H735787

NUT (5/16" NC)

4шт.

14

H45468

CLAMP

TUBE CLAMP

2шт.

15

H709451

BOLT (SPREADER)

HHCS (5/16" x 1" NC)

1шт.

16

H169847

ADAPTER

- 90 degrees

1шт.

17

H578633

CYLINDER BLOCK

BACKFILL BLADE CYLINDER ASM (See Figure 66 for parts list), Includes: Ref. 26 - 39

1шт.

25

H537647

LOCK VALVE

BACKFILL BLADE CONTROL VALVE ASM, Includes: Ref. 26 - 39

1шт.

26

H105015

PLUG

- detent

1шт.

27

H105049

SPRING

- detent pawl

2шт.

28

H104992

PAWL

- detent

2шт.

29

H125831

BLOCK

- detent

1шт.

30

H102053

VALVE

RELIEF VALVE - 2500 PSI (Includes o-rings)

1шт.

31

H139071

SCREW,1/4" - 20

- detent

1шт.

32

H31401

WASHER

- shallow

1шт.

33

H52928

VALVE SPRING

SPRING - spool

1шт.

34

H138271

WASHER

- deep

1шт.

35

H47506

PLUG

- lift check (Includes o-rings)

1шт.

36

H47506

PLUG

SPRING - lift check

1шт.

37

H52894

PLUNGER

- lift check

1шт.

38

H125864

KIT

SEAL REPAIR KIT

1шт.

39

H739193

WASHER, LOCK

LOCK WASHER (1/4")

2шт.

40

H750323

CAPSCREW

S.H.C.S. (1/4" - 20" x 1")

2шт.

Выбрано товаров: 0